- 易迪拓培训,专注于微波、射频、天线设计工程师的培养
超高频RFID前端SP4T的设计
由于超高频RFID的接收和发射频率相同,读卡器结构基本为零中频结构。零中频结构的接收机射频前端没有选择滤波器,对邻近频率的信号抗干扰能力很弱。我国在《800/900 MHz频段射频识别(RFID)技术应用规定(试行)》中规定的跳频间隔为250 kHz,这对零中频结构的RFID读卡器在多询问机环境下工作是一个很大的技术难点。所以,在现阶段的多询问机环境下工作的UHF RFID读卡器,基本是工作于时分复用方式。在读卡器中加入单刀多掷开关(Single Pole 4Throw,SP4T),本机轮询4个天线,可以取代另外的3个读卡器,降低整个系统成本。
l SP4T设计和仿真
1.1 SP4T的主要技术指标
SP4T的主要技术指标有插入损耗、隔离度、开关时间、VSWR和功率容量。对于系统,要求SP4T的功率容量大于30 dBm,控制信号为1 kHz方波,插入损耗小于2 dB,VSWR小于1.5:1。
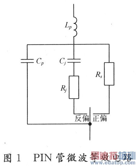
1.2 PIN结构和等效电路
PIN管是在重掺杂的P层和N层之间加入一宽度较大的不掺杂本征I区,真正的本征区不可能实现,实际使用的PIN管I区多为低掺杂N区。I区使二极管级间电容减小,击穿电压提高。较宽的I区提高了二极管的反向击穿电压,使其功率容量增加。但同时使载流子渡越时间变长,阻抗变化缓慢,开关时间变长。I区面积增加时,导通电阻减小,导通功率容量加大,结电容上升,截止频率下降,限制了系统的工作频率和带宽。当PIN管正偏时,对微波信号等效为一线性电阻,阻值的大小决定于偏置电流,接近于短路。反偏时,I区载流子耗尽,PIN管对微波信号等效为一恒定电容。其微波等效电路如图1所示。

图1中:Ri为耗散损失引入的电阻,由于其远小于Cj的阻抗,常将其省略;Lp和Cp为引线电感和封装电容,Lp和cp的存在使电路的高频特性大大降低,所以频率较高时,一般采用管芯直接搭建电路。
1.3 SP4T的电路结构
基于PIN管的射频切换开关有串联式、并联式和串一并联结合式。设计中采用串一并联结构以达到上述指标,其基本的电路结构如图2所示。 
在SP4T中,四个通道完全一致,图2中只画出了第一、第二个通道。其中:R1,R2为直流偏置电阻,保证IN管工作于适当的正偏电流;C1,C3,C5为隔直电容;L2,L3为射频扼流电感,它们与C2,C3一起构成一个低通网络,以阻止射频信号进入电源;CONl和CON2为开关选择控制信号,输人为+5 V,-5 V方波信号。当CONl为-5 V,CON2为+5 V时,D1和D4导通,D2和D3截止,通道一打开,通道二到通道四关闭。导通时的PIN管等效为一很小的串联电阻Rs,截止的PIN管等效为一电阻Rr和电容Cj的串联,所以通道一打开,其余通道关闭时的等效电路如图3所示。

1.4 主要元件选型和电路仿真
分析电路可得,较小的Rs和Cj是获得低插入损耗、高隔离度的必要条件,而电路的功率容量决定于PIN管的最大反向电压和PDM,一般取中的最小值。综合以上考虑,选取了MA-COM公司的MAP4P789,SC-79封装。其参数为Vr=75 V,Cj=O.35 pF,Rs=1.5 Q 10 mA,封装电感为0.6 nH,封装电容为0.1 pF。将以上参数代入电路并用ADS仿真,如图4,图5所示。

由图4可以看出,闭合通道的插入损耗在860~950 MHz之间小于1 dB,而各断开通道由于电路对称,其隔离度的曲线重合在一起,均大于34 dB。图5的VSWR曲线随频率的升高而增加,主要是由于断开通道反偏结电容的影响。对于直流偏置电路,主要是保证PIN管的正偏工作电流为10 mA,这里取限流电阻值为500 Ω。在控制电压为5 V的情况下,能保证PIN管的10 mA工作电流。C1,C3,C5为隔直电容,一方面对860~950 MHz控制信号的衰减较小,另一方面对1 kHz控制信号的衰减较大。为了避免控制信号进入系统其他部分,这里取其电容值为20pF。C1和L1,C2和L2,C4和L3组成三个低通网络,其截止频率取决于控制信号的最高频率。对于1 kHz的方波信号,取其上升时间为o.5μs,则其带宽为BW=1/[2*tr(10%~90%)]=l/(2×O.5μs)=1 MHz,这里取C1,C2,C4的值为47 pF;L1,L2,L3的值为56 nH。该低通网络在阻止高频进入电源的情况下,可以保证控制信号加到各PIN管。
2 实测结果及误差分析
由于系统频率不太高,考虑成本和生产因素,采用FR-4板材,完成电路并采用Agilent的网络分析仪8712ET测试得其最大插入损耗为1.42 dB,最小隔离度为25 dB。相对于仿真结果,实际测试值有较大的恶化。主要原因有以下几点:
(1)仿真时采用的模型不精确。由于仿真模型是根据厂家给出的参数建立的,寄生电容和寄生电感值是经验值,这与实际值有些差异。
(2)各支路微带线之间的耦合。由于各支路的公共接点连接在一起,各微带线之间距离很近,闭合通道的信号耦合到临近的两个断开通道,恶化了系统的插入损耗和隔离度。
(3)多路开关的断开通道较多。其反偏等效电容并联在闭合通道上,导致了插入损耗较大,这也是多路开关路数不能太多的主要原因。
3 结 语
串一并联PIN管形式的电路是实现高速,宽带,多路微波开关的最佳方法。通过对PIN管的仔细选型,电路的认真优化,可以进一步提高系统的带宽,减小系统的插入损耗。

