- 易迪拓培训,专注于微波、射频、天线设计工程师的培养
移动终端中三类射频电路的演进方向
移动通信采用电磁波作为信号的传输载体进行无线通信,因此,其射频电路在移动通信终端上居于重要的位置,射频性能的好坏直接关系到信号的收、发能力和终端与基站通信能力的高低,研究移动终端的射频电路的设计思想和所采用的射频器件的发展趋势,已成为终端制造商的重要课题。
在当今移动终端主流射频电路中,主要包含了三大部分,即射频前端电路、收发信机电路和频率源电路。虽然这三部分电路采用的设计思想、实现材料与工艺有巨大不同,但三者都在各自的领域超着小型化和高性价比的方向发展。由于使用材料的本质差别和收发互扰的问题存在,三部分电路很难集成到一起。三部分电路在各自领域独立发展,相互影响,共同推进通信终端射频电路的演进。
射频前端电路向小型化和交互集成方向发展
半导体厂商多年来致力于把各种功能集成到大型集成电路中,终端成本随着集成度的提高而日益降低,为消费者带来越来越多的好处。在移动通信终端RF电路部分,许多元器件要么集成到芯片当中,要么随着直接数字上/下变频器的出现而消失。
但是,终端电路发展到现在,仍有两个重要的器件还没有被集成,即射频前端滤波器和射频功放。这两种器件采用的构建技术都不兼容芯片上CMOS集成。在传统上,滤波器一直采用陶瓷或声表面波(SAW)技术构建,而射频功放则一直使用砷化镓(GaAs)异质结双极晶体管(HBT)或FET器件构建。由于这些技术与射频芯片使用的硅或硅锗工艺有着很大区别,因此功放和滤波器一直作为分立器件,与现在执行手机大部分射频功能的大规模集成芯片组分开。
移动终端射频前端电路主要包含三个部分的电路:射频功放、天线开关或双工器、前端(镜频)滤波器。由于射频功放和前端滤波器收发隔离和工艺实现问题,二者集成到单一芯片中还存在较大的问题。天线开关或双工器厂商在LTCC基片上嵌入接收前端滤波器,构成了现在比较流行的一种射频前端模块(FEM),如MURATA公司的LMSP54HA和日立金属公司的LSHS-M085FE,由于其小型化和低成本优势,在目前大量GSM移动终端中获得了广泛的使用。

图1:MURATA公司的LMSP54HA和日立金属公司的LSHS-M085FE的原理框图
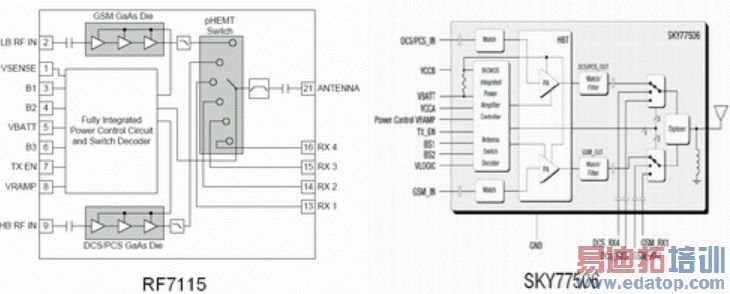
功放厂商在其功放芯片基础上利用GaAs工艺实现了天线开关或双工器,构成了现在比较流行的另一种射频前端模块,如RFMD公司的RF7115和SKYWORKS公司的SKY77506,由于其小型化和低成本的优势,也在目前的GSM移动终端设计中得到普遍应用。天线开关或双工器厂商和射频功放生产厂商目前都在致力于三者的集成化开发和研究,因此,三者合一的射频前端单片是移动终端射频发展的必然趋势。

图2:集成天线开关的功率放大器架构图
收发信机的发展趋势是直接变频
射频收发信机芯片的发展经历了三个阶段:第一阶段,采用超外差二次变频固定中频射频构架阶段;第二阶段,采用超外差二次变频低中频射频构架阶段;第三阶段,采用直接变频射频构架阶段;

图3:采用超外差二次变频系统架构的收发信机单芯片方案
第一阶段的射频收发芯片是把经典的射频超外差系统构架体系集成到单芯片中,采用固定频率和带宽的中频滤波器完成中频信号的选频和滤波,这一阶段的典型芯片如INFINEON公司的PMB6253,采用了360MHz的中频滤波器完成收发信号的上、下变频处理和变换。
第二阶段的射频收发芯片是把经典的射频超外差系统构架体系进行了调整,把第一本振的频率大大提高,这个通过第一本振变频后,得到频率较低的中频信号,在中频通路,集成一个信道滤波器完成中频信号的选频和滤波,再经过第二本振变频滤波后得到射频I、Q信号,送入基带芯片进行处理。这一阶段的射频收、发芯片的最大特点是消除了外置中频滤波器,有效地降低了终端成本。低中频射频收发芯片典型的如台湾MEDIA TEK公司的MT612X芯片。
第三阶段的射频收发芯片采用了一个锁相环,一个VCO构成一个本振信号,收、发信号通过一次变频后,直接变换为I、Q信号,由于本振信号等于工作信号频率,变频后的IF=0,直接可以去掉中频滤波器。
采用直接变频射频构架的收、发芯片需要解决本振VCO频谱的INJECTION PULLING、本振隔离、本振SELF MIXING以及DC OFFSET问题,通过解决上述问题,RF稳定成熟后的收、发芯片目前已经得到广泛的使用。典型的如TI公司的TRF6151和MEDIA TEK公司的MT6139等。

图4:MT612X低中频射频收发芯片架构图
由于直接变频(DCR/DCT)射频构架有效地减少了芯片内部功能电路,以及中频滤波器,在成本和体积上比第一、二阶段的射频收发芯片有可观的降低和减小,成为目前最流行使用的射频收发芯片。因此,DCR/DCT的收发芯片是以后射频收发芯片发展的主要趋势和主要应用。

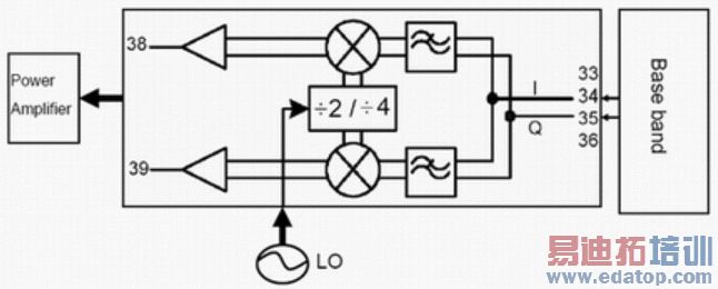
图5:采用直接变频的射频收发芯片架构图

图6:直接变频(DCR/DCT)发射电路原理图

图7:直接变频(DCR/DCT)接收电路原理图
外置晶体频率源成为主流
射频频率源主要来自射频收发芯片内部所集成的小数分频PLL的频率合成器,精准的频率提供给各本振所使用,锁相环PLL所使用的参考基准频率需要外置的晶体或晶振所提供。

图8:由内含三点式电路的晶振构成的频率源架构
在移动通信终端外置基准频率源发展过程中,主要经历了两个阶段:第一阶段采用温度补偿晶振阶段;第二阶段采用晶体阶段。温度补偿晶振可以提供高稳定度的频率,晶振内部包含了构成振荡器的三点式电路构架,温度补偿晶振的使用为第一阶段。随着射频收发芯片集成度的提高,频率源的三点式电路集成到收发信机芯片内部,外置只需要一个简单的晶体来完成,有效地降低了移动终端的BOM成本,外置晶体作为频率源的射频构架目前获得了广泛的使用。
本文小结
通过上述三个方面的说明,器件的小型化和低成本化两个主要的推动力推进着移动终端射频元器件在各自领域向前发展,集成的射频前端FEM,直接变频(DCR/DCT)构架的收发信机和外置晶体的频率源成为以后移动终端射频电路设计的主要发展趋势。

图9:只采用外置晶体的频率源架构
作者:徐圣永
开发中心射频经理
xushengyong@konka.com
康佳通信科技有限公司
如何成为一名优秀的射频工程师,敬请关注: 射频工程师养成培训
上一篇:GSM基站覆盖延系统上、下行平衡考虑
下一篇:RFID 测试技术分析

