- 易迪拓培训,专注于微波、射频、天线设计工程师的培养
先进的3G多频段收发器实现了前端的高度集成
目前绝大多数的2G和2.5G蜂窝网都工作在RF频谱中的四个频段。由于这四个频段是全球统一规划的,这就意味着如果某个用户携带他的手机到其他国家,手机的RF部分就很可能工作在不同的频段或频率上。这就需要手机设计提供多路开关和一些关键器件的并行配置,如功率放大器(PA)和声表面波(SAW)滤波器。但由于技术的成熟度和2G市场的容量,还有先进的分组技术以及集成的IC收发器设计,这些并行设计可使这类手机的成本和体积的增加减至最小。
图1所示为典型的四频段GSM收发器的设计架构。通过集成,在信号链路上只需以下三片主要器件:1. 多带PA和集成开关模块;2. 四频段Rx SAW滤波器组;3. 硅收发器。
3G的情况与所讨论的以前的蜂窝系统有点类似。一开始分配给UMTS 3G系统的频谱是第一频段。这种情况下,所需的RF前端相对简单,可以使用外部滤波器,从而不需要太大的成本和PCB面积的开销。但是,由于不同地区和规定的限制,以及新频谱的许可,使得目前全球共有10个频段分配给3G网络,不过这些频段中部分存在交叠。现在2G网络的用户都能想到在外出旅游时能够继续使用他们的手机,那么3G用户当然也期望如此。这对于高端用户尤其重要,无论是数据业务还是语音业务都是如此,因为这些用户通常是商业用户并且是3G技术的早期用户。因此,需要更具成本效益的多频段收发器设计。图2所示为目前的频段分配图。一部典型的多频段手机目前应该能够具有覆盖所有三个频段的能力,即一个低频段和两个高频段。
实现所期望的多频段功能的最简单的方法是采用目前的单频段收发器设计方案,即并行设置几个前端模块。射频收发器电路极其相似,只是需要对外部匹配和RF滤波器进行专门设计以适应于手机所需的工作频段。利用仔细的频率规划、宽带PLL系统,以及亚微米CMOS工艺的高集成度,就可以很好地实现这种方案。但是,考虑到芯片成本、集成度、外部元器件数量以及RF收发器所占的PCB面积等因素,这种方案不是理想方案。图3所示的就是这类方案的一个实际例子,只是为了简化而去掉了GSM部分。

图1:仅利用3只器件的四频段GSM收发器的实例。

图2:3GPP频段频率分配图。

图3:利用单频段设计组合实现的3G多频段收发器前端实例。
Othello-3系列的3G收发器采用了大胆的处理架构,在这种架构中扫清了与前端集成相关的各种障碍。其中最大的障碍就是需要外接滤波器,因为滤波器限定了某工作频段的输入和输出频率范围。在WCDMA这样的全双工系统中,发射机和接收机同时工作,故在天线那里始终需要一个双工滤波器,其目的是防止大功率的发射信号降低高灵敏度接收机的性能。但是由于电路的限制,对于前端设计来说,通常需要在各个发射和接收通道上设计额外的分离器件滤波器,如图3所示。
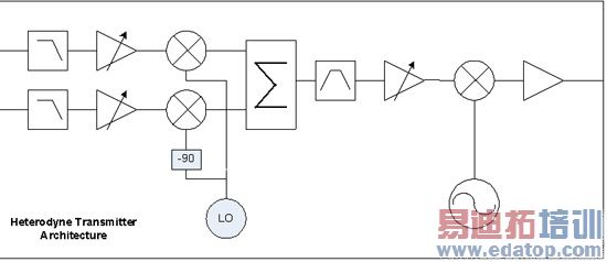
发射机架构
一个常见的超外差发射机架构如图4所示。

图4:超外差发射机架构。
滤波后的I/Q基带输入信号与正交的本振信号(LO)混频,然后产生一个恒定的中频(IF)信号,该中频频率通常位于兆赫级的低到中段。由于这是一个混合信号,故需要对其进行滤波,去除寄生信号,本振信号以及谐波信号。再通过与一个可变频率振荡器进行二次混频,形成最终的所需信道所要求的RF输出信号。增益控制被分配在不同部分。不过要想滤除无用的频率,并确保满足接收机频段所需的噪声和谐波指标,使用一个外部的SAW滤波器能够极大地缓解集成Tx通道的设计需求。经过滤波的带限单端输出信号被送到PA和双工器,从而完成了前端发射链。
Othello-3系列的3G收发器采用的是直接变频或“零外差”发射机架构,在这种架构中,正交的基带信号被直接上变频到RF载波。这就省去了二次混频,并省去了相关的RF寄生和各种无用频率的滤波电路,使得去掉外部的滤波器变为可能。不过,由于没有Tx滤波器衰减,需要考虑其它方面的事情,主要是如前所述的接收机频段的噪声电平。
为了解决这一问题,Othello-3系列产品包括了一个特色的调制器核设计,该设计中省去了LO通道的噪声源,而传统上该噪声源是远离载波(例如接收机频段)的各频率上的主要调制噪声。Othello-3的86dB的增益控制也被肢解集成到调制器核内,从而省去了信号通道上的额外电路,从而减小了相关的噪声贡献。低噪声设计技术贯穿整个发射机设计的各个部分,因而无需额外的滤波就可以直接满足带外噪声要求。这确保了在所有工作条件下性能最佳。校准全部是自校准而无需用户输入。调制器电路普遍来说与所有IC设计一样,都采用全差分信号处理,然而,Othello-3还带有一个巴伦,单端输出阻抗为50欧,可以直接送往PA模块,而不需要外部的匹配原件。
Othello-3发射通道还提供了优异的误差矢量幅度(EVM)和相邻信道泄漏比(ACLR)性能。省去了发射通道上的外部SAW滤波器大大减少了材料成本和PCB面积,并为多频段PA集成铺平了道路,正如GSM市场上所见的那样,一片PA封装内可以包括所有四个频段。
直接变频接收机
用在所有Othello收发器上的直接变频接收机架构,是一种优异的和经验证的收发器架构,其原因是其高集成度。在GSM接收机中,整个接收信号链都可以被集成。对于发射机信号泄漏到接收机是个问题的3G系统来说,以前需要采用级间滤波器,如图3所示。这就减小了关键的混频级以前的发射信号泄漏。在低噪声放大器(LNA)之后设置一个SAW滤波器,要确保滤波器损耗不能影响接收机灵敏度,不过这确是集成的一个障碍。
Othello-3包含三个LNA模块,两个适用于高频段,一个用于低频段。每个LNA有一个单端输入,可以容易地与各自的双工滤波器匹配。每个LNA包括一个最佳带通响应,以减小带外信号的电平以及发射机信号到混频级的泄露。Othello-3还采用了高线性度混频器设计,从而不需要外部级间滤波器,如图5所示。接收机增益控制被最佳分配到RF信号链和基带处理的各级上。为了方便增益的可编程和校准,Othello-3包括集成在内部的增益分配逻辑。基带只需要往芯片中写入一个单增益字,就可以自动实现最大动态范围条件下的最佳增益分配。

图5:去掉了外部滤波器的AD6551前端架构。
上面所述的例子说明了3G RF器件的集成,而供应商还在试制天线开关模块,其中包含所有的前端模式和带有GSM Rx SAW滤波器组的集成波段开关。
ADI Othello-3收发器目前由AD6551组成,最适用于WCDMA 3G手机,而AD6552适用于3G TD-SCDMA模式。这两款器件都可用于3GPP版本5以及HSDPA工作模式。
本文小结
目前的单模式2G手机,只利用3个主要的芯片封装,就可以实现整个四频段射频方案。该方案具有最小的空间并且具有所需的设计功能。初期的3G手机被限制到单频段模式,依赖于外部滤波器来满足指标,但这种架构对于多频段手机设计方案来讲,无论是尺寸还是成本上都不是最佳的选择。Othello-3省去了外部滤波器,从而使得在目前的3G收发器设计中能够实现前端器件和PA的进一步集成。随着集成技术和开关设计方面的进展,越来越多的前端器件可以逐步被集成,但利用Othello-3这样的收发器,可以实现全部优化的多模架构。
作者:Mike Durrant
RF应用工程师
ADI公司

