- 易迪拓培训,专注于微波、射频、天线设计工程师的培养
在高中频ADC应用中,如何改善增益平坦度而又不影响动态性能?
本文讨论一种将单端信号(通常来自经过缓冲的解调电路)转换成差分信号(以便馈入高中频ADC)的电路。这些电路使用一个宽带变压器、匹配电阻及滤波电容来完成此任务。还讨论了变压器的最优匹配方法,以便保持高速ADC的高动态范围,同时又使增益突起和带宽降低效应减至最小。
用200MHz变压器来实现单端至差分转换
我们选择MAX1449来示例及分析两种可能的输入配置。图1给出一种采用宽带变压器的典型交流耦合单端至差分转换设计方案,其中变压器采用Mini-Circuits®公司的T1-IT-KK81 (200MHz),采用50Ω一次侧匹配及25Ω/22pF滤波网络。在此结构中,来自50Ω阻抗信号源的单端信号通过变压器后被转换成差分信号。一次侧的50Ω匹配使信号源和变压器之间有良好的匹配。但这同时也意味着变压器一次侧和二次侧之间的失配。从一次侧看过去是一个组合的25Ω阻抗,而二次侧上却是一个很大的失配阻抗,即20kΩ的ADC输入电阻并联22pF电容。这将影响输入网络的频率相应,并将最终影响转换器的频率响应。变压器的标称漏感在25nH至100nH范围内。再加上22pF的输入滤波电容,将产生一个位于110MHz至215MHz之间的干扰谐振频率
在这个频率附近,将产生一个恼人的增益突起。

图1. 利用200MHz变压器将来自50Ω信号源的单端信号转换成差分信号。
用800MHz变压器来实现单端至差分转换
图2给出一种与图1类似的交流耦合配置,但这次是采用性能更好的宽带变压器,例如Mini-Circuits公司的ADT1-1WT (800MHz),采用一次侧匹配和25Ω/10pF滤波网络。尽管这种变压器具有75Ω的阻抗,但其较低的泄漏电感可获得更好的频率响应,-1dB频率高达400MHz,与之相比T1-IT-KK81则只有50MHz。

图2. 与图1类似,利用变压器将单端信号转换成差分信号,但这次是采用800MHz变压器,因此能提供更好的性能。
变压器—200MHz对比800MHz
图3给出两种匹配方案、滤波网络元件与变压器的测试结果。从图中的两条曲线可看出频响特性的显著改善。T1-IT-KK81型变压器在90MHz至110MHz之间明显地出现了一个大约0.5dB的增益突起,而ADT1-1WT型变压器的曲线在高达300MHz的频率范围内平坦度保持在0.1dB以内。这种条件(即ADT1-1WT型变压器、50Ω一次侧匹配以及在INP与INN上接10pF输入滤波电容)下的动态性能仍能在 = 50MHz频率上获得58.4dB的SNR。虽然图3中只给出80MHz至260MHz测试频率下的情况(仅对ADT1-1WT型变压器),但实验室测试结果证明,即使在输入频率远超出第8奈奎斯特区时,其增益平坦度仍能保持在0.1dB以内。

图3. 用800MHz变压器所获得的增益平坦度比用200MHz变压器所获得增益平坦度有很大的改善。
对变压器二次侧的阻抗进行匹配有助于进一步提高增益平坦度。方法之一是在变压器的二次侧,而非一次侧,进行匹配。
特别是对于高中频应用,匹配阻抗的位置非常关键。根据对增益平坦度及动态性能的不同要求,交流耦合输入进来的信号可在变压器的任何一侧进行匹配。宽带变压器是一种可方便快捷地在一个较宽频带上将单端信号转换成差分信号的常用器件。
一次侧匹配
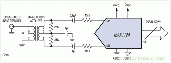
我们选择MAX1124 (10位,250Msps)来示例不同的匹配方案及其对ADC增益带宽及动态范围的影响。我们从一次侧匹配结构开始(图4a),将一个50Ω阻抗的两个分别接在变压器的顶端/底端和中心抽头之间的25Ω电阻上(图5a)。后接0.1µF交流耦合电容及输入滤波网络(15Ω串联电阻及ADC输入阻抗)。现在,馈入转换器的将是一个经过良好平衡的二次侧信号。和图4a中的配置一样,在INP与INN上没有连接其他的输入滤波电容。采用此种配置,几乎可完全消除450MHz至550MHz频率范围内的增益突起。如果需要,还可通过将15Ω隔离电阻换成30Ω来增加更多的直流衰减。尽管这种方法能使频率响应更加平坦,但也损失了一些带宽(图5b)。


图4. 在这个一次侧匹配结构中(图4a),变压器一次侧的良好平衡被二次侧的不平衡破坏了,在450MHz和550MHz之间产生最大增益突起(图4b)。


图5. 将经过良好平衡的二次侧信号馈入转换器(图5a),可完全消除450MHz至550MHz范围内的增益突起。同时还可增加直流衰减,使频率响应更加平坦,不过这会损失一些带宽(图5b)。
结论
本文的讨论表明,无源器件的正确选择不仅在高速模数转换器的输入网络设计中扮演着重要角色,而且正确地使用这些器件也一样重要。例如,如果增益平坦度是系统设计中的一个重要因素,则须小心避免在转换器的差分输入上产生不平衡及谐振,以确保真实地再现其动态性能。未使用输入滤波电容的那两种结构可能会有INP及INN拾取噪声之忧,对此问题的简单分析表明,这会导致0.2dB至0.5dB的信噪比(SNR)下降。当看重高带宽、宽频程内的增益稳定性(平坦度)以及高动态性能时,采用10位数据转换器的大多数高中频应用都能接受如此小的噪声性能下降。
本文来源于Maxim。
推荐阅读:
集成RF混频器与无源混频器方案的性能比较
LVDS为汽车应用提供可靠的视频接口
超声接收机VGA输出参考噪声和增益的优化
4路(3路数据 + 1路时钟) LVDS串行器/解串器的延迟裕量测试
正确选择输入网络,优化高速ADC的动态性能和增益平坦度

