- 易迪拓培训,专注于微波、射频、天线设计工程师的培养
深度解析ZigBee无线终端温度测试系统电路
录入:edatop.com 点击:
系统硬件电路设计
单个冷库温度无线监测系统的下位机主要是由单片机与温度传感器、无线射频收发器、键盘电路、显示电路、时钟电路等构成,上位机由单片机与无线射频收发器构成。下面将主要介绍上述几个模块的电路设计。上位机与下位机的单片机AT89C51的最小系统均如图所示,图中外接晶体以及电容C2、C3构成并联谐振电路,它们起稳定振荡频率、快速起振的作用,其值均为30PF左右,晶振频率选6MHZ。外接复位信号采用的是上电复位和手动复位的结合。

图1:单片机最小系统

图2:DS18B20与下位机单片机接口电路图
[page]
XBee Pro模块自带软件包,可以直接实现点对点的无线通讯,但需要提前将XBee Pro模块进行匹配,才能实现数据的无线通讯功能。因为单片机管脚电压为5V,而XBee Pro模块的管脚电压为3.3V,故若将两模块连接需使用光电隔离。其中上位机与下位机分别都有XBee Pro模块与单片机的连接,设计采用的是独立式键盘,以查询方式工作。直接用I/O口线构成单个按键电路,每个按键占用一条I/O口线,每个按键的工作状态相互不会产生影响,其接口电路如图。

图3:模块与单片机硬件电路图

图4:独立键盘电路图

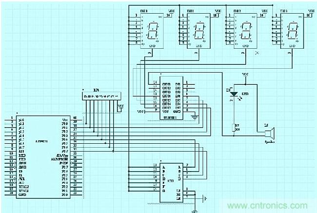
图5:显示电路
[page]
DSl337是一种超小型的串行实时时钟芯片,除了具有其他时钟芯片所具有的记录秒、分、时、星期、日、月、年,闹钟,可编程方波输出外,最大的特点是体积小,连线少,性能良好。下位机单片机AT89C51与串行时钟DS1337的硬件连接。

图6:下位机单片机连接图

图7:电平转换电路

