- 易迪拓培训,专注于微波、射频、天线设计工程师的培养
一种915MHz射频收发系统的ADS设计与仿真
1、引言
近几年来,无线射频识别技术越来越受各国重视。随着供应链管理、集装箱、工业、科研和医药等行业对3 m以上射频识别技术的需求不断增加,国内外已经把研究的热点转向超高频段和微波频段。射频电路的设计主要围绕着低成本、低功耗、高集成度、高工作频率和轻重量等要求进行。本文对915MHz射频收发系统做了进一步的研究。
ADS(Advanced Design System)软件是Agilent公司开发的,可以支持从模块到系统的设计,能够完成射频和微波电路设计、通信系统设计、射频集成电路设计和数字信号处理设计。该软件还可以完成时域和频域、数字和模拟、线性和非线性、电磁和数字信号处理等多种仿真。本文主要介绍了如何使用ADS设计收发系统,并在ADS的模拟和数字设计环境下进行一些仿真。
2、射频发射系统的设计与仿真
射频发射系统最重要的指标是系统增益。根据分析选择,发射系统的各个模块分别采用以下器件:Micro Devices公司生产的PLL400-875作为射频信号的发生器。该器件的输出中心频率为915 MHz。射频滤波器采用4DFA-915E-10,此芯片的中心频率是915 MHz,通带带宽为±13 dB,插入损失为2.2dB,波纹系数为1.0 dB,最大波纹比为20。混频器采用Mini-circuits公司生产的ADE-12MH。ADE-12MH的本振和射频信号的输入频率范围是10-1200 MHz,全波段转换损耗6.3 dB。功率放大器选用Sirenza公司的SPA-2118,该芯片的功率为1 W,工作范围是810 MHz-960 MHz。

图1、用于仿真的发射系统原理图
使用ADS软件创建射频发射系统的原理图,再在原理图中加入增益仿真控制器,就可以知道增益在系统各个部分的分配情况。用于仿真的发射系统的原理图如图2所示,仿真结果如图2所示。

图2、功率增益预算曲线
由图2可知,整个发射系统的增益为35.8 dB,因为输入的信号为-10 dBm,所以功率放大器输出的射频信号大小为25.8 dBm。
3、射频接收系统的设计与仿真
射频接收系统的设计与仿真使用行为级功能模块实现,行为功能模块包括天线、带通滤波器、低噪声放大器、混频器、本振信号源、中频滤波器和中频放大器等。接收端在设计中要考虑增益、噪声系数、灵敏度等因素,比发射端的设计更为复杂。由于接收端包含很多有源器件,有源器件的非线性对整个接收系统会产生很大的影响,比如当只输入一个信号时会出现增益压缩,当输入两个以上的信号时会出现互相调制等。
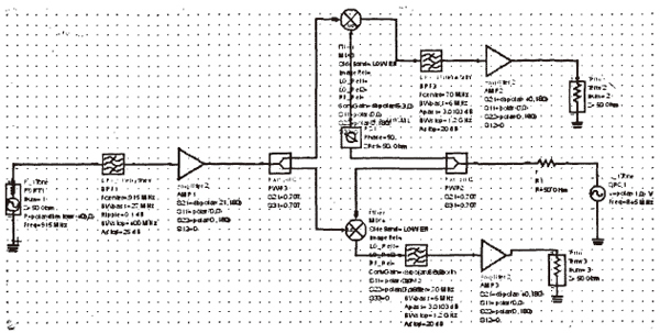
在本设计中,经过分析,混频器采用ADE-12MH。低噪声放大器采用两片AD8325分别对I,Q两路混频滤波后的信号进行放大,AD8325S通过编程控制放大器的数字接口,可以使增益0.75dB逐级变化,最后可以达到59.45 dB。为了保证功放芯片能尽量将能集中在我们所需的频率上,在功放之前加入一个射频带通滤波器,这样频率较高和较低的噪声信号可以得以滤除,使得输入功放的信号比较纯净。射频滤波器采用4DFA-915E-10。在此设计中,还用到了Minicireuits公司的功率分配器SCN-27和90度移相功分器QCN-27。使用ADS对接收系统进行建模,如图3所示。

图3、超外差式接收系统原理图电路
由于各个模块的参数均为已知,通过计算可以得出系统总的噪声系数,三阶互调截点等。噪声系数定义为系统输入信噪功率比(SNR)i=Pi/Ni与输出信噪功率比(SNR)o=Po/No的比值,常用F表示。噪声系数表征了信号通过系统后,系统内部噪声造成信噪比恶化的程度。噪声系数常用NF(单位为dB)表示。根据噪声系数的级联式(1)可以计算出系统总的噪声系数,系统总的噪声系数就是从图3中的低噪声放大器向输出端方向看过去所表现出的噪声系数,也可以理解为当接收信号由低噪声放大器传输到输出端,接收端对信噪比的恶化程度。
(1)
接收机的一个很重要指标是灵敏度,它定义为:在给定的信噪比的条件下,接收机所能检测的最低输入信号电平。灵敏度与所要求的输出信号质量(即输出信噪比)有关,还与接收机本身的噪声大小有关。接收机的灵敏度可由下式(2)计算得出:
Pin,min(dBm)=NRS(dBm/Hz)+NF(dB)+(SNR)o,min(dB)+10logB (2)
假设接收机输入端满足共轭匹配,由源内阻Rs产生的噪声输送给接收机的噪声功率为其额定输出,即:NRS=4KTaRs/4Rs=KTa。假设Ta=290 K,则NRS=-174 dBm/Hz。所以灵敏度可表示为:
Pin,min(dBm)=-174dBm/Hz+NF(dB)+(SNR)o,min(dB)+10logB
接收机所接收的信号强弱是变化的,通信系统的有效性取决于它的动态范围,即高性能的工作所能承受的信号变化范围。动态范围的下限是灵敏度,上限由最大可接受的信号失真决定。在本设计中考虑的是低噪声放大器的输入端的动态范围。动态范围可由下式(3)得到:
(3)
利用ADS软件对接收端进行S参数仿真,该仿真可以用于测量各个器件的S参数等。在本仿真中,可以看成是当900~930 MHz,以1 MHz为步长的各个频率分量通过该接收端时,接收端对各个频率分量的增益或衰减大小的仿真。仿真结果如图4所示。

图4 、S参数仿真结果
由仿真结果可知在中心频率915 MHz处,增益最大,为63.287 dB。在标记maker2处,频率与标记maker1处相差12.21 MHz,衰减相差14.698 dB,符合技术指标。在标记maker3处,频率与标记maker1处相差12.06 MHz,衰减相差13.080 dB,符合技术指标。

图5、接收系统功率增益预算曲线
利用ADS软件对接收系统进行增益预算仿真,可以知道系统增益在系统各个部分中的分配情况。仿真结果如图6所示。

图6、输入信号的功率谱
由图3可以看到在射频带通滤波器BPF1处,系统增益为-1 dB,这是因为射频带通滤波器有1dB的插入衰减。在射频放大器AMP1处,系统增益为20 dB,这是射频放大器的21 dB增益减去射频带通滤波器的1 dB插入衰减,系统前端总共有20 dB的增益。根据标记m7可知,在负载终端2系统增益为63.287dB。
接收机输出的信号是射频频率与本振频率的差值以及它们的各次谐波和互调,各次谐波和互调通过中频滤波器时已经衰减,通过接收机的频域响应可以查看上述频率转换。在ADS软件中,谐波平衡仿真主要用于频域分析,采用谐波平衡仿真可以得到接收机的频域响应。仿真结果如图7所示。

图7、中频输出的功率谱
由图4可以看出,输入端口在915 MHz时,信号为-39.999 dBm,这与输入端口的的单频功率源输入功率一致。由图5可知,中频输出端口在70MHz时,信号为22.501 dBm。
4、结语
通过对实际的集成射频模块的选择,以及利用ADS分别对射频接收和发射系统的仿真,可以得到系统的一些重要性能指标。通过对这些性能指标进行分析,可以得出设计的射频收发系统是可行的,可以满足实际无线通信环境对射频系统的要求。
作者:李宝山,张香泽
如何成为一名优秀的射频工程师,敬请关注: 射频工程师养成培训
上一篇:使用CAD软件和EDA工具设计一种2.6GHz带宽的微带发夹滤波器
下一篇:解析Analyst全新的集成化三维电磁仿真工具

