- 易迪拓培训,专注于微波、射频、天线设计工程师的培养
几种超小型GaAs微波/毫米波集成电路移相器
几种超小型GaAs微波/毫米波集成电路移相器
戴永胜1,陈堂胜2,俞土法2,陈新宇2,郝西平2,陈效建2,林金庭2
1引言
随着电子技术的发展及军用和商用电子系统的需求,许多电子系统的工作带宽不断拓宽,宽带技术是当今热点和最前沿的电子技术之一。而宽带的数字/模拟移相技术又是其中的难点技术之一。砷化镓微波单片集成电路移相器由于其体积小、重量轻、开关速度快、无功耗、抗辐射、可靠性高和电性能批量一致性好等显著优点,迎合了当今许多先进军用和民用电子系统中的需求。本文介绍的1GHz~26GHzGaAsMMIC移相器就是为解决这些难点技术所进行的尝试,并获得了非常好的结果。它表明在1GHz~26GHz频率范围内,通过移相单元级联或提高移相单元标称相移量(如:从11.25°提高到22.5°)方法可以获得超宽带高性能的360°模拟移相器和不同相移量的数字移相器。
本文介绍的移相器另一个显著特点是:不需要电平驱动和转换电路,通过相对直流电位差的原理实现开关MESFET多极性控制信号的兼容,并且在超宽带频率范围内,不影响微波电性能,也不影响控制信号的开关速度。实现这种功能的重大意义在于:可以预先简化系统的控制驱动电路,消除由于系统的控制驱动电路带来的体积、造价、功耗、开关延时和系统复杂性的增加,提高了系统的可靠性。这是因为开关MESFET的控制通常是MESFET的源极接地,控制信号接栅极,此时控制信号分别为0V或VP。VP是开关MESFET负极性的夹断电压。而大部分系统控制信号为TTL或CMOS电平等,电平极性不匹配。为此要增加Si或GaAs的电平驱动和转换电路。有的采用一体集成,有的分别集成,由此给系统带来一系列不利因素。
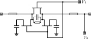
2移相器的设计
为了获得超宽带、高性能、超小型的数字/模拟移相兼容,控制信号电平极性兼容的移相器,其关键是在考虑微波电指标要求和电路拓扑的同时,还要一并考虑直流参考电位的设计,这对选择电路拓扑非常重要。本文基于上述考虑选择的电路拓扑如图1所示,图1中VR是参考电压,V1是控制电压,数字移相状态时,控制信号为VR或VR-|VP|;,模拟移相状态时,控制信号从VR到VR-|VP|或从VR-|VP|到VR均匀变化时,相移随控制电压在0和标称相移量之间均匀变化。开关MESFET栅极和控制源之间通过2.5kΩ的电阻联结,以保证相互之间有足够的射频隔离。选择适当的VR可方便实现不同极性控制信号兼容。图1中两只接地电容为等效电路,可以根据不同的频段和要求采用不同的实现形式,本文中就采用了多种实现形式如:微带开路线分支、扇形微带分支和蝴蝶状微带分支。据我们所知,将具有宽带特性的径向传输线:扇形微带分支或蝴蝶状微带分支作为移相电路元件之一,应用到GaAsMMIC宽带移相电路中,在世界上尚属首次。采用这类宽带元件的好处是可以拓宽电路的宽带特性。

设计中电性能的主要考虑:在要求的频带内,获得低相移误差;低的各态输入/输出驻波;低插入损耗和起伏;不同状态下的低插入损耗差。为保证设计一次成功,多倍频程的电路模型参数的准确度显得十分重要,尤其是多倍频程的开关MESFET的电路模型参数,为了获得最佳电性能,不同的开关MESFET必须采用不同的最佳栅宽,因此设计中采用了模型参数比例缩放技术。电路模型参数提取采用HPIC-CAP软件和响应的提取系统,电路优化采用HPEESOF软件。整体性能优化还要考虑版图的寄生影响。
3制造
移相器芯片制造采用南京电子器件研究所标准的GaAsMMIC离子注入圆片工艺线,制造中采用工艺监控技术以确保高成品率。
4性能
移相器芯片的电性能测量采用HP8510C矢量网络分析仪和CascadeMicrotech微波探针台组成的微波在片测试系统。测量的各种电性能参数如:相移,输入/输出驻波及插入损耗曲线分别如图2的(a)、(b)、(c)、(d)所示。图2给出的是带微带开路分支线方案的测试结果。结果表明:在1GHz~26GHz频率下,低峰值相移误差≤4°;低输入/输出驻波≤1.5(1GHz~22GHz),≤1.8(22GHz~26GHz);低插入损耗及起伏≤1.0dB±0.5dB(1GHz~22GHz),2.5dB±1.0dB(22GHz~26GHz)。由于几种方案的优化和测试的结果均相近,故以带微带开路分支线方案的测试结果为依据,对其它几种方案测试结果进行比较,其改善程度和差别说明如下:(1)带微带扇形分支线的电路拓扑,峰值相移误差改善1°~2°其余指标略有改善;(2)带微带蝴蝶状分支线的电路拓扑,峰值相移误差改善2°~3°,其余指标略有改善。




5结语
几种新颖的带宽比高达1:26多倍频程砷化镓微波单片集成电路11.25°数字/模拟移相器已经开发成功,获得了好的微波性能和小的芯片尺寸。由于采用了新颖的宽带电路拓扑和宽带径向传输线分支作为移相电路元件的方案,从测试结果看,在频率范围1GHz~22GHz时,微波电性能非常好,宽带内输入/输出驻波低,兼容多个移相单元直接级联,从而构成带宽比大于1:20的360°模拟移相器和不同相移量的数字移相器。采用同样的原理适当提高移相单元的最大相移量,可以减小级联后移相器的总的插入损耗和体积,这种移相器由于采用离子注入工艺和工艺监控技术制造,成品率高,芯片间和圆片间电性能一致性好。
如何成为一名优秀的射频工程师,敬请关注: 射频工程师养成培训
上一篇:汉福数字微波SDH指针调整频繁的原因
下一篇:2~18GHz微波宽带限幅放大器

