- 易迪拓培训,专注于微波、射频、天线设计工程师的培养
UMTS 基站接收器占板面积仅为半平方英寸
在满足宏蜂窝基站性能要求的前提之下,集成度究竟能够达到多高? 工艺技术仍然限定某些重要的功能部件必须采用特殊工艺来制造:在射频 (RF) 领域采用GaAs 和 SiGe 工艺,高速 ADC 采用细线 CMOS 工艺,而高品质因数 (High-Q) 滤波器则无法采用半导体材料很好地实现。此外,市场对于提高集成度的需求并没有停止。
考虑到上述问题,凌力尔特决定采用系统级封装 (SiP) 技术来开发占板面积约为 1/2 平方英寸 (仅刚刚超过 3cm2) 的接收器。接收器的边界处有 50Ω RF输入、50Ω LO 输入、ADC 时钟输入及数字 ADC 输出。该边界留待增加低噪声放大器 (LNA) 和 RF 滤波,用于输入、LO 和时钟发生,以及数字输出的数字处理。在 15mm x 22mm 封装内是一个采用 SiGe 高频组件、分立无源滤波和细线 CMOS ADC 的信号链路。
本文将对 LTM®9004 微型模块 (µModule®) 接收器 (一款直接转换接收器) 进行设计分析。
设计目标
设计目标是通用移动通信系统 (UMTS) 上行链路频分双工 (FDD) 系统,特别是处于工作频段 I 的中等覆盖范围基站 (详见 3GPP TS25.104 V7.4.0 规范)。对于接收器而言,灵敏度是一个主要的考虑因素,输入信噪比 (SNR) 为 -19.8dB/5MHz 时,所要求的灵敏度 ≤-111dBm。这意味着接收器输入端的有效噪声层必须 ≤-158.2dBm/Hz。
设计分析:零 IF 或直接转换接收器
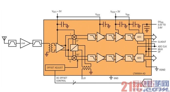
LTM9004 是一款采用了 I/Q 解调器、基带放大器和双通道 14 位 125Msps ADC 的直接转换接收器 (如图1所示)。LTM9004-AC 低通滤波器在 9.42MHz频率下具有一个 0.2dB 的拐角,从而允许 4 个 WCDMA 载波。LTM9004 可与RF 前端一起使用,构成一个完整的 UMTS 频段上行链路接收机。RF 前端由一个双工器以及一个或多个低噪声放大器 (LNA) 和陶瓷带通滤波器组成。为最大限度地减低增益和相位失衡,基带链路采用了一种固定增益拓扑结构。因此,在 LTM9004 之前需要布设一个 RF 可变增益放大器 (VGA)。这里给出了此类前端的典型性能示例:
接收 (Rx) 频率范围:1920MHz 至 1980MHz
RF 增益:15dB (最大值)
自动增益控制 (AGC) 范围:20dB
噪声指数:1.6dB
IIP2:+50dBm
IIP3:0dBm
P1dB:-9.5dBm
20MHz 时的抑制:2dB
发送 (Tx) 频段上的抑制:96dB

图 1:在 LTM9004 微型模块接收器中实现的直接转换架构
考虑到 RF 前端的有效噪声影响,由 LTM9004 所引起的最大可容许噪声必须为 -142.2dBm/Hz。LTM9004 的典型输入噪声为 -148.3dBm/Hz,由此计算出的系统灵敏度为 -116.7dBm。
通常,此类接收器可受益于 ADC 之后的某些数字化信号之 DSP 滤波。在这种情况下,假设 DSP 滤波器是一个具有 α = 0.22 的 64 抽头 RRC 低通滤波器。为了在出现同信道干扰信号的情况下工作,接收器在最大灵敏度下必须拥有足够的动态范围。UMTS 规范要求最大同信道干扰为 -73dBm。请注意,对一个具有 10dB 峰值因数的已调制信号而言,在 LTM9004 的 IF 通带之内,-1dBFS 的输入电平为 -15.1dBm。在 LTM9004 输入端,这相当于 -53dBm,或者 -2.6dBFS的数字化信号电平。
当 RF 自动增益控制 (AGC) 设定为最小增益时,接收器必须能从手机中解调出预计所需的最大信号。这种要求最终将 LTM9004 必须提供的最大信号之大小设定在 -1dBFS 或其以下。规范中所要求的最小路径损耗为 53dB,且假定手机的平均功率为 +28dBm。那么在接收器输入端,最大信号电平即为 -25dBm。这等效于 -14.6dBFS 的峰值。
UMTS 系统规范中详细说明了几种阻断信号。在存在此类信号的情况下只允许进行规定了大小的减敏,灵敏度指标为 -115dBm。其中的第一种是一个相距 5MHz的相邻信道,其电平为 -42dBm。数字化信号电平的峰值为 -11.6dBFS。DSP 后处理将增加 51dB 抑制,因此,这个信号在接收器输入端相当于一个 -93dBm 的干扰信号。最终的灵敏度为 -112.8dBm。
而且,接收器还必须与一个相隔 ≥10MHz 的 -35dBm 干扰信道竞争。μModule 接收器的 IF 抑制将使这个干扰信道衰减至相当于峰值为 -6.6dBFS 的数字化信号电平。经过 DSP 后处理,其在接收器输入端上相当于 -89.5dBm,最终的灵敏度为 -109.2dBm。
另外,还必须考虑到带外阻断信号,但这些带外阻断信号的电平与已经讨论过的带内阻断信号相同。
在所有这些场合中,LTM9004 的 -1dBFS 典型输入电平均远远高于最大预期信号电平。请注意,已调制信道的峰值因数将大约在 10dB ~ 12dB,因此,在LTM9004 的输出端上,其中最大的一个将达到约 6.5dBFS 的峰值功率。
最大的阻断信号是 -15dBm 连续波 (CW) 音调 (超过接收频段边缘 ≥20MHz)。RF 前端将对这个音调提供 37dB 抑制,因此,它出现在 LTM9004 的输入端时将为 -32dBm。此时,这种电平值的信号仍然不允许降低基带 μModule 接收器的灵敏度。等效的数字化电平峰值仅为 -41.6dBFS,因此对灵敏度没有影响。
另一个不想要的干扰信号功率源来自发送器的泄漏。因为这是一种 FDD 应用,所以此处描述的接收器将与一个同时工作的发送器相耦合。该发送器的输出电平假定为 ≤+38dBm,同时"发送至接收"的隔离为 95dB。那么,在 LTM9004 输入端上出现的泄漏为 -31.5dBm,相对于接收信号的偏移至少为 130MHz。等效的数字化电平峰值仅为 -76.6dBFS,因此不会降低灵敏度。
直接转换架构的一个挑战是二阶线性度。二阶线性度不理想将允许任何期望的或不期望的信号进入,这将引发基带上的 DC 失调或伪随机噪声。如果这种伪随机噪声接近接收器的噪声电平,那么上面详细讨论过的那些阻断信号将降低灵敏度。在这些阻断信号存在的各种情况下,系统规范都允许灵敏度降低。按照系统规范的规定,-35dBm 阻断通道可以使灵敏度降至 -105dBm。如我们在上文中看到的那样,这种阻断信号在接收器输入端上构成了一个 -15dBm 的干扰信号。LTM9004 输入所产生的二阶失真大约比热噪声低 16dB,结果,预测的灵敏度为 -116.6dBm。
-15dBm 的 CW 阻断信号还将导致二阶分量;在这种情况下该分量是一个 DC 失调。DC 失调是不希望有的,因为它减小了 A/D 转换器能够处理的最大信号。一种减轻 DC 失调影响的可靠方法是,确保基带 μModule 接收器的二阶线性度足够高。在 ADC 的输入端,由于这一信号所产生的预测 DC 失调 <1mV。
请注意,系统规范中并不包括发送器泄漏。所以,因这一信号产生的灵敏度下降必须保持在最低限度。发送器的输出电平假定为 ≤ +38dBm,与此同时,"发送至接收"隔离为 95dB。LTM9004 中产生的二阶失真导致的灵敏度损失将 <0.1dB。
在规范中对于三阶线性度仅有一个要求。这是在存在两个干扰信号的情况下,灵敏度不得降至低于 -115dBm。这两个干扰信号是一个 CW 音调和一个 WCDMA 信道,它们的大小均为 -48dBm。这些干扰信号均以 -28dBm 的大小出现在 LTM9004 的输入端。它们的频率与期望的信道相隔 10MHz 和 20MHz,因此,三阶互调分量将位于基带上。此时这个分量仍然以伪随机噪声的形式出现,因而致使信噪比降低。LTM9004 中产生的三阶失真比热噪声层大约低 20dB,预计的灵敏度下降值 <0.1dB。
测量性能
通过采用图 2 中示出的评估板,LTM9004-AC 获得了优异的测试结果 (如图 3 和 4 所示)。测试装置包括两个用于 RF 和 LO 的 Rohde & Schwarz SMA 100A 信号发生器以及一个用于 ADC 时钟和 TTE 嵌入式滤波器的 Rohde & Schwarz SMY 01 发生器。

图 2:设计一款完整接收器所需的外部电路极少

图 3:单音调 FFT

图 4:基带频率响应
采用 5V 和 3V 电源时,LTM9004-AC 的总功耗为 1.83W。其 AC 性能包括 72dB/9.42MHz SNR 和 66dB SFDR。
结论
LTM9004 不但拥有 UMTS 基站应用所需的高性能,而且还提供了对于紧凑型设计而言必不可少的小尺寸和高集成度。通过运用 SiP 技术,这款 μModule 接收器可采用以最优工艺 (SiGe、CMOS) 制作的组件及无源滤波器元件。

