- 易迪拓培训,专注于微波、射频、天线设计工程师的培养
基于射频的无线通信技术研究
0 引 言
现代通信技术的发展, 数据传输是一个重要的研究内容。目前有线通信技术始终是市场的主流, 这也是在空间区域不能自由布线的最大瓶颈, 而无线通信技术是该问题一个很好的通信方案。以成品的无线通信芯片作为通信媒介更能解决基础硬件搭建调试及后期维护的难度。本文采用同类产品中性价比较高的芯片NRF24L01 , 配合简单外围电路和降低芯片, 实现对其控制, 很好地解决了这一问题。
本文的控制部件选用AT 89C51 型单片机。由于这种芯片只有SPI 通信接口, 而目前常用的单片机都没有这种接口, 因此需要对该芯片的通信时序进行模拟,所以在控制器里编程时要严格按照芯片工作时序进行。
1系统硬件组成
1. 1NRF24L01 芯片
NRF24L01 芯片是具有2. 4 GHz 内嵌基带通信协议引擎功能的收发芯片。通过SPI 接口对芯片内部寄存器映射操作, 可以使其在空中的传输速度最大达到2 Mb/ s。
该芯片主要特点包括GFSK 调制技术: 126RF 频道满足多点通信需要: 1~ 2 Mb/ s 空中数据传输速率:内置硬件CRC 检错和点对点通信地址控制: 发送方电源可以通过编程输出0 dBm, - 6 dBm, - 12 dBm,- 18 dBm: 芯片可以通过软件设置地址, 确保通过地址认证双方才能通信: 接收方采用集成通道过滤器, 可编程的增益设置: 主机接口采用4 根SPI 硬件接口线, 最大8 Mb/ s传输速率, 3 个32 字节的T X 与RX 的FIFO寄存器, 5 V 容抗输入。
该芯片引脚功能如图1 所示, 引脚1 为CE 数字信号输入, 引脚2 为CSN 数字信号输入, 引脚3 为SCK数字信号输入, 引脚4 为MOSI 数字信号输入, 引脚5为MISO 数字信号输出, 引脚6 为IRQ 数字信号输, 引脚7, 15, 18 为VDD 电源, 引脚8, 14, 17 为VSS 电源,引脚9 为XC2 模拟输出, 引脚10 为XC1 模拟输入, 引脚11 为VDD_PA 电源输出, 引脚12 为ANT 1 射频,引脚13 为A NT2 射频, 引脚16 为IREF 模拟输入, 引脚19 为DVDD 电源, 引脚20 为VSS 电源。
在硬件搭建时特别要注意在SPI 接口与51 单片机的P0 引脚相接时需要接10 kΩ 的上拉电阻, 其余的接口不需要。VCC 引脚接入电压范围为1. 9~ 3. 6 V, 不能在这个区间之外, 超过3. 6 V 将会烧毁模块, 推荐电压3. 3 V。因为这样可以直接和NRF24L01 模块的I/ O口线连接。如果是其他系列的单片机, 其电源是5 V, 单片机I/ O 口输出电流如果超过10 mA 时需要串联电阻分压, 否则容易烧毁模块。例如AVR 系列单片机电源是5 V, 需串接2 kΩ的电阻。

图1 NRF2401 芯片引脚功能图。
1. 2NRF24L01 芯片构成的通信模块电路设计
NRF24L01 芯片通信模块电路核心器件NRF24L01 配合网络晶振、解耦电容、偏极电阻一起工作构造稳定射频通信模块。该芯片是贴片结构, 模块占用空间少, 如图2 所示。

图2由NRF24L01 芯片构成的通信模块电路图。
1. 3电源电路
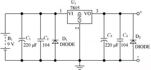
电源电路如图3 所示, B1 是9 V 蓄电池或者锂电池, 能够反复充电。C1 , C2 , C3 , C4 都是滤波电容, 起到一次与二次滤波作用。D1 , D2 是稳压二极管, 使输出端的电压稳定在理想的水平电压。芯片7805 是三端稳压集成电路芯片, 具有正电压输出。其电路内部还有过流、过热及调整管等保护电路, 最终目的把9 V 电源转变成稳定5 V 输出, 为后续设备供电。
1. 4系统通信电路设计
系统通信电路如图4 所示。本电路中应用单片机AT89C51作为控制芯片, 对NRF24L01 主通信模块的接口时序模拟和对数据的发送与接收进行处理。

图3电源电路图。

图4系统通信电路图。
1. 5与PC 机通讯电路设计
如果单片机通信电路与单片机通信电路通信, 则两个硬件电路和图4 相同, 只是在软件设计时需在每个通信端设定不同的通信地址, 以辨认每个通信端口。若是单片机通信电路与PC 机或者具有COM 口的设备电路通信, 则需要一个转接电路, 其硬件电路如图5 所示。

图5 SPI 接口与MAX232 通信硬件电路图。
在图5 所示的电路中, 单片机左侧是一块MAX232芯片, 其作用是将PC 机中的232 电平与单片机的T TL 电平匹配。最左侧是9 芯母接头, 在使用时可接在计算机COM 口上与计算机通信。单片机右侧接一块射频通信模块。由于此块单片机同样没有SPI 接口, 所以需要用普通接口软件模拟SPI 接口, 其编程要严格按SPI 端口的通信逻辑时序。
2单片机控制实现算法
通信芯片可以工作在四种模式下, 即: 配置模式、空闲模式、关机模式和收发模式。工作模式由PWR_U Pregister、PRIM_RX register 和CE 三个寄存器共同决定。在工作模式的收发模式中推荐使用EnhancedSho ckBurst 收发模式, 因为在这种工作模式下, 系统的程序编制会更加简单, 并且稳定性也会更高。两种算法流程图如图6 所示。

图6 发射流程与接收流程。
3结语
( 1) 提出基于射频的无线通信技术方案, 并且按照该方案搭建硬件电路。
( 2) 设计单片机控制算法, 在PC 机中编好上位机软件, 执行机构能迅速执行预定结果, 反应时间小于1 ms。
( 3) 在执行机构遇到障碍时, 能返回准确命令, 使上位机捕捉到相应信息, 直接反映双向通信效果好。
( 4) 系统稳定可靠, 数据传输丢失率很小, 低于0. 01%。
( 5) 芯片互换性好, 可根据不同传输距离选择不同芯片, 软件不需改动。
如何成为一名优秀的射频工程师,敬请关注: 射频工程师养成培训
上一篇:解读电磁辐射的两种标准
下一篇:基于ZigBee的森林火灾监测设计

