- 易迪拓培训,专注于微波、射频、天线设计工程师的培养
小型共面波导馈电H型枝节超宽带天线设计
1 引言
与微带传输线相比,共面波导传输线具有更低的辐射泄漏和更小的分布参数,在单片微波集成电路领域变得越来越常见。超宽带技术具有数据传输率高、抑制多径干扰能力强等诸多优点,在未来的通讯系统中是一种极具潜力的解决方案。自从2002年2月美国联邦通信委员会(FCC)将3.1-10.6GHz频段划归超宽带(UWB)的民用频段,UWB无线通讯系统的设计和应用便成为科学界和工程界的热门研究课题。
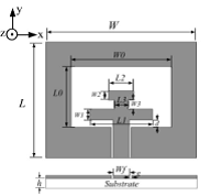
高速无线通讯正朝着宽带化和小型化方向发展,无线移动通讯设备越来越需要性能优良和尺寸较小的器件。在这样的系统中,用来接收和发射信号的天线是一个关键部件。合适的天线设计在一定程度上可以降低电路设计的难度,同时改善系统性能。近些年来,小型化天线受到越来越多的关注。减小天线尺寸通常可通过使用高介电常数的材料和优化天线几何结构来达到。在小型化天线的设计中,平面单极子天线、缝隙天线和偶极子天线等众多结构都可以用来实现小型化的要求。本文采用共面波导馈电结构和H型枝节设计了一种新的小型化超宽带天线,天线如图1所示。该天线尺寸为19×24×1.6 mm3,在3.3-12.1GHz频率范围内,该天线的电压驻波比小于2,具有良好的宽带阻抗匹配特性。

图1 天线结构图
2 天线仿真和分析
天线结构如图1所示,参数L0和W0分别为矩形槽的宽度和长度,d为H型枝节和馈电线之间的距离,L1和W1分别为H型枝节下端贴片的长度和宽度,L2和W2分别为H型枝节上端贴片的长度和宽度,L3和W3分别为H型枝节中间贴片的长度和宽度。L和W分别为天线的长度和宽度。本文中,选用厚度h为1.6mm、相对介电常数为4.4(FR4)的介质板。
共面波导馈电结构采用50Ω阻抗匹配,馈线宽度为2.6mm,缝隙宽度g为0.3mm。天线实物照片如图2所示。

图2 天线实物图
为了评估本文所设计天线的性能,我们用HFSS 12仿真软件对其进行仿真和分析。天线最优参数值如表1所示。
图3为电压驻波比(VSWR)的仿真与测量结果对比图,从图中可以看出,天线的阻抗带宽为8.8 GHz(3.3-12.1 GHz)。
表1 天线最优参数表
| 参数 | 最优值 |
| L | 19mm |
| W | 24mm |
| L0 | 10mm |
| W0 | 16mm |
| L1 | 10mm |
| W1 | 1.8mm |
| L2 | 4mm |
| W2 | 1.5mm |
| L3 | 2.2mm |
| W3 | 1.5mm |
| d | 1.2mm |

图3 天线电压驻波比图
如何成为一名优秀的射频工程师,敬请关注: 射频工程师养成培训
上一篇:Bluetooth推出蓝牙核心规格更新版本-蓝牙 4.1版本
下一篇:英国一NFC研究成功截取无接触支付传输信号

