- 易迪拓培训,专注于微波、射频、天线设计工程师的培养
MIMO接收器需要高性能的双通道无源混频器
录入:edatop.com 点击:
传统基站维持的是一种由温度控制的环境,并要求组件能在高达+85℃的温度下运作。然而,较小的蜂窝和远端射频头却使组件面临着一种更加严酷的环境,组件被要求能够在高达 +105℃的温度下工作。LTC559x混频器专门针对+105℃的温度条件进行了设计和实际的测试,旨在满足上述要求。
为尽量减小解决方案尺寸, LTC559x混频器组装于小型5mm x 5mm 24引线QFN封装。不过,小封装尺寸只是导致总体解决方案尺寸减小的原因之一。高集成度将所需的外部组件数目减少至大约19个,从而最大限度地缩减了电路板面积、复杂性和成本。
接收器应用
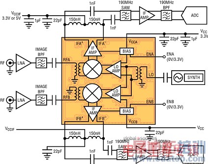
图3给出了LTC559x混频器在一个双通道接收器中的功能示意图。在把单端RF信号施加至混频器输入端之前对其进行放大和滤波。在该实例中示出的是差分IF信号通路,免除了增设一个IF平衡-不平衡转换器的需要。SAW滤波器、IF放大器和集总元件带通滤波器均为差分型。

图3:LTC559x双通道无源混频器在接收器中的应用
在许多MIMO接收器中均使用了高灵敏度SAW滤波器,旨在隔离混频器输出端上不想有的杂散信号和噪声。混频器的8dB转换增益可补偿这些滤波器的高插入损耗,并减轻它们对于系统噪声层的影响。总体混频器性能可接纳滤波器损耗,同时使接收器能够满足灵敏度和杂散性能要求。
多通道接收器的另一个重要规格指标是“通道间隔离”。通道间隔离是相对于受驱动通道输出IF电平的未驱动通道输出IF电平。该参数的规定值通常优于“天线间隔离”(高10dB),以避免导致系统性能下降。凭借其精准的IC设计,LTC559x混频器实现了大于45dB的通道间隔离,可满足大多数多通道应用要求。

