- 易迪拓培训,专注于微波、射频、天线设计工程师的培养
数字通信系统接收电路的中频滤波电路设计
在数字通信接收电路的设计中,优良的中频滤波电路可以实现好的频率选择性和灵敏度,并尽可能减少信号失真和干扰。本文以实际的电路设计介绍了数字通信系统接收电路的中频滤波电路设计方法,并对电路性能进行了测试和分析。
一个935-960MHz数字通信接收电路的中频滤波电路设计的关键是选择中频滤波器,以及设计滤波电路获得好的选择性和高的灵敏度,并尽可能减少信号失真和干扰。现有的中频滤波器有晶体滤波器、陶瓷滤波器和声表面滤波器等。晶体滤波器以分立元件接入附加电路,需进行调整,很不方便;陶瓷滤波器的重量和中心频率难以满足我们的设计需求。在我们的项目中选择了声表面滤波器(SAWF),这种滤波器体积小、重量轻、中心频率可做得很高,而且具有相对带宽较宽、理想的矩形选频特性和频率响应平坦(不平坦度仅为±0.3-±0.5dB,群时延±30-±50ns)等特点,虽然插入损耗高达25-30dB,但可以用放大器补偿电平损失。
中频滤波IPF实现方法
本项目中从混频出来的中频信号为336MHz的固定频率信号,为了衰减滤除无用的频率和干扰,选出有用的频率分量,混频后需加一个中频滤波器。本设计中的中频滤波用一片SAWF就可以解决。下面给出声表面波滤波器的简单的原理介绍和具体设计分析。
整个声表面波滤波器的等效电路如下图1所示,左边为发送换能器,G中消耗的功率相当于转换为声能的功率。右边为接收换能器,GL为负载电导,GL中消耗的功率相当于再转换为电能的功率。
电阻R(1/G)为辐射电阻,其值为
式中,k2是有效耦合系数,是压电衬底电场和声场之间耦合强度的定值,N为换能器的周期段;C为换能器的极间总电容C=NCt,其中Ct是每对叉指的极间电容,可表示为
式中,ε0为自由空间的界电系数,εr为衬底材料的界电系数,L为叉指孔径。L的值可在一定的限度内变动,以使滤波器的等效导纳达到适当的值。
换能器的等效品质因数:
频带的相对带宽应等于:
显然,当两个带宽相等时才能得到最大带宽。由此可求得N的最加值为
这时最大相对带宽
插入损耗和电路设计
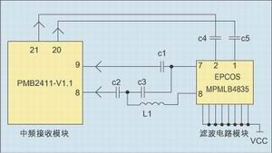
滤波器的插入损耗主要由终端接上负载后产生,故声表面滤波器接入电路后要考虑与外围电路匹配。根据系统的设计要求,采用的声表面滤波器的芯片为EPCOS推出便于监视的功率因子控制器" target=_blank>EPCOS MPMLB4835,其中心频率为336MHz,符合设计的要求,如电路2所示。
混频后的中频信号从中频接收模块的第20、21脚输出,经耦合电容C4和C5送到声表面滤波器滤波电路中。滤波后的信号从声表面滤波器的第7、8脚输出,经耦合滤波后再送到接收模块进行中频放大,在本设计中接收模块选用PMB2411-V1.1来实现。该芯片的特点是功耗低、电子噪声小、集成度高,内部不仅集成了两次混频电路,还集成了高频放大电路以及中频放大电路,使整体电路的设计更为简洁。
电路参数设计
图中C1和C2作为耦合电容,可取0.01uF,同样C4和C5也是耦合电容。L1和C3组成的滤波器外围电路用来消除器件内部产生的噪声,L1滤除大于336MHz的频率干扰。
将其幅度归一化,若EPCOS MPMLB4835第7脚的幅度为1,则在C2和C3之间最大频率fmax=336MHz+3kHz,以及最小频率fmin=935MHz-3kHz的幅度应为0.707,根据幅频特性,即
所以

经计算L1可取0.2uH,C3用作平衡信号,可取0.5pF。
测试分析与结论
对滤波电路在实际应用环境中进行测试。测试利用毫伏表、稳压电源、高频示波器,测试环境温度为26℃ 、压为750±30mmHg、相对湿度<90%。
手机电路的正常的供电电压是3.6V,当电池的供电电压低于3.3V时,手机就不能工作了,即3.3V是手机工作的临界电压。当电池的电压降低时,各信号的电压有所下降。电压的降低,会对接收系统的性能有严重影响,这主要是因为频率合成器如不能达到正常的工作电压范围,就不能提供稳定频率的本振信号,混频后的中频将不是固定值,使噪声干扰加大,接收到的语音信号有较大的噪音。
当手机电路的工作在临界电压时,第一混频前的高频载波信号放大后的幅值在1.0±20%的边界,第一本振信号的幅值在1.2V±30%的边界,混频后的中频信号的幅值在0.9V±15%的边界,中频滤波后信号的幅值在0.9V±25%的边界,第二本振的幅值中频滤波后的信号的幅值在1.7V±15%的边界,其结果与设计的要求基本吻合。
实验测试结果发现,当工作电压在3.3~3.6V范围时,第一混频前的高频载波信号放大后的幅值、第一本振信号的幅值、混频后的中频信号的幅值以及中频滤波后的信号的幅值均能满足设计要求。
作者:马学文
桂林工业学院
朱名日
中南大学

