- 易迪拓培训,专注于微波、射频、天线设计工程师的培养
降低射频连接器电压驻波比的研究
一、引言
射频连接器是无线电电子设备和仪表中必不可少甚至是关键的电子元件。电压驻波比是射频连接器的一项极重要的电气参数。
随着科学技术的进步,对射频连接器电压驻波比提出了越来越高的要求。许多连接器专家为此竭尽努力,取得了显著的进展。到了七十年代中后期,射频连接器的发展 在国际上达到鼎盛时期,其主要标志是相继研制出21mm、14mm、7mm和3.5mm精密同轴连接器和各种精密转接器,工程用射频连接器的电压驻波比性 能也有显著提高,扫频测量取代了点频测量,并且出现了时域测量技术。在国内,随着微波通信技术和测量方法的进步,分米波电视的发展,对连接器电压驻波比的 要求也越来越高,如要求研制工作在0~18GHz驻波比小于1.30的SMA连接器、0~18GHz驻波比小于1.40的连接器电缆组件、0~1GHz驻 波比小于1.05的分米波连接器以及驻波比小于1.02的各种精密转接器。研制工作到40GHz驻波比小于1.50的毫米波连接器也提到议事日程上,本研 究的目的在于为研制宽频带低驻波比射频连接器提供设计依据。
二、影响射频连接器驻波比的主要因素
反射系数主要与传输线的阻抗均匀性有关。简单地说,在连接器内,凡阻抗偏离标称特性阻抗值的地方,都会引起反射。
射频连接器实质上是一段带有连接机构、电缆夹紧装置和其他装置的非均匀同轴线。以直式连接器为例,与均匀同轴线相比,它有三处明显的不均匀:绝缘支撑区域、 导体尺寸过渡区域和连接器到电缆的结合部。在这些地方,都存在着导体直径尺寸或导体形状的变化,因而出现了不连续电容,引起反射。还有一些引起反射的其他 因素,例如导体连接间隙、导体直径尺寸偏差、内外导体偏心率、接触件上的槽缝、介质介电常数偏差和导体表面粗糙度等等。但上述三处却是连接器内部的三大反 射源,只要把它们引起的反射降低到可以容许的程度,其他的就不难解决了。
三、降低射频连接器驻波比的途径
1. 最佳绝缘支撑的设计
射频连接器几乎都有绝缘支撑,支撑的结构型式很多,最普遍采用的有如图1所示的两种。由于支撑的介入,势必发生导体直径尺寸的阶梯突变,破坏了传输线的均匀 性。从理论分析可知[1],同轴线导体直径尺寸的突变,等效于在突变截面上并联一个不连续电容,这个电容可按参考资料[2]提供的公式精确计算。为消除不 连续电容引起的反射,必须采取补偿措施,其方法有两种:一种是高抗补偿(图1a),另一种是共面补偿(图1b)。
(a)
(b)
图1
如何计算如图1所示的导体直径同时反向突变引起的不连续电容呢?国外资料曾经报道过两种不同的计算方法。第一种方法认为总不连续电容等于内外导体突变的两种最坏组合所形成的单台阶不连续电容之和[3],即
(1)
第二种方法假定,在导体突变区域的内外导体之间存在着一个理想等位圆柱面,其直径可按下式计算[4]:
(2)
总不连续电容等于由这个等位圆柱面和突变内外导体分别组成的两个单台阶突变所形成的不连续电容的串联,即
(3)
两种计算方法得出截然不同的结果。图2是以L27型连接器绝缘子为例计算出的曲线。可以看出,第一种结果表明总不连续电容随外导体外削深度百分比而变化(曲 线1)。当外导体外削深度为完全外削(内导体无内削)深度的20%左右时,总不连续电容最小。而第二种结果却表明总不连续电容几乎与外导体外削深度无关 (曲线2)。
根据自己的研究和试验,我们认为后一种计算方法比较合乎实际,与试验结果颇接近。按此方法设计出的连接器大多能获得满意的结果,由此看来,设计绝缘支撑时,未必要遵循外导体外削深度应控制在完全外削深度的20%左右的原则。

图2
可以用提高介质区域特性阻抗即增大电感的方法来补偿不连续电容。这种方法称高抗
补偿。介质区域的最佳阻抗值可按下式确定[5]:
(4)
式中ω=2πf0,f0是设计中心频率,θ=
,ε是介质相对介电常数,λ0是真空波长,是绝缘子宽度。Z1值可用逐次逼近法求得。显然,当工作频率偏离f0时,补偿是不充分或过量的,因而将有残余反射。仅当频带不宽或驻波比要求不很苛刻时才采用高抗补偿方法。
为了获得宽频带低驻波比性能,应当采用图1b所示的共面补偿绝缘子。共面补偿方法是使介质区域内的阻抗等于标称特性阻抗,通过去除介质端面的部分介质以提高电感来就地补偿不连续电容。介质凹槽深度δ可按下式计算:
(5)
式中ε是介质凹槽区域的等效介电常数。必须指出,在计算总不连续电容时,必须考虑临近效应的影响和频率的变化而加以修正。
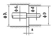
2. 导体直径尺寸过渡段的最佳设计
在转接器或电缆连接器中,由于接口尺寸的差别,也不可避免地存在着导体截面尺寸由小变大或由大变小的过渡。为了把过渡段不连续电容引起的反射减至最小,通常 有三种过渡方式:直角过渡、锥形过渡和抛物线过渡。后两种过渡方式由于加工复杂,精度难以保证而越来越少被采用。相反,由于加工方便,精度容易控制,在现 行的连接器(包括精密型)中几乎都采用如图3所示的直角过渡型式。这种过渡的原理是通过错开内外导体直径突变的截面提高电感,补偿电容,使电路呈中性。这也是高抗补偿。

图3
错开距离a的数值如何精确计算?目前尚未查到严格推导的理论计算公式。人们普遍采用下列的经验公式:
(6)
K=3.09(对于50Ω空气线)或3.04(对于75Ω空气线)。当
时,
(7)
对于各种不同的过渡尺寸,K=3.09是否都是最佳值?适用频率范围达多少?这是本研究的又一重要内容。利用高精度驻波电桥和精密终端负载,取D=7,改变D1和a,对五种不同过渡比的转接器进行驻波比测试。尽管试验是初步的,但其结果颇能说明问题:
(1)取K=3.09,在FD1<4GHz·cm的范围内,驻波比可小于1.05。这个经典结论无疑是正确的。
(2)对于不同的过渡比,K=3.09只是折衷值,未必都是最优值。K即a的数值对驻波比影响是极为敏感的。
(3)当K的数值最优时,对于同一给定的驻波比界限,可使工作频率范围大大拓宽,远远超过4GHz·cm。
因此,必须通过精心试验找出K的最优值并对过渡尺寸a严格控制,才能试制出宽频带低驻波比的连接器或转接器。
3. 连接器与电缆结合部的设计考虑
在 连接器与电缆的结合部,通常也存在着导体直径尺寸突变的情况。此外,对于配接广播电视系统和微波工程中广泛使用的皱纹管电缆的连接器来说,还存在着导体形 状的变化问题,即由光滑导体变为螺旋或圆环皱纹管状导体。这是这类连接器的特殊问题。如何计算皱纹管导体的有效直径?通常有两种算法,一种取算术平均值, 另一种取几何平均值。哪一种准确?本研究为此进行了一些试验,结果表明,电缆皱纹管内导体的等效外径比其算术平均值大5~7%,而皱纹管外导体的等效内径 比其算术平均值小2~3%。
为了获得最佳的驻波比性能,应使连接器和电缆的导体直径尺寸尽量接近。对于不可避免的导体直径突变,可按前述方法给予补偿。传输线导体形状由光滑变成皱纹时会不会引起附加的不连续电容?这个问题有待进一步研究。
4. 内导体连接间隙的控制
在射频连接器转接器中,导体的连接间隙是无法削除的。为不损坏连接器,降低成本,通常的设计是保证外导体连接间隙为0,允许内导体上存在一个连接间隙。这个间隙会引起附加反射,其容许值取决于驻波比性能要求。
理论分析计算和试验结果表明[6],对于L16型同轴连接器,0.5mm的内导体连接间隙在10GHz时可能引起1.09的驻波比,在17GHz时可能引起 1.15的驻波比。这是不容忽视的数值。可见为了在10GHz以上获得低驻波比性能,必须严格控制连接器或转接器的内外导体轴向尺寸公差。
5. 导体尺寸公差和介电常数偏差的影响
导体尺寸公差和介质相对介电常数的偏差都会引起连接器特性阻抗偏差。对于50Ω空气线:
(8)
对于50Ω的介质线,
(9)
以 IF45型分米波连接器为例,设内导体尺寸公差为±0.05,外导体尺寸公差为±0.1,△ε=±0.1,则空气段的阻抗偏差为±0.65Ω,介质段的阻 抗偏差为±1.66Ω,由此引起的电压驻波比分别为1.013和1.033。可见,为了获得低驻波比,必须适当控制导体尺寸公差精度,尤其要注意介质相对 介电常数的设计值与实际值的良好吻合。
四、设计宽频带低驻波比连接器的基本原则
设计宽频带低驻波比连接器必须遵循以下三个基本原则[3]:
1. 不要企求用提高或降低一段传输线的特性阻抗来补偿导体直径突变、导体槽缝或间隙等引起的不连续电容。为了获得最佳的宽带性能,通常应使连接器的每一长度单元上尽可能保持一致的特性阻抗。
2. 应首先使未被补偿的不连续电容减至最小,然后,对于每一个不可避免的不连续电容采取单独的共面或高抗补偿,并通过分离试验力求获得最佳效果。
3. 应通过结构设计或表面处理把机械公差、磨损和介质材料对驻波比的影响减至最小。
这三个原则有时会有矛盾,只能根据需要和可能折衷考虑。
五、结束语
研制低驻波比特别是精密型同轴连接器是一件很艰巨的工作,必须灵活应用原则,不断进行科学试验方能奏效。就驻波比研究本身来说,也还有大量的工作(包括测试方法的研究)可做。愿本文的发表能对这项工作起到促进作用。
如何成为一名优秀的射频工程师,敬请关注: 射频工程师养成培训
上一篇:毫米波焦面阵成像新型二元衍射微透镜阵列研究
下一篇:智能天线技术改善频谱使用效率

