- 易迪拓培训,专注于微波、射频、天线设计工程师的培养
宽带CDMA无线接入系统及基站设计
宽带固定无线接入指的是 从交换节点到固定用户终端部分或全部采用了无线方式。这里仅讨论对核心数据网络的接入。与有线接入比较,固定无线接入有如下显著特点:对自然条件适应性 强。用户只要在覆盖区内,不需要特别定位和精确规划。在地形地物不适于架线铺缆的环境中,FWA系统显得尤其适合,建设速度快。用户端设备的安装、调试方 便灵活,大大缩短了建设周期。在技术上甚至可以做到当天申请,当天开通数据业务。
本文提出了一种工作2.4G ISM频段的固定宽带CDMA无线接入系统,描述了基站系统方案,其具有抗干扰、体积小、低成本、性能良好等优点,适合于油田、水力、电力等行业数据通信专网和农村、城郊区等地区的数据业务接入使用。
系统组成及工作原理
1 系统组成
系统由基站、用户终端、转发器、网管系统和管理计算机五部分组成。在县城、较大乡镇或行业专网的本地本地数据交换中心机房内(或其附近)安 装FWA系统的基站。固定终端放在户分布区(如较小乡镇、行政村中心地带)或用户室内,以无线方式与基站通信。用户的数据通信设备直接与固定终端的 10Base-T接口连接。基站通过RS232接口同操作维护中心的网管PC连接。固定宽带CDMA无线接入系统的基本配置如图1所示。

图1 系统组成
2 工作原理
系统是一个点对多点微波通信系统,为用户提供低延迟的数据传输通道。系统采用TDD双工方式,CDMA多址方式,BPSK调制,工作在 2.4~2.4835GHz频段。每个载波的宽度为40MHz,总共可以有两个载波。基站采用三扇区结构,每个扇区提供4个码信道。三个扇区共用同一载 波,每个载波可以提供12个码信道,各码信道采用不同的扩频码。扩频码采用m序列或GOLD码。信道可以采用固定分配方式。
基站是无线链路的中心节点,通过10/100Base-T接口与数据交换机或路由器相联。用户终端是无线链路的远端节点,通过 10Base-T接口与用户设备相连。用户终端的无线信道速率可以设置为B、2B、2B+D、6B、6B+D、8B。转发器用于延长通信距离或者绕过障 碍,它相当于两个背靠背的用户终端,分别工作在主从模式下,各种特性均与用户终端相同。网管系统通过RS-422接口与基站相连。网管软件运行在 Windows环境下,以图形界面的方式提供系统参数设置、系统测试、工作状态监视、故障报警等功能。管理计算机是一台笔记本电脑,运行一个终端管理软 件,通过RS-232接口与用户终端相连。终端管理软件同样运行在Windows环境下,以图形界面的方式提供用户终端或转发器的工作参数设置、工作状态 监视、故障诊断等功能。管理计算机只在对用户终端或转发器进行开通或维修时使用。
基站设计
1 总体设计
基站主要由以太网交换及接口转换模块、主控模块、CDMA基带处理模块、RF模块、网管系统和电源组成,总体框图如图2所示。

图2 基站原理框图

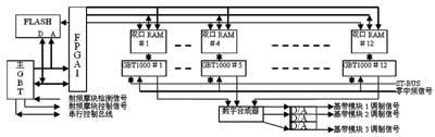
图3 基带电路原理框图
一个基站由3个扇区组成。每个扇区使用独立的收发信机(射频模块),可配置3个基带模块,每个基带模块支持4个信道。射频模块的控制和监检由第一个基带模块卡负责。主控模块控制3个基带模块,基带模块完成CDMA的基带处理任务。
CDMA采用如表1所示的专用CDMA多址方案,扩频码码型采用m序列或GOLD码,周期最长为232-1(m)或216-1(GOLD)。
系统采用Mitel公司定义的ST-BUS总线作为基站基带电路数据总线,该总线主要是针对2.048Mbps码速率信号定义的,规定了类 似E1的帧结构、帧同步时钟及其命名方法、时钟与输入输出数据的时序关系等。基带模块和主控模块的用户数据连在ST-BUS上,接至ST-BUS接口转换 电路,在那里进行ST-BUS信号与以太网桥输入信号的转换。ST-BUS接口转换电路由FPGA实现,完成时序转换功能。
射频模块工作在TDD方式。在接收状态下,天线收到的基站信号经过带通滤波器和收发切换开关后送到低噪声放大器放大。系统采用一次变频的方 法,射频信号经过一次下变频直接变成零中频。I、Q两路零中频信号分别经过低通滤波和缓冲放大后,送给基带模块。在发射状态下,基带处理模块送来的基带扩 频信号由线性相加器合成为一路,再经过低通滤波器进行成形滤波,送到调制器对载波进行调制。系统采用直接调制载波的方法。基带模块根据网管命令输出功率控 制信号(APC),控制激励级和末级的增益,以控制发射功率。
2 基带电路设计
如图3所示,基带电路由3个基带模块构成,每个基带模块支持4个信道,每个信道使用一片GBT1000,主GBT1000对12个信道进行 集中控制。主GBT通过双端口RAM对从GBT进行控制,包括下载从GBT的程序、发送控制指令、读取工作参数和状态等。主GBT可以单独对一片从GBT 进行操作,也可以同时对多片从GBT进行相同的操作。主GBT和从GBT程序存储在一片Flash RAM中,可以是写死的,也可以由主控制器通过串行控制总线下载新程序进行修改。三个基带模块的从GBT输出的基带扩频信号由数字合成器合成后再由3片 D/A变换后,分别送给3个射频模块。在数字合成器中,每路输入信号首先根据其信道速率乘以相应的功率系数,然后再进行线性相加。主GBT负责向射频模块 提供各种控制信号,并通过A/D检测射频模块送回来的直流指示信号。主GBT通过串行控制总线接受网管计算机的指令,并向网管计算机报告各种工作参数和状 态。数字合成器由FPGA3完成,ST-BUS接口转换电路由FPGA2完成,FPGA1、2、3均选用现场可编程芯片ALTERA EPM7512AE-144实现,双口RAM选用IDT70V06芯片。D/A选用AD9708现。
3 射频模块设计

图4 射频模块原理框图
射频模块原理框图如图4所示,工作在TDD方式。在接收状态下,天线收到的基站信号经过带通滤波器和收发切换开关后送到低噪声放大器放大。 再经过一次滤波后由第二级射频放大器(AGC放大器)进一步放大。AGC信号由基带卡提供。混频器对射频信号进行正交下变频,输出I、Q两路信号。射频信 号经过一次下变频直接变成零中频。I、Q两路零中频信号分别经过低通滤波和缓冲放大后,送给基带模块。GBT1000输出FLL信号,控制基准频率源的频 率,使频率综合器产生的本振信号锁定在接收载频上。在发射状态下,基带模块送来的基带扩频信号,经过低通滤波器进行成形滤波,送到调制器对载波(即本振) 进行调制。

图5 以太网交换机模块原理图
系统采用直接调制载波的方法。调制信号经过激励级进行预放大、带通滤波器抑制带外辐射和末级功率放大器进行功率放大后,经过收发切换开关和带通滤波 器送到天线。基带电路根据网管命令输出功率控制信号(APC),控制激励级和末级的增益,以控制发射功率。TX_EN信号控制APC只在数据帧发送时才起 作用,在其他时间内,不发射功率。TX_RXb信号为收发控制信号,它一方面控制射频切换开关在接收通道和发射通道之间切换,另一方面控制电源只给正在工 作的通道供电,以达到节电的目的。射频电路主要技术指标如下:
● 输入调制信号多电平双极性数字信号,最大幅度为3V,速率为32.768Mcps;
● 成形滤波后,99%的信号能量集中在约40MHz带宽内;
● 载波频率在2.4~2.4835GHz频段,准确度不低于1×10-6;
● 调制信号带宽约为40MHz;
● 功率控制范围为70dB;
● 末级功率1dB压缩点输出功率为500mW,最大输出功率为200mW;
● 功率检测信号与输出信号幅度成正比。输出功率为500mW时,输出电平为5000mV。输出功率为0mW时,输出电平为0mV;
● 天线口的驻波不高于1.3;
● 天线口的接收信号电平最小为-110dBm,最大为-40dBm;
● 从天线口看,接收机的噪声系数不高于3.0dB;
● AGC范围不低于70dB;
● 零中频信号的输出幅度为200mV;
● 收发转换时间和电源接通时间均不超过10nS
● 电源电压为-48V±20%直流。
4 以太网交换机设计
交换机选用以Galileo Technology公司ASIC网络交换芯片GT-48212为核心的交换结构,该芯片可工作于非管理模式和管理模式两种配置方式,且可扩展为分布式结 构的两芯片框架结构。图5给出了二层以太网交换机模块原理图,它包含12个10Mbps端口和2个10/100Mbps自适应端口。交换机包括:交换芯片 (交换引擎)、SDRAM、物理层芯片、变压器、晶振、控制逻辑及外围电路等。SDRAM选用MT41LC256K3204芯片,GT-48212工作于 非管理模式。
图2中的12路以太网桥由12片专用芯片网桥RJ017来实现。
5 GBT1000软件设计
GBT1000含有内置CPU V6502,主、从GBT1000的软件流程设计如图6所示。

图6-a 主GBT1000的主程序框图

图6-b 从GBT1000的程序框图
结束语
本文给出了一个固定宽带CDMA无线接入系统解决方案及基站的设计实现,简要说明了系统体系结构和工作原理。重点描述了基站总体设计及各模 块的设计方案。系统经过图像传输测试,具有较好的网络速率,可以实时的传送音频、图像和数据,具有很好的实际运用价值。且其具有抗干扰、体积小、低成本、 性能良好等优点,为油田、水力、电力等行业数据通信专网和农村、城郊区等不适合有线数据通信的场合,提供了一种实用的解决方案。
如何成为一名优秀的射频工程师,敬请关注: 射频工程师养成培训
上一篇:4G中的MIMO智能天线技术
下一篇:设计和仿真无线局域网设备(WLAN)天线

