- 易迪拓培训,专注于微波、射频、天线设计工程师的培养
IC卡电子锁芯片CIPH09特性及应用
IC卡电子锁芯片CIPH09特性及应用
湘潭工学院 曾zhe 昭 长沙电力学院 扶蔚鹏
1. 芯片功能特性
CIPH09芯片是IC卡电子密码锁的核心,它具有密码设置、插卡检测、IC卡读写以及插卡开锁等功能。修改密码时,由键盘输入的用户密码不仅被写入密码控制器的24C01A EEPROM中,同时也写入用户手持IC卡中;开锁时,只要将手持IC卡插入IC卡座中即可将电控锁体开启,使用方便,开锁快捷,特别适合老人等记忆力差的人员使用。此外,IC卡作开锁钥匙,通用性强,即便在丢失、损坏等情况下,也可借用别人的IC卡作临时开锁钥匙,即将IC卡插入密码控制的IC卡座上,在非密码设置状态下,由键盘输入原密码后再按一下“F”功能键,此时即可将输入密码写入IC卡的备用存储区域中,而且不影响被借用户密码信息。将该IC卡插入自己的IC卡座后,一方面将电控门锁打开,另一方面清除IC卡备用存储区中的密码信息,以防别人持卡开启自己的门锁。
2. 芯片引脚功能
芯片引脚排列如图1所示,芯片引脚功能说明如下:
RST:复位电路输入端。
ALARM:报警信号输出端,低电平有效。密码控制器检测无效卡插入时,该端输出20s有效报警电平。
HD:按键指示输出端,直接接蜂鸣器到电源或经270Ω限流电阻接二极管到电源。
XTAL1、XTAL2:晶体振荡器接入端,接6MHz晶体振荡器;
F:密码设置功能键。由A、B、C三按键输入十进制密码,按“F”功能键后,在非密码设置状态,输入的密码仅写入IC卡的备用存储区域中;在密码设置状态,输入的密码不仅写入IC卡的用户存储区中,而且也写入密码控制器的24C01A EEPROM用户存储区中。
A:密码位数确认功能键,低电平有效。由B、C二键输入一位十进制数后,按一下“A”键,十进制数被确认。
B:累加1功能键,低电平有效。连按该键可执行累加1的功能,最多可连按九次,超过九次后,按键操作无效。
C:累加3功能键,低电平有效。连按该键可执行累加3的功能,最多可连按三次,超过三次后,按键操作无效。
VDD:电源正,接2.7~6.0V直流电源。
GND:电源。
MEM:密码设置输入端,低电平有效。该端接地时为密码设置状态,悬空时为非密码设置状态。
OPEN:开锁信号输出端,低电平有效。当有效卡插入后,该端输出1s开锁脉冲。
VT1:密码控制器中用户密码存储器24C01A的电源控制输出端,低电平有效。当密码控制器中的CIPH09微电脑对24C01A存储器进行读写操作时,该端输出低电平,驱动三极管对24C01A的电源加电。
SCL1:时钟信号输出端,直接接密码控制器中24C01A的SCL端。
SDA1:数据输入输出端,直接接密码控制器中24C01A的SDA端。
VT2:IC卡的电源控制输出端,低电平有效。当密码控制器中的CIPH09微电脑对IC卡进行读操作时,该端输出低电平,驱动三极管对IC卡的电源加电。
SCL2:时钟信号输出端,直接接IC卡的SCL端。
SDA2:数据输入输出端,直接接IC卡的SDA端。
CHECK:IC卡插卡检测输入端。有卡插入时,该端输入低电平,否则输入高电平。
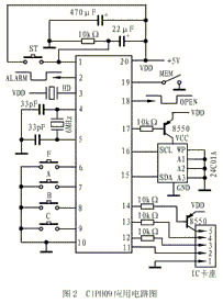
3. 应用电路
图2是密码控制器实用电路。密码控制器由CIPH09微电脑芯片、24C01A用户密码存储器、IC卡卡座、键盘输入设备以及外围电路组成。图3是自制IC卡钥匙触点排列图,实际上就是在一块印制电路板上封装了一片24C01A存储器制成的IC卡钥匙。

4. 使用方法
4.1 密码设置方法
将“MEM”端接地,按一下“ST”键激活密码控制器正常工作,然后将IC卡插入IC卡卡座中,由A、B、C组合输入十进制数字密码(密码位数不超过十五位)后,再按一下“F”功能键,输入的密码分别写入IC卡和密码控制器中24C01A的用户密码存储区中,并在“OPEN”端输出1s开锁脉冲,表示密码设置完毕。拔出IC卡,将“MEM”端与地断开,以防别人修改密码。
4.2 密码输入举例
如果输入密码:“1389619119”,其最快输入方法是:
BA-CA-CCBBA-CCCA-CCA-BA-CCCA-BA-BA-CCCA
1 3 8 9 6 1 9 1 1 9
4.3 开锁方法
按一下“ST”键激活密码控制器正常工作,将存储正确密码的IC卡插入IC卡卡座中,电控门锁将立即开启。若有非法IC卡插入,“ALARM”端立即输出20s报警电平,驱动报警电路发出报警声。
13.56MHz NFC天线,13.56MHz RFID天线设计培训课程套装,让天线设计不再难
上一篇:射频技术原理--在射频识别系统中的天线问题
下一篇:IC卡读写接口的可靠性设计


