- 易迪拓培训,专注于微波、射频、天线设计工程师的培养
基于TMS320C2812DSP的智能循环水控制器的设计
工业循环水处理的关键环节是按照工艺要求投加各种药剂,以此来保证优良的水质。传统的药剂投加主要是依靠人工进行。操作者的实际经验在这种加药方法中起决定作用,不能满足药剂的精确投加。为此,我们针对国内工业水处理行业的工艺要求,并吸取了国内外同行加药控制系统的优点,研制了适合国内特点的智能循环水加药控制器。该控制系统由下位机和上位机两部分组成,实现了现场控制和远程监控的结合。
2 系统总体结构
智能循环水加药控制系统是针对循环水处理现场设计的。需要满足的功能是实现水处理过程中的自动加药和自动排污。比如说在现场pH值高于一定值时系统要能实现自动加酸,而低于一定值时要实现自动加碱;而在杂质多于一定值时要能自动加氯排污等。本系统主要由上位机和下位机两部分组成。下位机实现现场水质数据采集以及控制现场各个泵的动作,上位机主要实现远程监控。上位机和下位机之间的通信方式采用RS.485实现。下位机主要由输入信号调理部分、DSP控制部分、输出信号调理部分、本地面板显示部分组成。首先将现场的传感器采集信号诸如pH值传感器信号、ORP传感器信号、TEMP传感器信号、COND传感器信号等进行调理,使这些传感器的输出信号统一调理成0.6— 3 V的电平信号,控制器采用TI公司的32位定点TMS320C2812,该DSP芯片带有16路12位的AD输入,足够满足现场精度要求,所以本系统不需要另外加A/D转换芯片。我们把调理的0~3 V的电平信号直接接人TMS320C2812的A/D口。根据这些电平信号的大小就能知道现在水的各种时参数值。比如pH值,当pH为7时,转换的输入信号为1.8 V,当pH为14时.转换的输入信号为0.6 V,当pH为0时,转换的输入信号为3 V,然后系统希望的pH值通过上位机设定发送给DSP。DSP把系统希望的值作为设定值,而把刚才pH通道A/D输入的值作为反馈值,采用位置增量PID算法,设定值和反馈值的差作为偏差来实现加酸加碱量的计算。DSP再把这个计算结果值送给D/A。本系统中D/A我们采用
MAX5250B和DSP产生的PWM信号调理实现,然后再把D/A的输出电压信号进行调理和电压转电流变成4~20 mA的电流信号来控制现场加酸加碱泵的动作。其它信号的控制思路和pH控制完全一样。同时在控制现场还有一个显示面板,该显示面板由显示和键盘输入两部分组成。显示主要显示当前水质的一些重要参数,比如pH值、ORP值、TEMP值、COND值等。键盘输入主要完成一些传感器的标定作用,这将在本文的后续部分作具体介绍。显示板和控制器之间采用RS.485通信方式实现。用一台工控机作为上位机实现远程监控作用,上位机和下位机之间的通信方式也采用RS.485。上位机主要显示当前水质的参数和各泵的工作状态,并将水质参数的历史数据保存人数据库,可在需要的时候进行查询。同时还实现一些设定操作,手动控制等功能。当上位机设置为手动操作时,此时控制器所有输出为0,现场各泵的操作可以由人来手动控制,这样可以实现检修工作。同时在监控现场还有一台PLC控制器作为备用监控系统。该PLC控制器采用西门子公司的$7-200系列的CPU221XP,加上一些扩展数字输入、模拟输入模块等组成。PLC和控制器间的通信采用RS一485通信协议(其优点在于通信距离较长)。系统整个硬件框图如图1所示。

本系统的模拟量输出有10路,如果都采用D/A转换芯片无疑增加了系统的硬件成本。由于TMS320C2812具有两个事件管理器,可以用来产生六路独立的PWM波信号。本系统的一个创新点就是直接利用TMS320C2812的时间管理器产生六路独立的PWM信号滤波后作为系统需要的D/A输出。另外4路输出信号采用一块MAX5250B的D/A芯片来实现。
本系统设计中采用事件管理器来产生PWM输出。这需要对事件管理器中的寄存器进行设置,步骤如下:① 设置和装载ACTRX;② 初始化CMPR;@设置和装载COMCONX;④设置和装载T1 CON(对应于EVA)或T3CON(对应于EVB)来启动操作;⑤ 将新变化的值重新写入CMPRX。
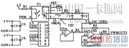
按以上步骤编程后产生的PWM信号要想作为本系统的DA输出,还必须对其进行滤波调理,该滤波调理电路如图2所示。

图2 PWM信号滤波调理作为D/A输出电路图
首先将输出的PWM信号通过光耦隔离器进行隔离,保证外接输出系统不会反过来烧坏本控制器,然后对隔离的输出PWM信号进行两级RC滤波,变成平滑的电压输出,经过一个射极跟随电路增强输出能力,再通过电压变电流电路输出4—20 mA的电流信号给现场控制泵。这样就完成了利用TMS320C2812的事件管理器输出PWM信号进行调理来产生D/A输出,降低了系统的硬件成本,也简化了系统的结构。
4 传感器标定
传统的智能仪表标定一般采用专用的标定工作台,它由工控机、各类标准信号源、UPS后备电源等组成。标定工作台体积庞大、接线复杂、价格高昂,一般只在生产厂家或实验室使用,维修维护人员无法在现场对智能仪表进行二次标定,在智能仪表测量系统中,需要对外界各种信号进行测量。测量过程一般是先用传感器把外界的各种信号转换成电信号,然后用A/D转换器把模拟信号变成数字信号。但是不同的传感器输出信号范围不同,同一传感器在不同的环境中输出的同样信号并不代表同一种情况。比如说在不同温度下,同样的pH值,同一pH传感器输出的信号也会有变化。这样就会在现场测量时造成误差。因此在测量现场就需要经常对传感器进行标定。标定一般是借助于数学解析表达式来编写程序,从而达到标定的目的。比如说现在pH值传感器输出的信号表示pH值为7.8,但是根据标准测试计测量出实际pH值为7.9,那么就需要
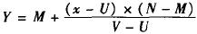
通过设定操作修正输出结果把当前结果强制变换为7.9。标定有单点标定法和两点标定法两种。单点标定法主要采用先把系统零点测试好,然后利用当前实际值和零点值进行标定。而两点标定法则不需要测试零点,而只需要根据标准测试计得出两个实际值即可实现标定。以本系统的pH值传感器标定为例来说明单点标定法的原理。通过系统调试发现pH值传感器在pH值为7时经过信号调理输出给TMS320C2812的A/D 的电压值为1.8 V,而TMS320C2812的A/D为12位,也就是它的实际测量值在0—4 096之间。1.8 V正好是A/D满量程3V的3/5。故pH值实际零点在TMS320C2812中反映为2457,也就是说2457是它的零点。在标定前的默认算法中把传感器输出信号0 V电平对应为pH值的14,即TMS320C2812的A/D采样值对应为0。假设某一时刻DSP采样值为X,则此时计算pH值公式Y如下所示: ![]()
假设某一时刻DSP采样值为3 000,根据式(1) 计算的pH值为4.68。如果系统某一时刻采样值为V, 实际pH值为U,那么系统采样值为X 时刻的实际pH值Y 就要用如下公式进行计算: ![]()
在本设计中系统开始采用的算法为式(1),当接收到标定命令时系统软件自动切换到式(2)算法中来。
上面就是单点标定的原理,只要根据某一时刻的实际值进行标定即可。
双点标定就是根据两个时刻的实际值进行标定。比如说系统在某一时刻采样值为U,此时实际的pH值为M,在另一时刻的采样值为V,实际值为 N。那么在系统采样值为某个X 时刻的实际pH值Y就由下式来确定: ![]()
由式(2)、(3)看出单点标定比双点标定算法要简单,但是单点标定有一个缺点,就是不能在零点附近标定。因为根据式(2)可以知道,在pH=7时进行标定的话就会发现出现分母为0,这样等式就会出现不定值。目前应用较多的还是单点标定法。
5 TMS320C2812的串口通信
本系统中各模块问的通信都采用RS-485通信。而这实际利用串口通信加上一块MAX485芯片将串口通信变换成RS-485通信来实现的。因此本节介绍一下TMS320C2812的串口通信的实现过程。TMS320C2812的SCI口除具有普通串口的特点外,还具有以下特点:发送和接收均有一个16级深度的FIFO,可编程64K种不同的波特率,可编程8—16位数据长度,空闲线和地址位两种唤醒多处理器模式,奇偶校验、过载、帧错误和问断监测共4个错误检测标志,半双工或全双工操作模式,可工作于中断或查询方式,具有独立的接收和发送中断使能位。利用TMS320C2812的SCI口进行串行通信主要有查询和中断两种模式。中断模式下需要选择中断优先级和设置中断使能位,除此外,两种方式都需要设置操作方式和协议、字符长度、奇偶校验、停止位的位数以及波特率值等操作。所有这些操作都是通过设置寄存器来实现的。本设计系统中采用中断方式实现系统的通信。下面是采用中断方式进行通信的串口初始化程序: 
6 结束语
根据循环水处理工艺过程的技术要求,本智能循环水控制器从控制系统的硬件配置到应用程序设计以及多种加药控制方案的实现,都系统地考虑了工业循环水处理过程的实际情况。尤其是通过DSP的事件管理器输出PWM波作为D/A输出节省了系统成本,简化了硬件结构。应用结果表明该系统性能稳定,运行可靠,人机界面直观灵活,操作简便。控制系统实现的各项功能均满足工艺要求,取得了良好的应用效果。
作者:北京工业大学电控学院自动化系 江存胜,段建民,綦慧,李大庆,倪少强
参考文献:
[1] 张红涛,等.5l单片机和Pc机串行通信系统设计[J].化工自动化及仪表,2005,32(4).
[2] 杨捷,朱春刚,徐志华.基于WINCE的智能仪表标定系统[J].化工自动化及仪表,2005,32(4).


