- 易迪拓培训,专注于微波、射频、天线设计工程师的培养
停车场发卡器与IC卡读写器的设计开发
随着科技和中国经济的高速发展,人民生活水平不断提高,城市汽车增长迅猛,停车场成为人们生活中必不可少的一部分。非接触式IC卡停车场管理系统以图像处理技术、射频卡技术和计算机技术为核心,加上精密的控制设备,实现了停车场的收费现代化管理,具有方便灵活、准确安全的特点。该文主要介绍非接触式IC卡停车场中发卡器与IC卡读写器的设计和开发。
1 MIFARE1非接触式IC卡
MIFARE1非接触式IC卡的核心,是Philips公司的MIFARE1 IC S50(-01,-02,-03,-04)系列微模块(微晶片)。它所具有的独特的MIFARE RF(射频)非接触式接口标准已被定为国际标准:IS0/IEc14443 TYPEA标准。该卡片上有8 kb EEPROM存储容量,并划分为16个扇区,每个扇区划分为4个数据存储块。各扇区的密码和存取控制都是独立的,可以根据实际需要设定各自的密码及存取控制。因此一张卡可以同时运用在16个不同的系统中,且可以根据每个系统的实际情况决定各区的密码及数据形式。卡片上还内建有增值、减值的专项的数学运算电路,非常适合于各种收费场合。文中所介绍的发卡器与IC卡读写器所使用的卡就采用MIFARE1卡。
2 停车场管理系统的基本模块
非接触式IC卡停车场管理系统最基本的功能是车辆进出放行和费用核算管理,基本模块介绍如下:
1)PC机中心管理系统它是整个停车场管理的控制核心,由计算机、发卡器、通讯线路和管理软件等组成,主要完成发卡、费用统计与结算、接收与发送控制信号等功能。发卡器完成2种卡的发行:一是对用户卡进行发行登记、收费充值、财务报表记录等;二是对配置卡进行发行登记、配制信息填写等。
2)用户IC卡作为信息载体,记录车主标识、消费余额、系统特征等,完成每次停车费用扣减及重复充值功能。
3)IC卡读写器通过读取配置卡,更改Ic卡读写器中的配制信息和权限信息;通过校验方式完成读写用户IC卡、记录并向计算机传输数据、控制道闸等功能。
4)电子开关 由自动挡车道闸、数字式地面车辆检测器、防砸车检测系统组成,完成接收控制信号、开启道闸、车通过后落下道闸等功能。
3 发卡器与IC卡读写器的设计
3.1 配置卡与用户卡简介
配置卡由停车场管理中心拥有 。它主要用来对停车场中各个IC卡读写器设备进行配制,例如信息调制、权限和数据更改等。当需要更改IC卡读写器的内部数据时,首先通过发卡器把要更改的数据信息和配制信息写入配置卡,然后将配置卡贴近各个IC卡读写器,刷卡1次,就完成了数据的更改。
用户卡由用户拥有。在发卡时,管理中心将车主信息、消费余额等写入此卡,并决定该卡的使用范围和权限。在停车场人口,车主将用户卡在IC卡读写器前刷一下,IC卡读写器对卡中的信息进行密码校验并判 断该卡是否有权限进入此系统。当校验通过时,系统确认有效后撤除路障,开启自动道闸,允许其通行,并将卡的信息传送到管理中心进行存储。在出口,车主将用户卡在IC卡读写器前刷一下,IC卡读写器从卡中扣减相应金额,系统确认有效完成后撤除路障,开启自动道闸,允许其出闸。
3.2 发卡器与IC卡读写器的基本工作流程图
发卡器与卡片之间采用一对一通信方式,发卡程序流程见图1(a),图1(b)。读卡过程是一个很复杂的程序执行过程,要执行一系列的操作指令,调用多个函数,包括装载密码、验证密码、鉴别卡、读卡等。这一系列操作必须按固定的顺序进行l_5j。读卡程序设计流程图见图1(C)。

(a)发卡器配制配置卡 (b)发卡器配制用户卡

(c)I c卡读写器读写配置卡与用户卡
图1 发卡器与Ic卡读写器的流程图
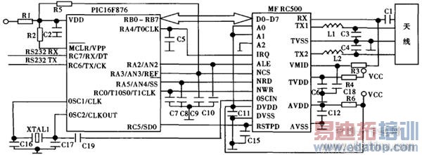
3.3 IC卡读写器的硬件图
图2所示为IC卡读写器的硬件连接图。系统所使用的硬件主要由2部分组成:PIC16F876单片机与芯片MF RC500组成。该系统采用PIC16F876单片机为控制核心,主要完成数据采集、处理、存储及控制系统工作的功能,通过RB El与MF RC500的数据总线相连,可实现与非接触式IC卡数据的无线传输。RC7、RC6用来连接RS232,最终与计算机相连。RK3作为MF RC500的片选端,低电平有效。RK5、RC0分别控制MF RC500的读写,RA4接收来自非接触式IC卡的中断请求并执行中断程序。该系统的工作频率为13.56 MHz,由石英晶体振荡器产生,用于给MF RC500提供时钟信号,同时也驱动天线基频载波信号。MFRC500是与非接触式IC卡实现无线通信的核心模块,也是IC卡读写器读写非接触式IC卡的关键接口芯片。它根据寄存器的设定对发送缓冲区中的数据进行调制,得到发送的信号,通过由TX1、TX2脚驱动的天线以电磁波的形式发出去,非接触式IC卡采用RF场的负载调制进行响应。MF1卡放在距离射频天线100mm内,天线拾取非接触式IC卡的响应信号,经过天线匹配电路送到RX脚,MF RC500内部接收缓冲器对信号进行检测和解调,并根据寄存器的设定进行处理。处理后的数据发送到并行接口由单片机读取。

图2 硬件电路图
3.4 IC卡读写器的软件编程
程序采用标准C语言编制,以PCW C Compiler IDE编译器为开发环境,以下是部分程序源代码以及子函数说明。该程序代码在PIC16F876单片机上测试通过。程序将RF场适时的开启与关闭,大大降低了MCU与RF场的功耗,同时减少了在读卡过程中MF RC500对MCU的干扰。

4 结语
采用MF RC500设计的硬件电路,不仅适用于停车场,也适用于基于ISO/IEC 14443A标准并且要求低成本、高性能以及单电源的非接触式通信的其他应用场合。如公共交通终端、非接触式公用电话、小区管理系统等。依照实际用户的需要,此发卡器与IC卡读写器还可以开发更多的功能,适用性非常强。
基金项目:鲁润京九石化监控系统(105—642081).
作者简介:刘莹(1981-),女,武汉理工大学信息工程学硕士生.E—mail:liuying921054@126.com
参考文献
[1] Klaus Finkenzeller.射频识别(RFID)技术[M].陈大才,王卓人,译.北京:电子工业出版社,2001.
[2] 张俊杰,乔谊正.非接触式IC卡读写模块的应用开发[J].世界电子元器件,2004,(2):44-46.
[3] 陈喜阳,张克危,陈定方.智能卡在安全电子邮件系统中的应用[J].武汉理工大学学报(交通科学与工程版),2002,26(6):830-832.
[4]俞文泓,吴迈.非接触式IC卡在智能住宅小区中的应用[J].电子&智能建筑,2002,(1):36-39.
[5] 陈作炳,张鸿宇,陈燕飞,等.CPU卡技术及应用系统设计研究[J].武汉理工大学学报,2002,24(9):85-87.


