- 易迪拓培训,专注于微波、射频、天线设计工程师的培养
基于EM4469射频卡的手持式读写设备的开发
射频电子标签EM4469
EM4469射频卡是EM微电子公司推出的一款工作频率为100kHz~150kHz,具有读/写功能的非接触式RFID射频芯片,它可以较低的功耗提供多种数据传输速率和数据编码方式。由于该射频芯片不仅兼容ISO 11784/11785标准,还符合ISO FDX/B动物识别标准,因此,该射频芯片可被广泛应用于各种应用管理系统中,尤其是动物识别和跟踪管理。
EM4469具有32位的密码读/写保护、32位唯一的ID码和10位用户码。EM4469 的EEPROM存储空间有512位,被分为16个扇区,每个扇区32位,其中的锁定位可以将EEPROM的数据块变成只读模式。EM4469可以较低的功耗提供多种数据传输率和编码方式,而且其内部集成的谐振电容可掩膜选择,不需要外部电容。另外,它还有片内整流器和限压器,可以在-40℃~85℃温度下工作。
手持式读写设备设计
手持式读写设备也叫便携式读写器,它是将RFID读写功能、天线和数据处理功能集成在一起的掌上电脑。其主要部分是射频卡读写电路,用于实现射频卡的读写和数据采集。此外,它通常带有液晶显示屏和键盘,用来输入和显示数据,并配有存储器和通信接口,实现数据的保存并向计算机传送,另外,还配有稳定的电源管理电路,用于设备的供电。
手持式读写设备的硬件设计
手持式读写设备的硬件电路主要包括主控单片机、射频读写、液晶显示、存储、键盘、通信、电源和声光提示电路。
主控单片机和射频卡
读写电路设计
考虑到手持机的存储容量大、外部中断和定时中断的功能需要,以及开发工具的费用等因素,本系统选用了由深圳宏晶科技公司生产的STC89C58RD+单片机作为主控制模块。STC89C58RD+具有以下优点:加密性强;超强的抗干扰性,有三大降低单片机时钟对外部电磁辐射的措施;超低功耗;在线系统可编程和可远程升级。
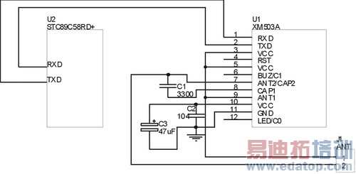
射频卡读写电路是手持机的重要组成部分,用于实现对射频卡的写入并读取射频卡所携带的数据信息。这里采用射频卡读写模块XM503A来实现对EM4469射频卡的读写控制(见图1)。

图1 手持设备的射频卡读写电路
液晶显示电路
本手持式读写设备中的数据显示电路采用CSD—12864I液晶显示模块。这是一种图形点阵液晶显示模块,主要由行驱动器和列驱动器,以及128×64全点阵液晶显示器组成。它可以完成图形显示,也可以显示32个16×16点阵的汉字。液晶显示模块与CPU接口采用8位数据总线和8条控制线。
在初始化的时候要先输入关显示屏的指令,然后输入开显示屏的指令,接下来就可以设置显示的起始行和页地址,进入读写显示数据的操作。
存储电路硬件设计
在本RFID手持式读写设备中,STC89C58RD+单片机只有1280B的RAM,需要附加存储器电路。本手持机选择了由Hynix公司生产的HY628400存储器。
HY628400是一种高速、低功耗的、容量为512k×8bit(共4Mb)的SRAM器件,它采用了先进的CMOS技术,兼容TTL输入和输出,数据保存模式使该器件在最低电压为2V的时候,仍然可以保证数据是有效的。
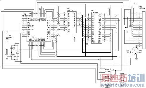
HY628400的4Mb存储单元中,分配2Mb的空间存放汉字字库,用于液晶显示模块的汉字显示;其余2Mb的空间用于存储数据。 HY628400与单片机的连接电路如图2所示。

图2 STC89C58RD+单片机与HY628400存储器的连接电路
其他部分电路的设计
RFID手持式读写设备与计算机之间通过RS-232C串行接口进行数据通信。本手持式读写设备选用了兼容RS-232标准的MAX3243芯片。MAX3243具有3个驱动器、5个接收器和双电荷泵电路,而且所有的引脚都具有±15kV ESD保护。
键盘作为用户的输入端口,其功能是实现数据输入和手持机功能选择与操作的控制,从而实现人机交互。本手持机键盘一共设有19个键,包括0~9数字键10个,F1、F2、F3、“.”和回车共5个功能键,背光键、扫描键(读写EM4469的按键)、以及开关键。
时钟电路用于为手持机提供准确的时间,并可以在液晶显示屏上显示出当前的时间。本手持机选用深圳市威帆电子技术有限公司生产的SD2003A时钟芯片,其具有体积小、内置晶振、支持I2C总线接口等特点,可以定时中断输出,高精度、免调校,年误差小于2分钟(在25±1℃下)。
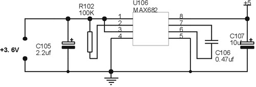
本手持式读写设备的工作电压为5V,后备电源电压为3.6V,因此选用Maxim公司的升压型DC/DC电压转换器件MAX682为手持机供电。MAX682通过2.7V~5.5V的输入电压,可获得稳定的5V输出电压和250mA的输出电流,而且停机状态下的电流损耗小(只有0.1mA),完全满足手持机的供电需要。电源模块的电路如图3所示,其中,C105和C107是滤波电容,电阻R102是控制电阻,C106是电路的升压电容。

图3 手持式读写设备电源电路
声光提示电路包括蜂鸣器和LED发光二极管电路两部分,用于手持机操作成功或各种警示状态提示。
软件设计
本手持式读写设备主要完成射频电子标签的读写、数据的存储和与计算机的信息通信。手持机主程序的流程如图4所示。

图4 手持式读写设备主程序流程图
本文开发的手持式读写设备采用曼彻斯特编码方式来读取EM4469的数据,数据传输率为RF/64。
XM503感应模块通过发送标准命令来完成对EM4469射频卡的读写操作。读卡的程序流程是:首先初始化单片机串口,发送开射频场的命令,输入要读取的数据扇区的区号。然后发送读数据的命令,判断此命令是否发送完毕,如果没有发送完就接着发送;如果发送结束就接着判断是否有数据,如果没有数据则提示错误并返回到初始化的地方。如果有数据就开始接收。最后判断接收到的数据正确与否,如果正确,则可以将所读取到的数据通过液晶显示屏显示出来。如果判断接收到的数据是错误的,则提示错误并返回初始化。
当要往EM4469射频卡中写入数据的时候,先要将单片机的串口初始化,设置波特率,发送开射频场的命令。然后输入要写入数据的扇区的区号并发送写数据的命令,接着判断写数据命令是否发送完毕。如果没有发送完毕就接着发送;如果发送结束就进一步判断是否有数据。如果没有数据则提示错误并返回初始化;如果有数据就开始接收要写入的数据。再判断接收到的数据正确与否。如果判断接收到的数据是错误的,则提示错误并返回到初始化的地方;如果正确,还要将其读出来,判断是否是要写入的数据。如果是就结束;如果不是就返回初始化。
结语
本文详细论述了基于EM4469射频卡的手持式读写设备的硬件电路设计和主要软件部分的设计方法。该产品采用模块化的结构设计方法,将射频卡读写电路设计成相对独立的模块,如果有不同类型射频卡的使用需要,可以将此部分电路更换成其他类型射频卡读写电路模块即可满足需要。
参考文献
1. 游战清,李苏剑等. 无线射频识别技术(RFID)理论与应用. 电子工业出版社,2004
2. 郎为民.射频识别(RFID)技术原理与应用.北京:机械工业出版社,2006.10-60
3. www.szforen.com,EM4469DATASHEET,2006,3
4. 游战清,刘克胜,张义强等编.无线射频识别技术(RFID)规划与实施.北京:电子工业出版社,2005.20-47,50-78
作者简介:沈阳理工大学 信息科学与工程分院 马秀丽 姜学军
13.56MHz NFC天线,13.56MHz RFID天线设计培训课程套装,让天线设计不再难
上一篇:铁路车号自动识别系统 (
)
下一篇:非接触式RFID读写器系统的研究与解读


