- 易迪拓培训,专注于微波、射频、天线设计工程师的培养
基于RFID与智能编码技术的稽查系统设计
引言
近年来, 射频识别技术(RFID) 作为自动识别的新技术,凭借其诸多优点在国内外迅速发展, 其应用广泛, 在交通运输管理领域综合运用RFID (无线射频识别) 技术、智能编码图象识别技术、数据加密技术、多传感器信息融合技术、计算机与网络技术等技术手段, 现有的交通稽查通常采用摄像机图像识别, 存在许多的不足。本文设计采用RFID B 标签与智能编码图像识别技术的结合, 在后台处理系统中RFID 标签信息与图像识别信息完全一致时为合法目标, 同时为问题目标保存录像资料, 其大大提高准确率, 在交通稽查有突出的优势。
典型的RFID 阅读器包含无线收发模块(发送器和接收器) 、控制单元和阅读器天线, 电子标签是射频识别系统的数据载体, 由标签天线和标签专用芯片组成, 系统设计采用低功耗单片机MSP430F2013 和无线数据传送芯片nRF2401 , 设计一种不仅读取距离远、可靠度高, 而且成本低、寿命更长的主动式RFID 标签应用于智能交通系统[1 ] 。同时车辆在运动中,摄像机所摄到的视频图像并非每幅图像上的所有信息都是有用的, 真正有用的数据仅为视频中的车牌部分, 因此, 如何在进行编码压缩时实现对有用信息的提取, 并通过先进算法尽可能降低这部分信息的失真率, 是智能编码要解决的问题, 智能视频( IV , Intelligent Video) 源自计算机视觉(CV , ComputerVision) 技术, 它能够在图像及图像描述之间建立映射关系,从而使计算机能够通过数字图像处理和分析来理解视频画面中的内容。
稽查系统视频监控中所用到的智能视频技术主要指的是: “自动的分析和抽取视频源中的关键信息”。如果把摄像机看作人的眼睛, 而智能视频系统或设备则可以看作人的大脑。智能视频技术借助计算机强大的数据处理功能, 对视频画面中的海量数据进行高速分析, 过滤掉用户不关心的信息, 仅仅为用户提供有用的关键信息。例如, 智能编码技术应用于稽查系统中, 可以识别不同车辆的牌照, 与RFID 电子标签(电子车牌) 所携带的信息比对, 发现问题牌照车辆的异常情况,能够以最快和最佳的方式发出警报和提供有用信息, 从而能够更加有效地协助稽查人员处理问题车辆, 结合RFID 技术最大限度地降低误查和漏查现象。
智能化视频编码的思想是: 对视频中的运动目标或用户感兴趣区域ROI (Region of Interest) (例如: 稽查系统中, 用户感兴趣的是视频中稽查车辆的牌照区域) 采用低损或无损编码,而对视频中的背景区域或用户不感兴趣的区域采用降分辨率编码, 以减少总的编码输出数据量, 提高牌照识别的准确率。
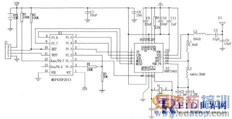
1 系统的RFID 标签设计
1.1.1 芯片的选择及性能简介
设计的主动式RFID 标签要求具有低成本、低功耗、阅读距离长、识别准确率高、电池供电或车载供电等特性。选择合适的MCU 和射频发射芯片是设计的关键部分, 同时为了适应智能交通的应用, 设计提供其电源可选车载供电。

图1 标签电路原理图
根设计, 选用德州仪器公司( TI ) 推出的MSP430F2013 单片机, 该单片机具有超低功耗Flash 型16 位RISC 指令集, 电源电压采用118~316V 低电压, 拥有015mA的保持模式待机电流和250mA/ MIPS 的运行功耗, 是目前业界公认的低功耗单片机射频芯片采用nRF2401 , nRF2401 是单片射频收发芯片, 工作于214~215GHz ISM频段,nRF2401内置地址解码器、先入先出堆栈区、解调处理器、时钟处理器、GFSK滤波器、低噪声放大器、频率合成器和功率放大器等功能模块, 输出功率和通信频道可通过程序进行配置。芯片能耗非常低, 以- 5dBm 的功率发射时, 工作电流只有1015mA , 接收时工作电流只有18 mA , 多种低功率工作模式, 节能设计更方便。其工作原理可总结为: 一个配置字、两种通信模式、两个通道和四种工作模式。nRF2401 的所有配置工作都是通过CS、CL K1 和DATA 三个引脚完成, 把其配置为ShockBurst TM 收发模式需要15 字节的配置字, 而如把其配置为直接收发模式只需要2 字节的配置字。工作模式有4 种:收发模式、配置模式、空闲模式和关机模式。nRF2401 的工作模式由PWR _ U P、CE、TX _ EN 和CS 引脚决定[4 ] 。
1.1.2 硬件设计
由单片机MSP430F2013 控制Nrf2401 进行数据传输, 本设计遵从ISO/ IEC 18000 - 4《2145G MHz 有源RFID 空中接口通信参数》中关于主动式RFID 标签通讯协议的物理层、数据链路层的所有约定[5 ] 。作用距离与天线增益及标签灵敏度有很大的关系, 天线增益的大小取决于辐射模式的类型, 全向的天线具有峰值增益0 到2dBi ; 方向性的天线的增益可以达到6dBi , 系统阅读器采用定向天线。无线通讯距离的计算有自由空间(指天线周围为无限大真空时的电波传播, 它是理想传播条件, 其能量既不会被障碍物所吸收, 也不会产生反射或散射) , 通信距离与发射功率、接收灵敏度和工作频率有关:[ L f s ] (dB) = 32144 + 20lg d(km) + 20lg f (MHz)式中, L f s 为传输损耗, d 为传输距离, 频率的单位以MHz计算, 由上式可见, 自由空间中电波传播损耗(亦称衰减) 只与工作频率f 和传播距离d 有关, 当f 或d 增大一倍时,[ L f s ] 将分别增加6 dB。下面的公式说明在自由空间下电波传播的损耗L os = 32144 + 20lg d ( Km) + 20lg f (MHz) ,L os 是传播损耗, 单位为dB[2 ] 。
标签电路原理图如图1 所示, 单片机控制发射芯片2401的收发, 单片机通过一个3 线接口写入一个单独的配置寄存器, 工作时, 先置2401 为配置状态, 而后, 在激活状态下,使用状态字中指定的通道, 进行数据收发, 收发过程中进行交互时, 一方进入等待状态, 如全部数据都传送完毕, 则进入掉电状态。
2 智能编码图像识别模块设计
2.1.1 智能视频编码框图
在智能编码图像识别中, 编解码是重要的, 本系统设计编解码技术框图如图2 、图3 所示, 基于H1264 标准, 也可采用国标AVS 标准。

图2 智能视频编码框图

图3 智能视频解码框图
在编码过程中, 在采集到视频序列后, 首先经过视频分割、运动目标跟踪等技术得到ROI 区域(用户感兴趣的区域比如车牌号等) , ROI 区域可以根据用户需求定制。对于无损要求的应用, 借鉴J PEG2000 的编码思路, 采用基于小波变换的改进编码间预测、运动估计、熵编码等方法进行压缩, 达到较高的压缩比, 保证在接收端无差错恢复数据。小波变换提供了一个信号的多分辨率/ 多频率表示, 通过把一个信号进行分析并得到在每一个子带中信号所占的分量值来标识一个信号,提供了更细的粒度, 使我们对于一个图像的分级做得更加充分; 对于低损要求的应用, 通过设计误差较小的频域变换方法和高效的熵编码算法, 在保证压缩质量的同时提高压缩效率, 最终实现面向对象的高效高质量编码。
对于视频中等其他区域, 首先经过降采样技术降低参与编码的数据量, 然后对序列进行帧内预测、帧压缩码流后根据进行数据复用, 并为解码提供帧同步信息。解码过程为编码的逆过程。
2.1.2智能化视频编码的关键技术及硬件框图
在实现ROI 区域智能无损/ 低损编码时, 首先要根据用户需求, 采用视频分割、运动目标检测与跟踪、目标轮廓提取及SVC 等技术提取ROI , 然后进行编码[6 ] 。视频对象分割是指在时空域上将视频分割为一些视频语义对象的组合, 也就是将每一个视频帧分割为一些不同语义对象区域。运动目标检测与跟踪采用改进算法实现对快速运动目标的跟踪, SVC 可分级视频编码, 使得编码过程中的灵活性更好, 解决网络传输的带宽限制, 视频信号通过DSP 芯片对编解码算法进行优化, 实现高效、稳定性强的编解码功能。

图4 智能视频编码硬件框图
3 结束语
nRF2401 工作在214GHz , 无需申请, 适合交通应用, 具有很多的优良特性, 智能编码传输图像清晰, 文中设计的系统在车辆稽查中发挥了很大作用, 标签通信距离最大可达100m ,图像识别效果比传统方法准确率高, 有源RFID 系统中的标签自带电池的(也可配置电源模块, 车载供电) , 可以主动发送信号, 不像无源标签需要读写器发出的无线电波能量激活才能工作, 反应时间少, 系统设计使用的RFID 标签使用寿命为4~5 年, 设计标签采用3 V 的纽扣电池两个并联供电, 标签采用PCB 微带天线, 阅读器采用定向天线, 系统在使用中取得良好的效果, 但还有不完善的地方, 如后台管理系统的人性化、便捷性、系统稳定性等方面还需要改进。
13.56MHz NFC天线,13.56MHz RFID天线设计培训课程套装,让天线设计不再难
上一篇:一种高度集成非接触式智能卡读写模块设计
下一篇:基于智能卡系统的密钥管理举例


