- 易迪拓培训,专注于微波、射频、天线设计工程师的培养
基于RFID技术的无线门禁系统的设计
录入:edatop.com 点击:
引言
门禁系统是新型现代化公共安全管理系统,它集微机自动识别技术和现代安全管理措施为一体,涉及电子、机械、光学、计算机技术、通信技术和生物技术等诸多新技术,是重要部门出入口实现安全防范管理的有效保障[1]。随着无线射频识别技术的发展,非接触式IC卡门禁系统由于其技术成熟、价格低廉、使用方便等优异的性能,已成为住宅、楼宇、银行等系统的重要组成部分。现有的门禁系统多为有线传输方式,各控制器同PC机的通信一般是通过RS-232,RS-485或CAN总线进行的,设备之间的物理连接复杂,网络改造施工困难,对于新增用户来说新增布线更是繁琐。本文针对目前所使用的有线门禁系统的缺点,提出一套基于无线传输模块构建的门禁网络的设计方案,满足人们对于系统灵活性的需求。
1 RFID技术
射频识别技术是利用无线电波来进行通信的一种非接触式的自动识别技术,被广泛应用于身份识别、物流、自动化生产过程、交通系统和门禁系统等。典型的RFID 系统包括电子标签,读写器以及数据处理系统三个部分。在实际应用中,电子标签附着在待识别物体的表面,其中保存有约定格式的电子数据。读写器通过天线发送一定频率(13.56MHZ)的射频信号,当电子标签进入该磁场时产生感应电流,同时利用此能量发送出自身编码等信息,当标签读写器读取信息并解码后传送至主机并进行相关处理,从而达到自动识别物体的目的。
非接触IC卡[2]使用方便,感应速度快,感应距离可以选择5~lO cm;它采用无线通信方式,无需外露金属触点,整个卡片完全密封,无机械磨损,使用寿命长,能在各种恶劣的工作条件下使用。感应卡的芯片内都有一个只读的识别码,不能复制,而且授权系统密码管理严格,绝无仿冒的可能。系统可扩展性强,可以随时扩展使用单元或者其它一卡通功能模块。
2 系统整体构成和功能
系统整体结构图如图1所示。本系统主要由读写器、门禁控制器、无线数据传输模块、液晶显示模块、语音电路、传感器、电磁门锁和管理PC机等组成。门禁控制器是门禁系统的核心部分,通过无线传输模块与计算机通信,负责本节点内RFID卡的管理、用户权限的判定及门状态的控制并上传读卡信息、时间信息等。此外为了避免出现被授权用户因为忘记带卡而无法进入的现象,系统外接—个键盘,以便于在无卡的情况下输入密码同样可以呼叫开门。键盘按键设为数字键0-9、确认键及取消键。采用OCMJ5XIOB液晶显示器显示操作信息及系统时间等。门禁管理PC机是系统的中央管理机构,主要负责住户信息的数据库管理、各节点用户实时操作的监控与信息记录等。
系统工作过程为:当用户通过门时,触发红外线传感器,液晶模块和语音便会提示“请刷卡”,用户将卡接近读写器或通过键盘输入密码,门禁控制器将卡信息或键盘信息与外部EEPR0M 中存储的信息比较,验证用户权限,进而控制门状态并给出相应的语音和文字提示。同时通过无线数据传输模块将卡信息、各时刻操作信息、键盘信息等传送到管理PC机以对这些信息进行文件和数据库的存储。门禁控制器可以判断出网络是否连接出问题,当网络出问题、不畅通时可独立控制门的开关。
3 门禁控制器各模块硬件设计
3.1 读卡模块
非接触式IC卡门禁读卡器以射频识别技术为核心,采用PHILIPS公司的MFRC530芯片,它是一个小型的、最大操作距离达10厘米的Mifare卡射频基站,其功能包括调制、解调、产生射频信号、安全管理和防冲撞机制。它根据寄存器的设定对发送缓冲区中的数据进行调制得到发送的信号,通过由TX1,TX2脚驱动的天线以电磁波的形式发出去,非接触式IC卡采用RF场的负载调制进行响应。天线拾取非接触式IC卡的响应信号经过天线匹配电路送到RX脚,MFRC530内部接收缓冲器对信号进行检测和解调并根据寄存器的设定进行处理。处理后的数据发送到数据总线上等待MCU读取。处理后的数据发送到并行接口由单片机读取[3]。
3.2 门禁控制器
每个门禁读卡器都相当于一个智能的节点,它能独立完成门状态和锁状态的监控、判断卡类型、实时监控刷卡动作、控制电磁门锁等一系列的操作。系统采用了台湾凌阳公司产的SPCE061A单片机,SPCE061A集成度高、易于扩展;具有较强的中断处理能力,支持异常中断,事件中断和软中断3种类型的中断;具有高效的指令系统,具有保密能力和WatchDog功能。
3.3 无线数据传输模块
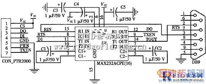
无线数据传输模块选用PTR2000,该模块满足无线管制的要求且无需使用许可证,采用抗干扰能力较强的FSK调制/解调方式。设计中,通信频率设定为434.33 MHz(CS置为高电平)。系统运行中,模块始终处于工作状态(PWR置为高电平),在发送数据之前,应将模块先置于发射模式,即TXEN=1。然后在等待至少5ms后(接收到发射的转换时间)才可以发送任意长度的数据。发送结束后应将模块置于接收状态,即TXEN=0。发射到接收的转换时间为5ms。接收时应将PTR2000置于接收状态,即TXEN=0。然后将将接收到的数据直接送到单片机串口。PTR2000与管理PC机串口的接口电路见图2。
系统采用金鹏科技有限公司的OCMJ5XIOB中文模块液晶显示器[4],内含GB2312、16*16点阵国标一级简体汉字和ASCII8*8(半高)及8*16(全高)点阵英文字库,用户输入区位码或ASCII码即可实现文本显示,提示“请刷卡”、“请进”等信息。接口协议为REQ/BUSY握手方式。应答BUSY=1表示液晶忙于内部处理,不能接收用户命令;BUSY=0表示液晶空闲,等待接收用户命令。发送命令到液晶可在BUSY=0后的任意时刻开始,先把用户命令的当前字节放到数据线上,接着发高电平REQ信号(REQ=1)通知液晶请求处理当前数据线上的命令或数据。液晶模块在收到外部的REQ高电平信号后立即读取数据线上的命令或数据,同时将应答线BUSY变为高电平,表明模块已收到数据并正在忙于对此数据的内部处理,此时,用户对模块的写操作已经完成,可不断地查询应答线BUSY=0?,如果BUSY=0,表明模块对用户的写操作已经执行完毕。可以再送下一个数据。向模块发出一个完整的显示汉字的命令,包括坐标及汉字代码在内共需5个字节,模块在接收到最后一个字节后才开始执行整个命令的内部操作,因此,最后一个字节的应答BUSY=1持续时间较长。
3.5 语音模块
将用语音合成的相应WAVE 语音文件压缩为凌阳SACM_S480格式,SACM_S480采用混合编码,综合了参数和波形编码之优点,保持波形编码的高质量和参数编码的低速率,压缩比为80:3。SACM_S480语音文件在程序中经解码处理,送往D/A播放语音提示。SPCE061A具有7通道lO位电压A/D转换器和单通道声音A/D转换器;声音A/D转换器输入通道内置麦克风放大器和自动增益控制(AGC)功能,可编程音频处理;使用凌阳音频编码SACM_S480方式;提示“请刷卡”、“请进”等信息。
4 系统软件设计
4.1 门禁控制器工作流程
门禁控制器主要实现卡信息的读取和按键密码验证、液晶显示及语音提示、无线模块接收及发送操作信息等,软件主程序流程见图3。
4.2 PC机管理软件
PC机管理软件是在Windows XP操作平台上利用Visual C++6.0开发的,具有友好的人机交互界面,显示直观,操作方便。主要由通信处理模块、卡片管理模块、控制器管理模块、权限管理模块等组成[5]。各模块均以SQL SERVER为后台运行数据库,利于实现各模块之间的数据操作和共享。数据库包括实时操作信息、注册和注销信息、卡认证信息和键盘操作信息。
采用无线方式进行数据传输,实现门禁控制与PC机的信息交互,减少了施工难度,利于日后管理者对门禁网络的改造。该系统具有很大的扩展空间,根据需要不仅可以进行门禁控制器节点的扩展,而且在功能上可以同视频监控、防盗报警等系统集成联动,也可在以后根据需要采用指纹识别、人脸识别等技术升级替换RFID读卡模块。
门禁系统是新型现代化公共安全管理系统,它集微机自动识别技术和现代安全管理措施为一体,涉及电子、机械、光学、计算机技术、通信技术和生物技术等诸多新技术,是重要部门出入口实现安全防范管理的有效保障[1]。随着无线射频识别技术的发展,非接触式IC卡门禁系统由于其技术成熟、价格低廉、使用方便等优异的性能,已成为住宅、楼宇、银行等系统的重要组成部分。现有的门禁系统多为有线传输方式,各控制器同PC机的通信一般是通过RS-232,RS-485或CAN总线进行的,设备之间的物理连接复杂,网络改造施工困难,对于新增用户来说新增布线更是繁琐。本文针对目前所使用的有线门禁系统的缺点,提出一套基于无线传输模块构建的门禁网络的设计方案,满足人们对于系统灵活性的需求。
1 RFID技术
射频识别技术是利用无线电波来进行通信的一种非接触式的自动识别技术,被广泛应用于身份识别、物流、自动化生产过程、交通系统和门禁系统等。典型的RFID 系统包括电子标签,读写器以及数据处理系统三个部分。在实际应用中,电子标签附着在待识别物体的表面,其中保存有约定格式的电子数据。读写器通过天线发送一定频率(13.56MHZ)的射频信号,当电子标签进入该磁场时产生感应电流,同时利用此能量发送出自身编码等信息,当标签读写器读取信息并解码后传送至主机并进行相关处理,从而达到自动识别物体的目的。
非接触IC卡[2]使用方便,感应速度快,感应距离可以选择5~lO cm;它采用无线通信方式,无需外露金属触点,整个卡片完全密封,无机械磨损,使用寿命长,能在各种恶劣的工作条件下使用。感应卡的芯片内都有一个只读的识别码,不能复制,而且授权系统密码管理严格,绝无仿冒的可能。系统可扩展性强,可以随时扩展使用单元或者其它一卡通功能模块。
2 系统整体构成和功能
系统整体结构图如图1所示。本系统主要由读写器、门禁控制器、无线数据传输模块、液晶显示模块、语音电路、传感器、电磁门锁和管理PC机等组成。门禁控制器是门禁系统的核心部分,通过无线传输模块与计算机通信,负责本节点内RFID卡的管理、用户权限的判定及门状态的控制并上传读卡信息、时间信息等。此外为了避免出现被授权用户因为忘记带卡而无法进入的现象,系统外接—个键盘,以便于在无卡的情况下输入密码同样可以呼叫开门。键盘按键设为数字键0-9、确认键及取消键。采用OCMJ5XIOB液晶显示器显示操作信息及系统时间等。门禁管理PC机是系统的中央管理机构,主要负责住户信息的数据库管理、各节点用户实时操作的监控与信息记录等。
系统工作过程为:当用户通过门时,触发红外线传感器,液晶模块和语音便会提示“请刷卡”,用户将卡接近读写器或通过键盘输入密码,门禁控制器将卡信息或键盘信息与外部EEPR0M 中存储的信息比较,验证用户权限,进而控制门状态并给出相应的语音和文字提示。同时通过无线数据传输模块将卡信息、各时刻操作信息、键盘信息等传送到管理PC机以对这些信息进行文件和数据库的存储。门禁控制器可以判断出网络是否连接出问题,当网络出问题、不畅通时可独立控制门的开关。

3 门禁控制器各模块硬件设计
3.1 读卡模块
非接触式IC卡门禁读卡器以射频识别技术为核心,采用PHILIPS公司的MFRC530芯片,它是一个小型的、最大操作距离达10厘米的Mifare卡射频基站,其功能包括调制、解调、产生射频信号、安全管理和防冲撞机制。它根据寄存器的设定对发送缓冲区中的数据进行调制得到发送的信号,通过由TX1,TX2脚驱动的天线以电磁波的形式发出去,非接触式IC卡采用RF场的负载调制进行响应。天线拾取非接触式IC卡的响应信号经过天线匹配电路送到RX脚,MFRC530内部接收缓冲器对信号进行检测和解调并根据寄存器的设定进行处理。处理后的数据发送到数据总线上等待MCU读取。处理后的数据发送到并行接口由单片机读取[3]。
3.2 门禁控制器
每个门禁读卡器都相当于一个智能的节点,它能独立完成门状态和锁状态的监控、判断卡类型、实时监控刷卡动作、控制电磁门锁等一系列的操作。系统采用了台湾凌阳公司产的SPCE061A单片机,SPCE061A集成度高、易于扩展;具有较强的中断处理能力,支持异常中断,事件中断和软中断3种类型的中断;具有高效的指令系统,具有保密能力和WatchDog功能。
3.3 无线数据传输模块
无线数据传输模块选用PTR2000,该模块满足无线管制的要求且无需使用许可证,采用抗干扰能力较强的FSK调制/解调方式。设计中,通信频率设定为434.33 MHz(CS置为高电平)。系统运行中,模块始终处于工作状态(PWR置为高电平),在发送数据之前,应将模块先置于发射模式,即TXEN=1。然后在等待至少5ms后(接收到发射的转换时间)才可以发送任意长度的数据。发送结束后应将模块置于接收状态,即TXEN=0。发射到接收的转换时间为5ms。接收时应将PTR2000置于接收状态,即TXEN=0。然后将将接收到的数据直接送到单片机串口。PTR2000与管理PC机串口的接口电路见图2。

系统采用金鹏科技有限公司的OCMJ5XIOB中文模块液晶显示器[4],内含GB2312、16*16点阵国标一级简体汉字和ASCII8*8(半高)及8*16(全高)点阵英文字库,用户输入区位码或ASCII码即可实现文本显示,提示“请刷卡”、“请进”等信息。接口协议为REQ/BUSY握手方式。应答BUSY=1表示液晶忙于内部处理,不能接收用户命令;BUSY=0表示液晶空闲,等待接收用户命令。发送命令到液晶可在BUSY=0后的任意时刻开始,先把用户命令的当前字节放到数据线上,接着发高电平REQ信号(REQ=1)通知液晶请求处理当前数据线上的命令或数据。液晶模块在收到外部的REQ高电平信号后立即读取数据线上的命令或数据,同时将应答线BUSY变为高电平,表明模块已收到数据并正在忙于对此数据的内部处理,此时,用户对模块的写操作已经完成,可不断地查询应答线BUSY=0?,如果BUSY=0,表明模块对用户的写操作已经执行完毕。可以再送下一个数据。向模块发出一个完整的显示汉字的命令,包括坐标及汉字代码在内共需5个字节,模块在接收到最后一个字节后才开始执行整个命令的内部操作,因此,最后一个字节的应答BUSY=1持续时间较长。
3.5 语音模块
将用语音合成的相应WAVE 语音文件压缩为凌阳SACM_S480格式,SACM_S480采用混合编码,综合了参数和波形编码之优点,保持波形编码的高质量和参数编码的低速率,压缩比为80:3。SACM_S480语音文件在程序中经解码处理,送往D/A播放语音提示。SPCE061A具有7通道lO位电压A/D转换器和单通道声音A/D转换器;声音A/D转换器输入通道内置麦克风放大器和自动增益控制(AGC)功能,可编程音频处理;使用凌阳音频编码SACM_S480方式;提示“请刷卡”、“请进”等信息。
4 系统软件设计
4.1 门禁控制器工作流程
门禁控制器主要实现卡信息的读取和按键密码验证、液晶显示及语音提示、无线模块接收及发送操作信息等,软件主程序流程见图3。
4.2 PC机管理软件
PC机管理软件是在Windows XP操作平台上利用Visual C++6.0开发的,具有友好的人机交互界面,显示直观,操作方便。主要由通信处理模块、卡片管理模块、控制器管理模块、权限管理模块等组成[5]。各模块均以SQL SERVER为后台运行数据库,利于实现各模块之间的数据操作和共享。数据库包括实时操作信息、注册和注销信息、卡认证信息和键盘操作信息。

图3 门禁控制器主程序流程
采用无线方式进行数据传输,实现门禁控制与PC机的信息交互,减少了施工难度,利于日后管理者对门禁网络的改造。该系统具有很大的扩展空间,根据需要不仅可以进行门禁控制器节点的扩展,而且在功能上可以同视频监控、防盗报警等系统集成联动,也可在以后根据需要采用指纹识别、人脸识别等技术升级替换RFID读卡模块。
13.56MHz NFC天线,13.56MHz RFID天线设计培训课程套装,让天线设计不再难
上一篇:超高频RFID读写器组网与协调技术研究
下一篇:“一卡通”在实验教学示范中心的应用


