- 易迪拓培训,专注于微波、射频、天线设计工程师的培养
射频收发器接收端口差分匹配电路的计算
接收灵敏度是GSM手机射频性能的重要指标,匹配电路的调整是优化接收灵敏度的主要方法。常见的GSM手机射频接收电路如图1所示,需要调整的匹配电路主要有两部份, 一部份是单端匹配电路, 是调整SAWFilter单端输入端口至天线端口路径的阻抗到50欧姆;另一部份是差分匹配电路,是调整差分路径的阻抗满足SAW Filter负载阻抗的要求。一般大家都比较熟悉单端匹配电路的调试方法,本文介绍的是如何根据SAWFilter和RF Transceiver规格书的要求来计算差分匹配电路的值。

图1 GSM接收电路框图
1 差分匹配电路的计算方法
本文以MTK的GSM Transceiver AD6548和Murata的SAW Filter SAFEK881MFL0T00R00为例,按照六个步骤,通过图解和计算公式详细介绍差分匹配电路的计算方法。
1.1 根据RF Transceiver的规格书计算单端LNA输入阻抗
根据AD6548的规格书,接收端LNA输入阻抗如表1所示:
表1

以GSM850频段为例,输入阻抗85-J110的电路模型是一个电阻串联一个电抗原件,+J表示感性原件,-J表示容性原件。这里是一个85 Ohms的电阻串联一个110 Ohms的容性原件。我们可以按照如图2所示的步骤把串联电路转换成单端等效电路:

图2 串联电路转换成单端等效电路
图中R=85 Ohms,Z1=-110 Ohms.
我们能计算出:R/2=42.5 Ohms,Z1/2=-55 Ohms.
1.2 根据SAW Filter的规格书计算出期望的单端负载阻抗
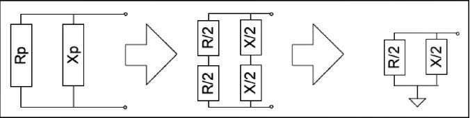
一般SAW Filter的规格书会指明它所期望的负载阻抗,以Murata的SAW Filter SAFEK881MFL0T00R00为例,要求负载阻抗是150 Ohms//82nH,电路模型为150 Ohms的电阻并联82nH的电感。我们可以按照如图3所示的步骤把并联电路转换成单端等效电路:

图3 并联电路转换成单端等效电路
图中Xp=2πfL(Xp是一个电感)
Xp=1/2πfC(Xp是一个电容)。
为了计算出X,我们需要选择一个频率点,这里我们选择GSM850接收频段的中心频点881MHz,我们可以计算出:
X/2=2π×881×106×82×10-9/2=227 Ohms;
R/2=150/2=75 Ohms.
1.3 计算出单端阻抗和导纳
根据1.1和1.2的结果,可以得到:
单端LNA输入阻抗Z=42.5-J55 (串联电路一般用阻抗表示)。
期望单端负载导纳Y=1/75-J(1/227)=0.013-J0.0044 Seimens(并联电路一般用导纳表示)。
1.4 设置Smith-Chart工具
我们的目的是把单端LNA输入阻抗(Z=42.5-J55 0hms )通过匹配网络使其导纳等于期望单端负载的导纳(Y=0.013-J0.0044 Seimens),在Smith-chart工具上我们能很容易找到这两个点。
我们可以通过Smith-chart工具很容易得到匹配值。打开Smith-Chart工具,我们需要设置以下参数:
1)设置参考阻抗为500hms ;2)设置频率为881MHZ;3)设置初始阻抗值为Z=42.5-J550hms .
1.5 利用Smith-Chart工具得到单端匹配值

图4 Smith-Chart工具界面
如图4,在Smith-Chart工具界面上的点1就是我们初始阻抗Z的位置,我们需要把它匹配到Y=0.013-J0.0044的位置。我们先可以串联一个电感把实部定位到Y=0.013的导纳圆上,然后我们在并联一个电感把虚部定位到Y=-J0.0044的位置上。这样我们就找到的目标点3.我们能在工具界面中看到串联电感值Ls=3nH,并联电感值Lp=11.2nH,由于实际应用中没有11.2nH这个电感值,我们取Lp=11nH,这样我们就得到了单端匹配电路的值,等效电路如图5所示。

图5 单端匹配电路
1.6 计算差分匹配电路值
在1.5中我们得到了单端匹配电路的值,我们实际需要的是差分匹配电路的值,因此我们还需要把单端匹配网络转换成差分匹配网络,转换步骤如下图6所示:

图6 单端网络转换到差分网络
其中:Zd1=Zs1;Zd2=2×Zs2,如果Z是电感;Zd2=1/2×Zs2,如果Z是电容。
最后我们能得到差分匹配电路的值:
串联电感值为L1=L2=3nH;并联电感值为L3=22nH.
如图7所示:

图7 差分匹配电路
当然这只是理论计算值,实际的值我们还需要根据仪器的测试结果来调试,本文就不介绍具体调试方法了。


