- 易迪拓培训,专注于微波、射频、天线设计工程师的培养
基于RFID的智能汽车安全防盗系统设计方案
随着我国汽车工业的发展和人民生活水平的提高,汽车越来越多地进入普通家庭。由于各种突发性道路交通事故与汽车盗窃案件的频繁发生,人们对汽车安全与防盗的关注度也日益提高。开发和研究汽车安全与防盗系统,是确保行车安全和防止盗窃的有效技术措施。与传统单个独立汽车胎压监测系统和汽车遥控无钥匙进入系统相比,本系统的特点是,将胎压监测系统与遥控无钥匙进入系统进行整合,有效地实现了射频(RF)模块的复用,不仅节约了硬件开销,也提高了系统的集成度。
1 基于RFID 技术的汽车安全防盗系统
射频识别技术(RFID)是一种非接触式的自动识别技术。汽车安全防盗系统采用射频识别技术,通过射频信号自动识别目标对象并获取相关数据。RFID 技术采用射频传输,可以透过外部材料读取芯片数据,实现非接触操作。通信数据使用加密算法对数据进行加密,实现数据安全存储、管理及通信。随着电子技术的快速发展,电子芯片集成度的提高,RFID 系统成本也在不断地降低,加快了智能化在汽车电子行业中的推广与应用。
智能汽车安全防盗系统由轮胎发射模块、遥控钥匙模块和基站模块组成。对RFID 系统来说,收发频率大小决定了射频识别系统的识别距离、电路实现的难易程度以及硬件设计成本。在汽车安全防盗设计中,125 kHz 等低频(LF)频段用于近距离、低速度,数据量要求较少的汽车引擎防盗系统的识别;434 MHz 等超高频(UHF)频段则用于远距离的射频通信系统(汽车轮胎压力监测系统与远程无钥匙进入系统)的识别。
2 系统组成
系统的总体结构如图1 所示,系统由轮胎模块、钥匙模块和基站模块组成。

图1 系统总体框图
以4 个轮胎的轿车为例,系统由4 个轮胎模块、1个钥匙模块和1 个基站模块构成,其中基站模块包括RF 接收器、LF 收发器、中央控制部分、人机界面以及用来传送点火、门控命令的汽车区域互联网络(LIN)总线。4 个轮胎模块分别安装在汽车的4 个轮胎中,对每个轮胎的压力、温度与电池电压参数进行实时的测量,并将测量的数据通过RF 通信方式发送到基站模块进行处理。基站模块,一方面接收来自轮胎模块的RF数据,并进一步判断轮胎参数是否正常,如果发现异常则进行实时报警;另一方面接收来自钥匙模块的RF控制数据,并验证钥匙的ID是否合法,如果发现异常,则及时进行报警,如果正常,基站向门控执行机构发送确认信息,实现启/ 闭锁的动作;同时,基站模块通过LF 通信方式与钥匙模块进行通信,利用钥匙模块中应答器的密码与基站模块中的密码进行匹配来控制发动机的启动,以达到防盗的目的。基站可以通过汽车总线与汽车内部的其他电子系统相连,实时地共享数据和控制信息。
3 系统硬件设计与实现
3.1 轮胎模块电路
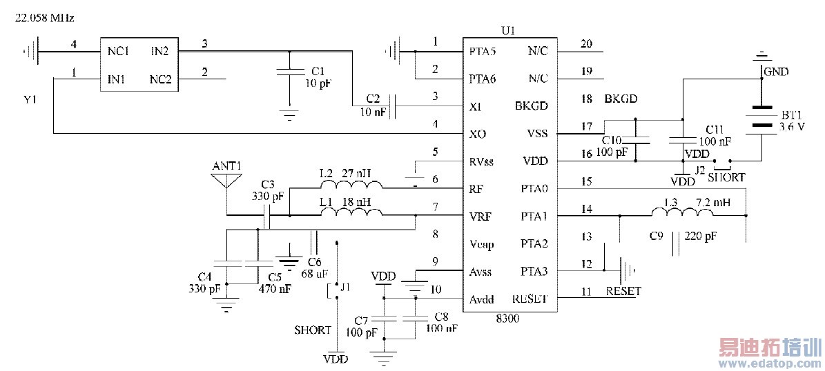
轮胎模块由轮胎状态的数据采集与发射电路组成,如图2 所示。

图2 轮胎模块电路
轮胎模块电路采用FREESCALE公司的智能嵌入式传感器MPXY8300.该系列传感器集成了该公司的低功耗S08 核,内含512 字节RAM和16 KB Flash,同时还集成了低功耗电容式压力、温度传感器和单通道的低频输入接口。其RF发射支持315 MHz 和434 MHz 两种载波频率,并可通过编程配置使寄存器为幅移键控(ASK)或频移键控(FSK)调制方式。它还集成了电荷泵功能,当电池电压较低时,可提高RF 发射部分供电电压,从而使其仍能达到一定的R F 发射强度。
MPXY8300 是一款将压力温度传感器、8 位微控制器(MCU)、RF 发射器和双轴(XY)加速器全部集成到一个片上的系统级芯片(SOC)。MPXY8300 压力测量范围:轿车100~800 kPa,卡车100~1 400 kPa,温度测量范围:-40~125 ℃。
3.2 钥匙模块电路
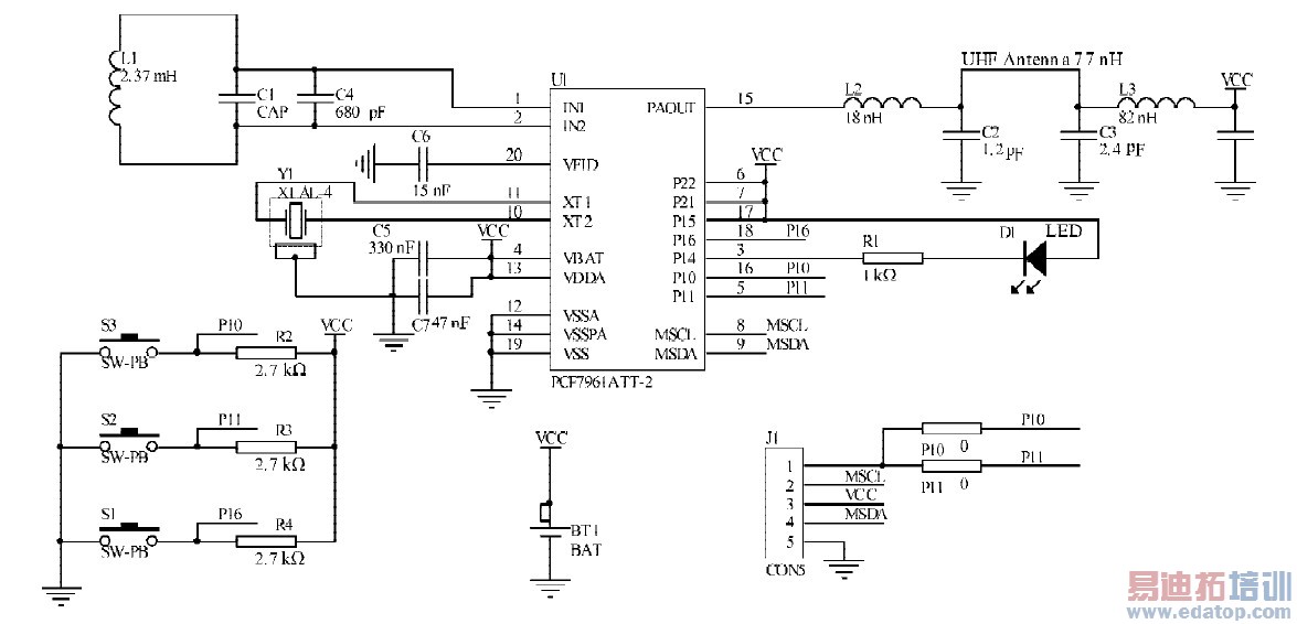
钥匙模块芯片采用NXP 公司生产的PCF7961。
PCF7961是一个基于低功耗8位MRKII架构的精简指令集(RISC)处理器,它集成了UHF发射器与LF频收发器的芯片。这种芯片能够完成射频发射和应答器低频通信认证,适合于机动车辆遥控防盗装置。它采用快速相互鉴别算法,使用随机数字、密钥和口令,具有灵敏度高(远距离)和鉴别时间短(39 ms)的特点。
PCF7961 还提供了出厂时已经固化了的32 位身份识别码(ID)。图3 是钥匙模块的电路原理图。

图3 钥匙模块电路
3.3 基站模块电路
基站模块主要由射频接收电路、低频收发电路、主控芯片MCU、LIN 接口以及人机接口组成。射频接收电路采用FREESCALE 公司的UHF 射频接收芯片MC33596,完成信号解调和数据曼切斯特解码后,将数据传送到基站主控芯片MC9S08DZ60,进行数据处理(RKE 数据解密)和指令执行。
低频收发器采用NXP公司生产的PJF7992.PJF7992集成了所有必需的功能方便读写应答器,基站微处理器通过PJF7992 带有的LIN串行接口控制PJF7992 和应答器之间的通讯。
基站主控芯片采用F RE E SC A L E 公司生产的MC9S08DZ60,它可以通过SPI 串行总线对射频接收芯片MC33596 参数进行配置与通信。MC9S08DZ60 内部集成了2 个SCI(LIN)模块,可通过一路LIN 总线实现对低频收发芯片PJF7992 的控制,另一路LIN总线实现对发动机电控单元(ECU)与门控相关执行机构传送命令。在汽车安全防盗系统中加入LIN总线接口,可使该系统能够与汽车内部其他电子控制系统共享数据与控制信息,极大地提高了系统的安全性与灵活性。
4 系统软件设计
4.1 无线通信协议
无线传输采用FSK 调制方式,其曼彻斯特编码与解码由片内硬件自动完成。轮胎模块和钥匙模块中门控命令都是以数据包(帧)的形式发送数据,其数据帧格式分别如表1,2 所示。
表1 轮胎模块RF 数据帧格式

表2 钥匙模块RF 数据帧格式

13.56MHz NFC天线,13.56MHz RFID天线设计培训课程套装,让天线设计不再难
上一篇:基于RFID高频技术的食品质量安全追溯信息管理系统
下一篇:基于MMC3282+EFM32的超低功耗无线停车场检测系统


