- 易迪拓培训,专注于微波、射频、天线设计工程师的培养
虚拟仪器的数字阵列天线测试
O 引言
LabvlEw是实验室虚拟仪器集成环境(laboratory virtual instrument engineering workbench)的简称,是美国NI公司的创新软件产品,也是目前应用最广、发展最快、功能最强的图形化软件集成开发环境。LabVIEW作为软件化仪表在数据采集及控制、数据分析和显示等方面具有强大的功能,其支持的信号接口卡丰富,用户能够快捷方便地对各个输入数据参数进行即时设置和调试,程序运行结果也十分直观。数字天线阵列是天线和数字信号处理技术结合的产物,它具有工作方式灵活、抗干扰性能卓越和超角分辨等众多优点,因此其在军事和民用领域都得到了广泛的应用。一般阵列天线校正和波瓣测量需要采集大量的数据,进行多次循环计算,工作效率低且动用的仪器设备众多。
因此在数字阵列天线测试中,LabVIEW的优势十分明显,它可以实现对大量通道信号同时采集和实时监控、分析等工作,这样既节省了资源,也简化了测试过程提高了工作效率。
1 系统简介
在系统接收端,接收天线各单元通道将接收到的信号通过接收前端放大后,直接送到数字接收机和采集计算机。由数据采集卡对接收机输出的I/Q信号和天线方位等机械参数、触发信号进行采集和控制,并最终在终端控制处理计算机上计算出天线波瓣图,系统工作过程如图1所示。
系统图
在测试过程中,我们采用LabVIEIW设计用户图形界面,负责通道监视和数据采集。LabVIEW中数据采集系统由采集硬件、硬件驱动程序和数据采集函数等组成。安装的硬件驱动程序包含了硬件可以接受的操作命令,在使用这些硬件之前,根据需要进行硬件和软件设置,以满足采样频率等方面的要求。在本系统中我们采用NI公司的PCI-6534采集卡,LabVIEW通过控制数据采集卡对接收机输出的IQ信号以及其它机械参数等进行采集。在完成采集卡的设置后,我们就可以进行采集和通道监控等工作了。
图二:通道监视VI的前面板
2 通道监视
由于整个系统由多个通道构成,为了保证在校正过程中各个通道处于正常工作状态,在校正开始前我们需要对通道进行检查。同时,由于本系统工作频带位于民用通信频带内,为了避免民用通信信号对校正过程的影响我们也需要对外界电磁信号进行监视。因此,通道监视是确保校正顺利进行的重要一部。图2是通道监视VI的前面板界面,图3是通道监视Ⅵ的框图。在前面板(图2)中使用了Dialog Tab Control控件,使我们可以在多通道同时监控和单通道观测间切换。在该VI中,除了可以直观监视各个通道是否正常工作外,我们还可以测量、比较各个通道功率增益的差异并完成对通道时域信号幅度、IQ信号正交度等信息的监控。
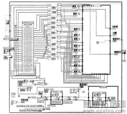
图三:通道监视VI的框图
在通道监视Ⅵ的框图(图3)中,我们通过COM组件法在后台调用了MATLAB数学处理软件。它完成的主要任务是将采集卡输出的多个通道串行数据流按通道进行分组,并根据需要进行数制转换和数据分析等工作,这些功能加快了程序运行速度,提高了该Ⅵ数据处的能力和灵活性。
3 外校正数据采集
在确定各个通道都处于正常工作状态,并且没有外界电磁干扰的情况下,就可以开始进行外校正了。
3.1 串口数据采集子Ⅵ
为了完成外校正,在数据采集过程中必须实时获取天线机械旋转的方位。这里我们通过串口来采集天线机械旋转的码盘值,获得天线实时旋转方位。
其中的串口采用的是RS232,D型口,其中利用2、3和5三跟针脚,一个是发送、一个是接收,一个是接地。在Labview中采用的visa,首先是进行串口设置,设置串口号,波特率,其中特别注意的是要安装visa驱动包,只有安装了这个驱动包,串口才可以选择。

图4和图5是串口数据采集子VI及其框图中(串口采集部分)。配合定北仪测量结果,通过该子VI我们可以获得天线机械旋转的实时码盘值、天线方位和法线方位。
3.2 数据采集VI
数据采集是测试过程中最基本也是最重要的一个环节,它的前面板如图6。在数据采集Ⅵ中我们不但可以控制采集的起止还可以通过在前面板修改参数控制采集数据的长度,从几十千到几十兆都可以实现连续采集。

数据采集VI
3.3 外校正数据采集VI
在有了串口数据采集子VI,并结合数据采集VI,通过合理控制数据采集长度,我们就可以最终完成外校正数据采集。图7是外校正数据采集VI的前面板,在这里我们可以指定外校正测试的频率和数据的存储路径,并可以实时监视天线机械旋转的码盘值和天线的法向指向,并根据实际需要随时停止数据的采集。图8是外校正数据采集VI的框图。
4 结束语
通过以上几个主要程序和其他一些辅助程序,我们完成了在天线测试过程中从通道监视到最后外校正数据采集一个完整的过程。本系统充分利用了LabVIEW在软件化测量编程、数据采集方面的优势,提高了工作效率,缩短了工作时间,并经过了实践的验证。
上一篇:智能测控系统的应用
下一篇:电池温度智能监测系统


