- 易迪拓培训,专注于微波、射频、天线设计工程师的培养
基于P89LPC932单片机的夫兰克-赫兹
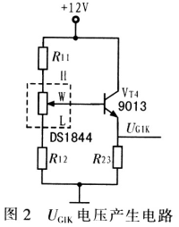
3.3 UG1K、UG2P、UF电压产生电路
采用数字电位器DS1844产生UG1K、UG2P、UF电压,该器件内含4个独立、6位(64阶)线性变化、可编程的分压器,采用I2C接口。硬件上,单片机P89LPC932通过I2C接口2个引脚与其相连;软件上通过写入控制字控制电位器的增大、减小和设定。由于DSl844的负载能力有限,也需采用放大电路扩展其负载能力。图2为UG1K电压产生电路,VT4接成共集放大电路,该电路能够输出一个64阶变化的电压UG1K。同样,采用DS1844的另外2个分压器和相同的驱动电路输出64阶变化的UG2P、UF电压。

3.4 IP电流放大电路
在F-H管中产生的电流IP很小(10-9~10-7A),设计由高性能运放OPA128组成的放大电路对该电流进行放大,如图3所示。该放大电路是仪器性能稳定的关键,需要选择偏置电流小的运算放大器,这里选用OPA128,因为其采用FET输入的"静电计级"运放,输入偏置电流不大于75 fA,失调电压最大为500μV,失调电压漂移最大为5μV/℃,输入阻抗为1013 Ω。该电路能把10-9A的电流放大并转换成1 V的电压输出,送至转换A/D进行转换和测量。

3.5 其他电路
在手动操作模式下,仪器测量的结果需直接显示读数,这里设计两个相同的电流、电压显示模块,这两个模块采用4片74LS164器件和4个7段LED数码管组成静态显示,它们和P89LPC932的连接较简单,只需用4个I/O接口模拟串口0方式进行显示驱动。在自动操作模式下,需接先采集数据再回放结果,为此采用带有I2C接口、64 K字节的E2ROM器件CAT24C256,可直接连接到单片机P89LPC932的I2C接口的2个引脚。在和计算机联机操作模式下,考虑到USB接口的方便性,选用USB串口转换器件PL2303H,使仪器能通过伪USB接口与计算机相连传输数据。PL2303H只需和单片机P89LPC932的UART的TXD、RXD引脚相连接,并读写UART相关的寄存器,计算机的驱动器由生产厂家提供,实际上映射为一个RS232接口编程。从而简化上位机的编程设计。
4 结束语
由于该仪器是采用P89LPC932、TLC2543、OPA128、MAX5481、DS1844和PL2303H等器件进行设计。保证了仪器的稳定性。本设计以简洁、实用为出发点,合理配置器件,从而提高仪器的整体性能,简化了电路设计和调试。


