- 易迪拓培训,专注于微波、射频、天线设计工程师的培养
基于电磁流量计信号转换器的校验器设计方法研究
录入:edatop.com 点击:
一 前言:
电磁流量计信号转换器的校验器是一种对电磁流量计信号转换器进行性能测试及标定的装置,已有的电磁流量计信号转换器是由一系列高精度的电阻网络组成,一般只能进行定点的测试及标定,不同厂家的转换器的放大倍数等参数不同,因此,这样的电磁流量计信号转换器的校验器只能在无监测条件下对特定电磁流量计信号转换器进行定点的测试及标定。限制了电磁流量计应用
二 设计思路:
设计的电磁流量计信号转换器的校验器包括待校验的外部电磁流量计信号转换器和输出模拟电磁流量计要测量的流体流速信号的电阻网络。利用电磁流量计信号转换器输出的励磁电流提供电源及同步信号,得到模拟电磁流量计传感器的输出信号,该模拟信号相对大小可无级调整及测量;并且可以根据不同类型的转换器调整输出信号,可以模拟不同的流速信号及不同的流体阻抗,输出信号的相对幅值可以用普通数字电压表测量,可用于不同厂家的电磁流量计信号转换器产品的校验。
三 实现方案:

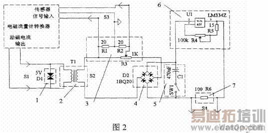
本设计包括待校验的外部电磁流量计信号转换器和输出模拟电磁流量计要测量的流体流速信号的电阻网络,外部电磁流量计信号输转换器的励磁电流输出,经一个双向稳压器连接一个变压器的初级输入,变压器的次级输出连接电阻网络的输入,电阻网络的输出经一个全波整流器后,分别连接一个续流电路的输入和一个恒流源电器的输入,恒流源电路的输出连接一个取样电阻;所述的电阻网络同时输出模拟电磁流量计要测量的流体流速信号,连接到外部电磁流量计信号转换器的信号输入。
四 校验器电路实现过程:
电路原理图如图2所示

来源:维库开发网


