- 易迪拓培训,专注于微波、射频、天线设计工程师的培养
基于数字位移传感器的位移测量系统
当原边供给一振荡电压时,由于电磁感应,两付边就分别产生感应电压V1和V2。若铁芯正处线圈的中心位置时,两付边对原边的互感量正好相等,同时两付边的交流电压分别经检测电路检波后,把所得两直流电压取其差值,则输出差动直流电压V为零。当铁芯往上位移时,上边的付边与原边的互感量增大,而下边的减小,即出现V1>V2,则差动直流输出电压V>O,反之亦然。LVDT两付边的感应电压V1,V2和差动直流输出电压V与铁芯在线圈中的位置的定性关系见图3,可见差动直流电压V与铁芯位移的大小在某一范围内是呈线性关系的。测量时把LVDT壳体夹固在参照物上,把和铁芯连接的测杆紧固在被测点上,当被测对象位移时就带动铁芯相对于线圈移动,从而线性地改变LVDT的输出电压。这样通过电测仪器测量LVDT输出电压的大小,即可测量出被测对象的位移量。

2 数据采集接口硬件和软件的实现
系统中的运动控制器是由云台光电实验室自主研制的,它与上位机之间通过RS 232或RS 485串行接口进行通信,串口信号格式为:COMl口、波特率4 800 b/s、无奇偶校验、8位数据位、1位停止位。位移反馈环节中的数字位移传感器只提供标准并行接口与外围设备连接,其A/D卡占用引脚2~9作为输入端口,引脚10~13作为输出端口,其端口输入输出电平均为TTL电平。以AT89C51单片机为核心的SPP转RS 232接口电路通过写输入端口向A/D送入操作状态,读输出端口得到A/D转换的数据及其他信息。A/D转换结果为14位二进制数,分两组读取,先读第1组高8位,再读第2组低6位。每组又分小两次读取,每次4位,最后一次是2位。
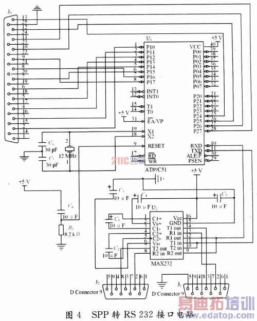
2.1 系统的数据采集接口电路硬件设计
图4为以AT89C51为核心的SPP转RS 232接口电路原理图。AT89C51是一种带4 KB闪速可编程只读存储器低功耗、低价格、高性能CMOS 8位单片机。单片机的P1端口与数字位移传感的输入端口相连,向传感器中的A/D送入操作状态,P2端口的高四位与传感器的输出端口相连,用于读取A/D转换的14位数据信息。

2.2 系统软件设计
图5为程序流程图,其中图5(a)为上位机主要通过运动控制器控制步进电机转动程序流程图,图5(b)为系统反馈环节位移反馈程序流程图。图6为用VC编写的上位机控制软件界面,上位机控制软件调用MSComm控件实现上位机与运动控制环节及位置反馈环节之间的串行通讯。上位机接收接口电路发送的14位数据,对这些数据进行移位和数据处理,最后实时地显示在控制软件界面上。
作者:李雪宝,许 骏,宋腾飞,黄善杰 中国科学院 来源:电子设计工程


