- 易迪拓培训,专注于微波、射频、天线设计工程师的培养
通过定制简化示波器的操作过程
VB脚本
在这种示波器中,设置文件是ASCII文本文件,其中包含一个完整的VB脚本“程序”,当该程序执行时,会将仪器恢复到以前记录的状态。实际上,每次保存面板时,仪器都会帮你编写一个程序,当该程序执行时会使仪器返回到保存的状态。
除了调用的设置状态外,VB脚本还可以用来创建用标准远程命令控制示波器的程序。你可以从内部运行的设置文件中实现示波器操作的“自动化”。
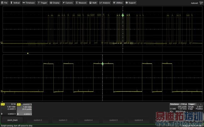
举例来说,你可以写一个VB脚本,将缩放波形的中心移动到由光标确定的位置。事实上,缩放波形将跟随光标位置。清单1显示了这个脚本。保存的脚本文件后缀与设置文件相同(.lss),并由调用面板设置或将它链接到一个CustomDSO按钮加以运行。通过使用VB脚本再结合CustomDSO就可以编写出极具交互性的测试。图4显示了用于运行VB脚本的CustomDSO。
清单1:缩放波形中心跟踪光标的VB脚本(zoom_trac.lss)。
set app = CreateObject("LeCroy.XStreamDSO")
'在显示器上显示一条消息
app.SystemControl.PersistentMessage = "Script running; turn off cursor to stop."
'将触发模式改为停止
app.Acquisition.TriggerMode = "Stopped"
'将光标类型设为水平绝对值
app.Cursors.Type ="HorizAbs"
'打开光标
app.Cursors.View = True
'将缩放1波形水平扩展系数设为10:1
app.Zoom.Z1.Zoom.HorZoom = 10
'打开缩放1波形
app.Zoom.Z1.View = True
'循环让缩放中心跟踪光标水平位置,当光标关闭时退出
While app.Cursors.View = True
'强制立即触发
'将参数设为0,False,等待可触发的事件
app.Acquisition.Acquire -1,True
'读取光标水平位置
curtime=app.Cursors.XPos1
'将Zoom Z1中心设为光标位置
app.Zoom.Z1.Zoom.HorCenter=curtime
Wend
'清除屏幕上的消息
app.SystemControl.PersistentMessage = ""
'断开自动链接
Set app = Nothing

图4:使用CustomDSO运行VB脚本“zoom_Track.lss”。当脚本运行时,缩放波形的中心将跟踪水平的光标绝对位置。从图中可以看出,光标将永远位于缩放波形Z1的中心。
面板设计文件、CustomDSO和基于VB脚本的设置文件为控制示波器测量流程提供了大量灵活性。通过让没有经验的用户遵循基于CustomDSO按钮的脚本,它还提供了简化示波器操作的简单途径。
第三页:定制处理和测量
上一篇:示波器探头浅谈
下一篇:采用数字示波器进行多域测量


