- 易迪拓培训,专注于微波、射频、天线设计工程师的培养
教您通过前端将PC声卡改造为高速采样示波器
采样时钟发生器示例
AD783要求一个宽度为150 ns至250 ns的窄正采样脉冲。为使显示的波形保持稳定,无来回跳动,采样脉冲必须非常稳定,抖动很低。这一要求往往将可能的时钟选择限定于晶体振荡器。另一个要求是采样速率可以在略低于100 kHz到大约500 kHz的范围内进行调整或调谐。为使下采样信号落在声卡的20 Hz到20 kHz音频带宽内,采样频率间的调谐步进必须较为精细。一个诸如图4所示的N分频电路和一个频率介于10 MHz到20 MHz的晶体振荡器(IC4),可以提供从80 kHz到350 kHz的多达200种或更多的不同采样速率,步进大小介于300 Hz到5 kHz之间。本例使用两个4位二进制升降计数器74HC191,N可以是4到256之间的任意整数。也可以使用74HC190等十进制计数器,其引脚排列与74HC191相同,可以提供4到100的N值。分频比利用两个十六进制开关S1和S2设置。开关S3设置计数器是递增还是递减计数。电阻R1 (250 Ω)和电容C1 (68 pF)给引脚计数输出增加一个很短的延迟,经过该延迟后,引脚计数输出加载起始计数值。74HC00的四个NAND门用于实现单稳态模式,当R12为2.7 kΩ且C2为68 pF时,单稳态模式提供200 ns的采样脉冲。

图4. 采样时钟分频器电路
IC4是固定频率金属帽壳晶体振荡器。另一种方法是使用CMOS反相器(74HC04)和分立晶体X1来构成一个振荡器,如图5所示。这种方法使用的元件虽然多于一体式金属帽壳振荡器,但它支持通过调整电容C1来调节晶体频率,从而实现精密的频率调谐。

图5. 采用机械调谐方式的分立晶体振荡器
为了消除机械可变元件,D1可以使用变容二极管,其电容取决于电压,如图6所示。

图6. 采用电压调谐方式的分立晶体振荡器
有源重构滤波器示例
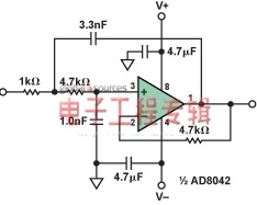
图7和图8所示为有源滤波器设计,它们应能很好地代替简单的无源RC滤波器。图7显示的是一个二阶Sallen-Key滤波器,转折频率约为39 kHz,使用标准电阻和电容值。双通道运算放大器AD8042 和AD822 具有低电源电压和宽摆幅特性,是很好的选择。该滤波器在通带内的增益为+1。

图7. Sallen-Key 39 kHz低通滤波器
图8显示的是一个二阶多路反馈(MFB)滤波器,转折频率约为33 kHz,使用标准电阻和电容值。该滤波器的通带增益为–1,因此,使用该滤波器时,为使显示的波形右侧朝上,应选择示波器软件上的“反相”按钮。

图8. MFB 33 kHz低通滤波器
下一页:电路供电


