- 易迪拓培训,专注于微波、射频、天线设计工程师的培养
无线传感器网络微型节点的实现
录入:edatop.com 点击:
摘要:无线传感器网络微型节点通过自组织的方式构成网络,可远程实时感知和采集处理周边环境中的物质现象。本文设计了以8位AVR单片机ATmega128L为核心,结合外围传感器和2.4GHz无线收发模块CC2420构建的无线传感器网络微型节点。
关键词:无线传感器网络;微型节点;单片机
引言
无线传感器网络(WSN)由随机分布的集成有传感器、数据处理单元和通信模块的微型节点,通过自组织的方式构成网络,传感器网络具有分布式处理带来的监测高精度、高容错性、大覆盖区域、可远程监控等众多优点,成为近期国际上网络研究的重要热点之一。
无线传感器网络微型节点是一次性的,要求节点成本低廉和工作时间尽可能长。无线传感网络中不应该存在专门的路由器节点,每个节点既是终端节点,又是路由器节点。节点间采用移动自组织网络联系起来,并采用多跳的路由机制进行通信。因此,在单个节点上,一方面硬件必须低能耗,采用无线传输方式;另一方面软件必须支持多跳的路由协议。IEEE 802.15.4/ZigBee协议充分考虑了无线传感器网络应用的需求,是目前被业界普遍看好的一种无线通信协议。基于这些基本的思想,本文设计了以高档8位AVR单片机ATmega128L为核心,结合外围传感器和2.4GHz无线收发模块CC2420的无线传感器网络微型节点,并在实际中得到了应用。
微型节点的结构
无线传感器网络微型节点由数据采集单元、数据处理单元、数据传输单元和电源管理单元4部分组成,如图1所示。数据采集单元负责监测区域内信息的采集和数据转换,本设计中数据采集单元包括了温度、湿度、光强度、加速度和大气压力传感器;数据处理单元负责控制整个节点的处理操作、路由协议、同步定位、功耗管理、任务管理等;数据传输单元负责与其他节点进行无线通信,交换控制消息和收发采集数据;电源管理单元选通所用到的传感器,节点电源由两节1.5V碱性电池组成,今后将采用微型纽扣电池,以进一步减小体积。为了调试方便及可扩展性,将数据采集单元独立出来,做成两块能相互套接的可扩展主板。

微型节点模块设计
数据处理单元
本设计中数据处理单元选用Atmel公司的ATmega128L微控制器,它是采用低功耗COMS工艺生产的基于RISC结构的8位微控制器,是目前AVR系列中功能最强大的单片机。AVR核将32个工作寄存器和丰富的指令集联结在一起,所有的工作寄存器都与ALU直接相连,实现了在一个时钟周期内执行单条指令的同时访问两个独立寄存器的操作,具有良好的性价比。这种结构提高了代码效率,在性能上比普通CISC单片机提高约10倍。
ATmega128L具有丰富的资源和极低的功耗。它具有片内128KB的程序Flash,4KB的数据SRAM,可外扩到64KB的E2PROM。此外,它还有8个10位ADC通道,2个8位和2个16位硬件定时/计数器,并可在多种不同的模式下工作;8个PWM通道、可编程看门狗定时器和片上振荡器、片上模拟比较器;UART、SPI、I2C总线接口;JTAG接口。除了正常操作模式外,还具有六种不同等级的低功耗操作模式,每种模式具有不同的功耗。
采集环境参数信号,需要采样率很高、数据量大的CPU。如果采用传统51系列作为CPU,那么外围A/D器件速度和CPU速度就有一个相互限制的瓶颈;如果加上比较复杂的数据处理和存储,需要扩展外部ROM和RAM;这样多的外围器件限制了系统的稳定性和速度的提高,同时也大大增加了系统的功耗。综合对比之后,数据处理单元选用ATmega128L进行开发。数据处理单元接口电路如图2所示。

数据传输单元设计
数据传输单元模块电路由Chipcon公司生产的低功耗、短距离的无线通信模块CC2420组成。CC2420是一款符合ZigBee技术的高集成度工业用射频收发器件,其MAC层和PHY层协议符合802.15.4规范,工作于2.4GHz频段。该芯片只需极少外部元器件,可确保短距离通信的有效性和可靠性。数据传输单元模块支持数据传输率高达250kbps,可以实现多点对多点的快速组网,系统体积小、成本低、功耗小,适于电池长期供电。具有硬件加密、安全可靠、组网灵活、抗毁性强等特点。数据传输单元接口电路如图3所示。CC2420与处理器的连接非常简便,使用SFD、FIFO、FIFOP和CCA四个引脚表示收发数据状态;处理器通过SPI接口(MISO、MOSI、SCK)与CC2420交换数据,发送命令。

数据采集单元
整个节点由电池供电,要求数据采集单元中的传感器体积小、低功耗、外围电路简单,最好采用不需要信号调理电路的数字式传感器。本设计中选用的传感器都为数字式传感器:
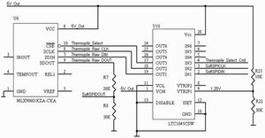
(1)温度传感器MLX90601:模拟线性输出,PWM输出,SPI可编程接口;精度±0.2℃。(2)压力传感器MS5534AP:集成了压阻式压力传感器和ADC接口IC ,传感器提供了16位的压力参数输出,压力范围300-1100mbar;另外模块也包含了6个可读的参数,方便实现软件校正及高的精度,可自动断开电源,3线接口则可满足与微处理器的各种通信。(3)湿度传感器SHT11:采用CMOSens 技术,不仅将温湿度传感器结合在一起,而且还将信号放大器、模/ 数转换器、校准数据存储器、标准I2C总线等电路全部集成在一个芯片内;全量程标定,两线数字输出;湿度测量范围为-40_+123.8℃;温度测量精度为±0.4℃。(4)光强度传感器TSL2550D:内含两枚光电探测器,一枚感应可见光和红外光,另一枚只感应红外光。两枚光电探测器产生两路信号,传感器模拟人眼的原理,根据两路信号的强弱判断周围光线的强度,可以直接将光强度转换成数字量。这种器件的压缩扩展型A/D转换器,分辨率为12位,由于采用了积分转换技术,在测量交流电灯的光线时不会发生抖动,提高了测量稳定性。(5)两维数字加速度计ADXL202 AE:采用先进的MEMS技术,在同一硅片中刻蚀了一个多晶硅编码微机械传感器,并集成了一套精密的信号处理电路。信号处理电路把表面微机械传感器产生的模拟信号转换为占空比调制(DCM)数字信号后输出。这种占空比调制信号可以直接送往单片机,使用非常方便。测温数据采集单元接口电路如图4所示。

电源管理单元设计
电能是传感器网络最珍贵的资源,它决定着传感器网络的寿命。节点的电能一旦耗尽, 即宣布其寿命到期并退出网络,由剩下的节点再重新组网。因此节点的电源管理非常重要。在本设计中采用多路器芯片ADG715BRU在I2C总线的控制下选通所用到的传感器,没有用到的传感器不带电,以达到在无数据采集任务时及时关闭电源而节省电能的目的。
结语
作者在总结归纳已有研究成果的基础上,详细阐述了基于ATmega128L结合外围传感器和2.4GHz无线收发模块CC2420的无线传感器网络微型节点,该节点在试验中应用良好,能够采集精度较高的温度、湿度、光线、加速度和大气压力数据,并通过网络畅通地传回给主机,并实现了传感器网络必须的低功耗。为将来通信结构和具体协议的设计提供了基础。
作者:李志宇 史浩山 来源:电子产品世界
上一篇:3米法半电波暗室的建设及EMI测试技术实践
下一篇:精密检波器


