- 易迪拓培训,专注于微波、射频、天线设计工程师的培养
压力传感器的原理及其应用电路设计
摘要:详细介绍了压力传感器的原理和应用分类,列举了汽车压力传感器在轮胎气压监测方面的应用及具体的电路设计,把轮胎气压转换为电压,通过电压值的大小间接地测量气压值的大小。汽车压力传感器在汽车行业的应用和推广意义非常重大。
1 引言
汽车传感器是汽车电子化、智能化的基础和关键,而其中使用较多、发展最快的是压力传感器。汽车压力传感器应用在汽车的很多系统中,如电子检测系统、保安防撞系统等。其中应用在轮胎气压方面的目的在于最大限度地减少或消除高压爆胎和低压辗胎造成的轮胎早期的损坏,使轮胎经常保持标准气压,延长轮胎的寿命,降低轮胎的消耗,提高经济效益。有报道说,将微型压力传感器埋置于汽车轮胎中,测量其中气压,以控制对轮胎的充气量,避免过量和不够,由此可节省百分之十的汽油。
2 汽车压力传感器
2.1 压力传感器的原理和应用分类
传感器是将各种非电量(包括物理量、化学量、生物量等)按一定规律转换成便于处理和传输的另一种物理量(一般为电量)的装置。传感器一般由敏感元件、转换元件和测量电路三部分组成,有时还需外加辅助电源。传感器方框图如图1所示。

图1 传感器方框图
制造半导体压力传感器的基本原理是利用硅晶体的压阻效应。单晶硅材料在受到应力作用后,其电阻率发生明显变化,这种现象称为压阻效应。
压力传感器所用的元件材料是具有压阻效应的单晶硅、扩散掺杂硅和多晶硅。根据晶体不受定向应力时,电导率是同性的,只有受定向应力时才表现出各向异性,由于应力能引起能带的变化,能谷能量移动,导致电阻率的变化,于是就有电阻的变化,从而产生压阻效应。单晶硅效应包括n型和p型硅压阻效应。选用扩散硅目的在于在设计制造压力传感器时可根据不同温度下硅扩散层的压阻特性选择合适的扩散条件,力求使压力传感器具有良好的性能。多晶硅在传感器中有广泛的用途,可作为微结构和填充材料、敏感材料。
压力传感器按用途分类主要是压力监视、压力测量和压力控制及转换成其他量的测量。按供电方式分为压阻型和压电型传感器,前者是被动供电的,需要有外电源。后者是传感器自身产生电荷,不需要外加电源,根据不同领域对压力测量的精度不同分为低精度和高精度的压力传感器。
2.2 气压传感器
1)能和原理:主要是用来检测气压的传感器。在硅片的中间,从背面腐蚀形成了正方形的膜片,利用膜片将压力转换成应力,在膜片的表面,通过扩散杂质形成了四个p型测量电阻,它们按桥式电路连接,利用压阻效应将加在膜片上的应力变换成电阻的变化,此电阻的变化通过桥式电路之后,在桥式电路的两个输出端之间,以电位差的形式对外输出。传感器原理图如图2所示。

图2 传感器原理图
2)气压的输出特性:气压与输出关系曲线如图3所示,是一接近线性关系。

图3 气压与输出关系曲线
3 轮胎气压测量及电路设计
下面以测量轮胎气压为例详细阐述气压传感器在汽车轮胎方面的应用。此种设计可做成一种便携式的装置,测量时将气压传感器的表置于轮胎气门嘴上,这时胎压作用于传感器的膜片上,通过压阻效应和系列变换输出微弱的电压信号,将电压信号进行相应处理显示电压值。由此可知不同的气压对应着不同的电压值,即气压值和电压值是一一对应的,从而间接测量了气压值。胎压测量电路方框图如图4所示。

图4 胎压测量电路方框图
3.1 气压值和电压值的相互转换
任何一种型号的轮胎都有其标准气压,某型号轮胎标准气压为P0压超过P1高压,而低于P2为低压。那么标准气压!,经过此种装置显示为一定的电压值V0压为P1高压时则显示V1,而达到低压状态P2时则显示V2,气压的强弱通过此种装置体现在电压值上,当电压值在V1-V2范围内变化时,则气压是符合标准的。若电压值高于V1则为高压状态,低于V2则为低压状态,那么此时应采取一系列措施改变轮胎气压值在标准范围内,从而起到保护轮胎的效果。
3.2 电压信号放大电路
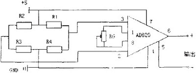
我们选用的高精度低噪声仪用放大器AD620,可以用在传感器输出信号小的放大器中,如光电池传感器、应变片传感器以及压力传感器等。由于它具有低噪声、增益精度高、增益温度系数小和高线性度等优良性能。用于此系统中是非常理想的。AD620是一种只用一个外部电阻就能设置放大倍数为1-1000的仪表放大器,具有良好的直流性能和交流性能,AD620的体积小、功耗低成为应用在压力传感器中的重要因素,传感器信号放大电路如图5所示。

图5 传感器信号放大电路
3.3 电压信号数字化和显示
放大后的模拟电压经过A/D转换器实现模拟量到数字量的转换。A/D转换结果通过计数译码电路变换成7段译码,最后驱动显示出相应的数值,传感器驱动显示电路方框图如图6所示。

图6 传感器驱动显示电路
选用双积分A/D转换器MC14433构成31/2的数字电压显示,采用动态扫描显示有多路调制的BCD码输出和超量程输出端,便于实现自动控制。MC1413为集成电路驱动器,它含有7个反相驱动单元,各单元采用达林顿晶体管电路。CC4511为7段译码驱动。MC14433提供输出可调的基准电压,当基准电压为一定值时,输出电压范围为定值。
4 结束语
汽车压力传感器在轮胎方面的应用正在不断地改进,其中有很多种方式,如采用无线电发射和接受方式来测量气压的高低。汽车压力传感器的品种正在不断地增加,功能正在不断地完善。一般地说来,开关式传感器逐渐被线性压力传感器替代,普通性的逐渐被高性能、多功能的传感器取代,模拟式压力传感器逐渐被数字式传感器、智能化传感器取代。
来源:互联网
上一篇:高效的MIMO
OTA双通道测试方法
下一篇:基于模型的嵌入式C代码的实现与验证


