- 易迪拓培训,专注于微波、射频、天线设计工程师的培养
示波器实操特辑之60:HDQ协议触发
录入:edatop.com 点击:
大家好,上期视频我们跟大家分享了HDQ协议的解码,今天我们来具体地看下该协议的触发功能。
在解码环境下,只要将协议触发设置为ON,按下【Trigger】键,触发类型会自动变为已解码的HDQ协议,开启触发功能,就要设置触发方式,可按下触发方式软键,将自动改为普通,也可在示波器前面板上的触发控制区内按下【Auto/Normal】键,接下来设置协议触发参数,在解码模块中开启协议触发的前提下,既可以通过在触发模块中的协议参数中设置,也可以在解码模块中协议参数中的触发设置中进行选择。

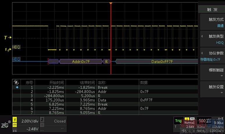
图1 HDQ协议触发
HDQ协议的触发模块包括复位段和指令两种类型,我们选择指令触发,操作设为读寄存器操作,寄存器地址设为0x7F。我们可看到屏幕上的协议波形已准确触发。短按水平偏移旋钮,可将触发点定位在屏幕中央。调小时基,放大波形,观察协议与解码事件的对应情况,有效解码的前提是检测到一个完整的帧信息,按下【Horiz】键,将储存深度设为112Mpts,设置大存储深度更有助于从细节观察协议的触发位置。


