- 易迪拓培训,专注于微波、射频、天线设计工程师的培养
基于单片机实现短距离无线通信设计
1 引言
短距离无线传输具有抗干扰性能强、可靠性高、安全性好、受地理条件限制少、安装灵活等优点,在许多领域有着广泛的应用前景。低功耗、微型化是用户对当前无线通信产品尤其是便携产品的实际需求,短距离无线通信逐渐引起广泛关注。常见的短距离无线通信有基于802.11的无线局域网WLAN、蓝牙(blueTooth)、HomeRF及欧洲的HiperLAN(高性能无线局域网),但其硬件设计、接口方式、通信协议及软件堆栈复杂,需专门的开发系统,开发成本高、周期长,最终产品成本也高。因此这些技术在嵌入式系统中并未得到广泛应用。普通RF产品不存在这些问题,且短距离无线数据传输技术成熟,功能简单、携带方便,使其在嵌入式短程无线产品中得到了广泛应用。
2 PTR2000引脚简介及设计
2.1 PTR2000器件引脚功能
PTR2000是基于nRF401器件的无线数据传输模块,采用低发射频率、高灵敏度设计。该器件使用433 MHz频段,是真正的单片UHF无线收发一体器件,其工作模式包括工作频道的设置和发送、接收、待机状态,由TXEN、CS、PWM 3个引脚共同决定,其工作模式设置如表1所示。

2.2 PrR2000模块设计
该器件外围的主要电路有以下两个:
(1)与单片机的连接电路单片机AT89C52的RXD和TXD引脚与PTR2000模块的DO和DI引脚直接相连。PTR2000的模式控制引脚与单片机的控制引脚相连。
(2)与PC机的连接电路采用MAX202器件对PTR2000模块和计算机串口进行RS-232和TTL电平转换,将PTR2000与MAX202的输入和输出信号连接,转换后的信号与计算机的串口连接。
3 硬件设计
在无法使用有线传输的场合,采用无线数据传输模块和单片机相结合进行数据传输是较合理的方案。PTR2000利用串口进行数据传输,而单片机和PC机均带有串口,因此,可利用PTR2000作为单片机和PC机之间数据传输的无线接口,其硬件结构框图如图1所示。

该采集系统主要以AT89C52单片机为控制处理核心。由它完成对数据的采集处理以及控制数据的无线传输。AT89C52单片机具有快速8051内核、8 KB Flash E2PROM、256字节RAM。为实现无线数据传输,采用无限收发一体数据传送MODEM模块PTR2000器件,该器件内部集成高频接收、PLL合成、PSK调制/解调、参量放大、功率放大、频道切换等功能,完全符合无线数据通信的硬件要求。为降低成本,在最小硬件设计的基础上,利用C51高级C语言编程,系统的功能尽可能用软件程序实现。
3.1 单片机的时钟电路和复位电路设计
单片机时钟电路设计中,选择晶振频率11.059 2 MHz,约定PC机和单片机的通信速率为9 600 b/s,并选择相应电容与单片机的时钟引脚相连构成时钟回路。在复位电路设计中,采用复位引脚和相应的电容、电阻构成复位电路。单片机与PTR2000接口原理电路如图2所示。

3.2 单片机与PTR2000接口电路的设计
在图2中,AT89C52单片机主要完成数据的采集和处理,向PTR2000模块发送数据,并接收由PC机通过PTR2000传送的数据。和单片机相连的PTR2000模块主要将单片机的待传数据调制成射频信号,再发送到PC机端的PTR2000模块,同时接收PC机端的PTR2000模块传送的射频信号,并调制成单片机可识别的TTL信号送至单片机。单片机的RXD和TXD引脚分别和PTR2000的DO和DI引脚连接,实现串行数据传输;决定PTR2000模块工作模式的TXEN、CS、PWR 3个引脚分别和单片机I/O控制口的P2.0~P2.2相连,PTR2000工作时,由单片机中的运行控制程序实时控制其工作模式。
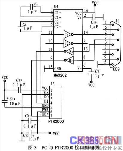
3.3 PC机与PTR2000接口电路的设计

该接口电路设计首先需进行电平转换。PC机的串口支持RS-232标准,而PTR2000模块支持TTL电平,选择MAX232器件进行两者间的电平转换,接口电路如图3所示。PTR2000模块进行串行输入、输出,引脚DI、DO通过电平转换器件和PC机串口相连;PTR2000的低功耗控制引脚。PWR接高电平VCC,即PTR2000固定工作在正常工作状态;频道选择引脚CS接GND低电平,即采用固定通信频道1,固定工作在433.92 MHz;PC机串口的RTS信号控制TXEN引脚,以决定PTR2000模块何时为接收和发射状态。PC机和串口的传输速率设定为9 600 b/s,和单片机保持一致。
4 软件设计
无线通信系统的软件设计包括单片机端和PC机端两部分,两部分软件相互配合,设置各自的PTR2000模块的工作状态。
4.1 PTR2000模块程序设计
单片机和PC机端软件配合设置PTR2000的状态(发射或接收),选择固定的通信频道1(CS=0),并让PTR2000模块一直处于正常工作状态(PWM=1)。无线通信实现过程如下:
(1)发送在发送数据之前,应将PTR2000模块置于发射模式,即TXEN=1。然后等待至少5 ms后(接收到发射的切换时间)才可发射数据。发送结束后,应将模块置于接收状态,即TXEN=0。
(2)接收应将PTR2000置于接收模式,即TXEN=0。单片机不发送的绝大部分时间都处于接收状态。当单片机端发送时,PC机端应为接收;当PC机端发送时,单片机端应为接收。
4.2 串行无线通信协议设计
无线通信中,由于外部环境的干扰,通常误码率较高,因此通信协议的设计对保证通信的可靠性十分重要。协议的设计主要是帧结构的设计,在该无线通信系统中,存在指令帧和数据帧。数据帧的内容包括起始字节、数据长度字节、数据字节、结束字节和校验和字节,如表2所示。

起始字节定义为“$”字符,其数值为0x24;结束字节定义为“*”字符,其数值为0x2A。
采用校验和的方法进行帧的校验,将所有字节相加,然后将结果截短到所需的位长。发送端对待发送的数据进行校验和计算,将校验和值放在数据后一起发送;在接收端,对接收到的数据进行校验和计算,然后与收到的校验和字节比较,进行误码判断。
对于单片机,指令帧主要有3种:PC机发送给单片机的请求发送指令、错误/超时重发指令、单片机发给PC机的发送完毕指令。在该系统设计中指令帧采用数据帧的格式,将其中的。数据字节固定为一个字节,根据定义的字节判断数据状态。
4.3 程序流程
单片机开始需将无线数据传输模块PTR2000设置处于接收状态,通过串口中断识别由PC机通过无线信道传输来的指令,根据接收指令的内容采集数据并启动发送。发送前需将PTR2000模块设置为发射状态,且等待5 ms才可发送,发送完毕后,向PC机端发送“发送结束指令”,并将PTR2000模块重设为接收状态。图4为系统软件设计流程图。

5 结束语
单片机无线通信系统设计基于PTR2000无线数据传输解决方案,可实现小于300 m的短距离通信,通过实验验证该无线数据传输系统运行良好,单片机控制得相当准确。在应用时将系统作为一个模块可方便地移植,以便构建更为复杂的无线通信网络,可应用于小型无线网络、无线抄表、小区传呼、工业数据采集系统、安全防火系统等领域,具有一定实用价值。


