- 易迪拓培训,专注于微波、射频、天线设计工程师的培养
一种新型的水位检测系统
付存谓1,费美芬1,李军1,孙睿咛2,李炫志2,黄旭铭2,周晋怡2,陈光乐2
(1.浙江比华丽电子科技有限公司,浙江 桐乡314500;2.中国计量大学 机电工程学院 求是电子科技协会,浙江 杭州 310000)
摘要:主要从系统原理的简单描述,硬件、软件的设计和介绍,数据采集处理方式及创新点几个方面介绍了一种新型水位检测系统。该系统采用非接触式测量,针对接触式水位检测系统的测量电路测量速度慢、测量精度低、要与水接触、测高温液体时会产生误差等不足之处进行了改善,利用新型的压力传感器,能在传感器不接触到水的情况下对水位进行测量,延长了系统寿命。并且添加了温度补偿的功能来减小误差,提高了系统测量高温液体液位时的测量精度。该系统结构简单,成本较低,速度比接触式测温更快且使用寿命较长,适用于对液位测量精度要求较高的场合。
关键词:水位监测;温度补偿;压力传感器
0引言
目前,水位检测系统已被广泛地应用于检测地下、河道、水库等水位的变化情况,以便人们在水位过高或过低时及时地进行调整。水位检测系统可分为接触式测量系统和非接触式测量系统,接触式水位检测系统检测电路(包括传感器)需放在水下,与水接触,这就导致了传感器寿命变短,并且大部分水位检测系统不含有温度补偿功能,当待测水的温度随天气的变化而变化时,不能对温度变化进行补偿以减小温漂,降低对水压的影响,会对水位的测量结果产生一定影响。本文对一种应用了HM1600B型压力传感器的水位检测系统进行了详细描述。此系统针对上述缺陷一一进行了解决。本系统采用将软管放入水中,根据管内气压变化来反映液位变化的方法来进行液位测量,当水温变化时软管内气压也会发生变化,传感器不与待测液体直接接触,增长了系统使用寿命,并添加了温度补偿功能,提高了水位测量的精度。整个系统结构简单,测量速度更快,适合于大规模的普及应用。
1系统简介
本系统应用了STM32单片机、2.8英寸TFTLCD显示、HM1600B型压力传感器,还应用了精度较高的热电偶温度计,以便于采集待测液体温度数据并进行温度补偿。将传感器采集到的压力信号转化为液位高度值传到液晶显示屏显示并传到上位机进行处理,实现历史水位值查询、水位变化曲线图的绘制等功能。压力水位检测系统的总体框图如图1。

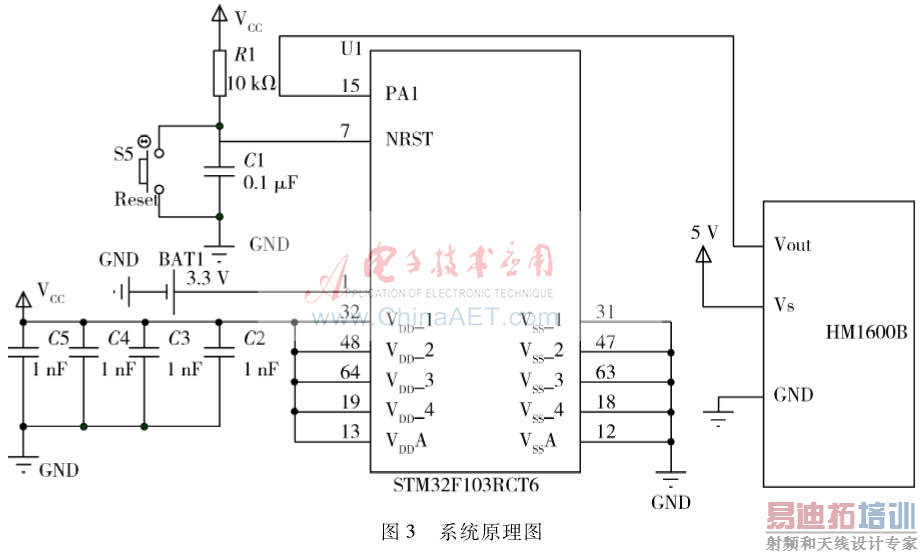
测量过程:将一根软管一端与压力传感器连接,另一端放入水槽中,此时管内的气压会随着容器中液位的增加或减少而产生变化,由传感器采集气压的数据并经温度补偿等处理后转化为线性规律的电压信号输出,电压信号由STM32单片机的12位ADC进行采集并对采集到的信号进行进一步处理,将其转换为水位值在液晶显示屏上显示,同时将处理好的数据通过串口发送到上位机,得到水位变化的曲线图,并可实现历史水位数据的查询。温度补偿已包含在压力传感器内部,因此不做详细介绍。系统结构如图2,系统原理如图3。


2系统硬件
2.1HM1600B型传感器模块
传感器的选择是系统制作的核心部分。目前测水位的液位传感器主要有浮子式水位传感器、水位跟踪式传感器、超声波水位传感器、雷达激光水位传感器、压力式水位传感器等。其中,压力传感器可将压力转化为电流或电压从而对其进行测量。本系统中使用的传感器为应用较为普遍且体积较小的硅压阻式传感器。它是一个由4个等值电阻构成的惠斯通电桥,当受到压力时,其中一对桥臂电阻值增大,另一对则减小,根据惠斯通电桥的基本原理,电桥输出电压与所受到的压力成正比,通过对电桥输出电压的测量即可得出电桥所受的压力[1]。本系统使用的是由深圳恒敏传感科技有限公司生产的HM1600B型压力传感器,针对传统的硅压阻式传感器进行进一步的改进。以下是该传感器的一些参数:
测量范围:0~7 kPa(G)
供电:5 V DC
输出:0.5~4.5 V DC
静态精度:±2.5%FSO(即误差17.5 mm水位)
综合误差:±5%FSO(包括在0~70℃的温度误差)
由于此传感器是利用单晶硅的压阻效应制成,气压阻系数随温度的变化而变化,压阻效应原理本身就会引起传感器输出的温度漂移[2]。所以要对传感器进行温度补偿。本传感器中已包含温度补偿部分。安装时,只需将本传感器直接焊接在电气PCB主板上即可,注意对传感器加的电压不宜过大,否则易导致传感器损坏。此压力传感器输出的电压曲线公式如下:

其中,Vout为压力传感器输出电压,Vin为采集到的电压信号,Vin=2.8~5.4 V DC。
传感器结构如图4。

本传感器为减小误差、提高精度而加入了温度补偿部分,通过采用热电偶温度计对液体温度进行测量并对得到的温度信号进行采集,通过计算对温度进行补偿,从而提高了测量的精度。传感器规范配置如图5。

2.2单片机模块
本系统采用STM32F103RCT6单片机,芯体为32 bit,是一种嵌入式微控制器,采用2~3.6 V电压对其进行供电,内核采用ARM Cortex睲3,工作频率最高为72 MHz,1.25 Mips/MHz(如果CPU运行在1 MHz的频率下,每秒可执行125万条指令),单片机支持3种低功耗模式:睡眠模式、停机模式和待机模式。
本实验应用了单片机中的ADC模块,将采集到的模拟信号(线性变化的电压值)转换为便于微处理器处理的数字信号,再由系统根据一定规律进行处理来间接地得到待测液体的液位值。单片机应用12位ADC,其为一种逐次逼近型模拟数字转换器。有18个通道,通道的A/D转换有4种执行模式,分别为单次、连续、扫描和间断。其结果将以左对齐或右对齐的方式存储在16位数据寄存器中。
2.3液晶显示模块
本系统中采用TFTLCD来对待测液体的液位高度进行显示。TFTLCD即薄膜场效应晶体管LCD,主要构成包括:萤光管、导光板、偏光板、滤光板、玻璃基板、配向膜、液晶材料、薄膜晶体管等部分。每个像素节点都相对独立,并可以连续控制,可在提高显示屏反应速度的同时精确控制显示色阶,使显示效果更加逼真。
2.4电源模块
对STM32单片机供电电压一般在2~3.6 V之间,不能过大,否则单片机容易被损坏。本系统中单片机直接通过电脑USB接口供电,并未单独设立电源模块,使操作更方便,系统结构更简单,且电脑USB端口供电较稳定,单片机不易被烧坏。由于HM1600B型传感器工作电压为5 V,所以应单独使用一个5 V电源为其供电,保证压力传感器和STM32单片机均可正常使用。
3系统软件设计
系统软件设计包含以下几个部分:各个模块初始化;压力传感器采集气压数据并转换成电压;单片机ADC对传感器电压数据进行接收;单片机对接收到的数据进行处理;LCD显示。
3.1系统工作过程
将一根软管的一端与压力传感器连接,另一端放入水槽中,软管内的气压随容器内液位的升高或降低而产生变化,各模块初始化后,压力传感器通过感受软管内气压的变化,进而在OUT口产生电压,单片机通过ADC来接收压力传感器OUT口产生的电压。STM32F103RCT6的ADC模块可检测0~3.3 V的电平,OUT口连接单片机的PA1引脚,接收到电压后,通过转换,将电压值转换成水位值在LCD屏幕上进行显示并将转化后的数据发送给上位机进行处理。系统程序流程如图6。
图6系统程序流程图
3.2上位机设计
上位机应用QT软件编程制作而成。在上位机中,操作者可根据单片机的需要来改变连接的串口号和波特率,经过转化后的水位值可在“水位高度”处进行显示,并且可利用QT自带的数据库对历史检测的水位值进行查询,还可根据水位的变化自动绘制出水位随时间的变化曲线图,便于操作人员对水位的变化趋势进行进一步的了解和研究,并及时对因水位变化而带来的问题进行警戒和解决。还可根据需要在上位机中添加报警系统,当水位超过某一设定值时,可通过添加的提示灯的亮灭情况来判定水位是否符合标准需求。
4数据的采集及处理
当传感器向单片机输出线性电压信号时(电压信号由传感器的OUT口输出),由单片机的ADC模块对电压信号进行采集,ADC模块将采集到的模拟信号(线性变化的电压值)转换为便于微处理器处理的数字信号,OUT口接单片机的PA1脚,再由单片机对转换后的数据进行处理,将采集到的电压信号转换为待测液位的高度,并将其在液晶显示屏上输出和传入上位机进行处理。
将电压信号转化为液位高度的公式如下:
![]()
其中h为液位高度,Vin为采集到的电压信号,Vin=2.8~5.4 V DC。
由实际测量可知,尽管传感器内部进行了温度补偿,温度的变化对测量值的准确性还是有一定影响,所以在进行水位测量时,要对环境的温度有所限制,在不同的环境下,测量时所要求的温度应有所改变,以保证液位显示值的准确性。
5结论
本文详细介绍了一种新型的液位检测系统,该系统采用非接触测量的方式,对插入水中的软管内随水位而变化的气压进行测量采集并将其转化为线性变化的电压信号,再用STM32单片机的ADC对电压信号进行采集,并对其进行处理后将液位值显示在LCD和上位机上,解决了接触式测量的测量速度慢、测量精度低、传感器寿命短等问题,同时传感器中加入了温度补偿,使测量结果更精确,充分利用了STM32单片机强大的控制功能和通信接口[3],使得测量结果的精确度大大提高。HM1600B型传感器性能优良,设计独特且使用方便[4],使系统可应用性更强。本系统结构简单,测量精度较高,具有很高的应用价值和很大的普及性,发展前景可观。
参考文献
[1] 谢少伟,刘吉来.基于MPX系列压力传感器的智能水位实时检测系统[J].绍兴文理学院学报:自然科学版, 2007, 27(10):58-62.
[2] 郭凤仪,李斌,马文龙,等.深水水位检测用压力传感器补偿方法研究[J].仪表技术与传感器, 2010(6):6-8.
[3] 马俊,陈靖.基于单片机的水塔水位检测控制系统仿真设计[J].电子设计工程, 2009, 17(4):85-86.
[4] 祝勉.MPX系列X型横向压阻式硅压力传感器[J].仪表技术与传感器, 1994(1):39-41.


