- 易迪拓培训,专注于微波、射频、天线设计工程师的培养
示波器LIN协议触发
录入:edatop.com 点击:
LIN作为一种常用的汽车网络协议,也被列为ZDS2022示波器完全免费开放的协议之一,今天我们就来看下ZDS2022示波器是如何对LIN协议进行触发与解码的吧。
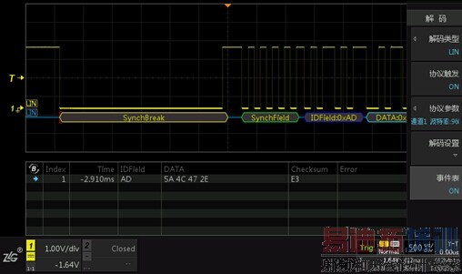
向示波器输入LIN协议信号,按下【Trigger】键,将触发方式设为普通触发,触发类型设为LIN,按下协议参数,设置正确的触发源与波特率,其中ZDS2022的LIN协议也支持波特率自定义的设置,用户可根据自己的需要进行波特率设置,触发模式包含同步间隔、同步场、ID场和数据序列4种模式,选中同步间隔模式,此时,波形已准确触发在同步间隔处,如何判断触发位置是否准确呢?
图1 LIN协议触发与解码
对LIN协议进行解码!按下【Decode】键,将解码类型设为LIN,开启协议触发,为了保证对完整帧进行有效解码,按下【Horiz】键,将储存深度设为112Mpts,将时基调大,可在解码环境下对协议触发位置清晰地观察,打开事件表,查看解码事件,ZDS2022示波器将LIN协议的触发与解码巧妙地联系了起来,用起来真得很方便!
上一篇:示波器HDQ协议触发
下一篇:示波器的51种参数测量


