- 易迪拓培训,专注于微波、射频、天线设计工程师的培养
TI LMP91050非分散红外(NDIR)检测AFE解决方案
录入:edatop.com 点击:
TI 公司的LMP91050是可编程的传感器模拟前端(AFE),最适合用于温度传感器和非分散红外(NDIR)检测应用。器件提供了传感器和MCU间完整的通路,可编程增益从167V/V到7986V/V,工作电压2.7V 到5.5V,(0.1 到10 Hz)噪音为 0.1μVRMS,最大增益漂移为100 ppm/℃,相位漂移为500ns,主要用在NDIR检测,通风控制,建筑物监测,汽车电子的CO2舱控制和酒精检测,GHG和氟利昂检测平台。本文介绍了LMP91050主要指标和特性,方框图,典型NDIR传感应用电路图以及SPIO-4精密信号通路控制器板主要特性,方框图,电路图和PCB元件布局图。
LMP91050是一个可编程的,集成传感器模拟前端(AFE),并为热电堆传感器进行了优化,特别适用于NDIR应用。该器件为传感器和微控制器之间产生的输出电压(与热电堆电压成正比),提供了一个完整的信号路径解决方案。 LMP91050的可编程性,使其能够采用单一设计(可用于多个分立式解决方案)支持多个热电堆传感器。
LMP91050的功能包括,可编程增益放大器(PGA),“黑暗期”偏移删除,和一个可调节的共同模式发生器(1.15V或2.59V),从而提高了输出动态范围。 该PGA提供了一个低增益范围(167V/V~1335V/V),加上1002V/V~7986V/V的高增益范围,从而使用户能更好地,更灵活地,来利用热电堆。

图1 LMP91050方框图

图2 LMP91050典型NDIR传感应用电路图
LMP91050主要指标
•可编程增益167V/V~7986V/V
•低噪音(0.1Hz~10Hz)0.1μVRMS
•增益漂移100 PPM/°C(最大值)
•相位延迟漂移500ns(最大值)
•电源电压范围2.7V~5.5V
• LMP91050主要特性
•可编程增益放大器
• “暗信号”偏移删除
•支持外部滤波
•通用模式发生器和8位DAC
• 10引脚MSOP封装
LMP91050应用
• NDIR传感
•需求控制通风
•建筑监测
•二氧化碳机舱控制 - 汽车
•酒精检测 - 汽车
•工业安全与保安
•温室气体氟利昂检测平台
SPIO-4精密信号通路控制器板
SPIO-4是国家半导体公司的几个数字控制器(捕获)板之一,可用于多个评估系统。这些软件/硬件评估系统的目的是为了让客户能够在实验室环境中,轻松,准确地评估国家半导体公司的信号路径设备。在SPIO-4发行时,有两个不同的评价系统软件(GUI)采用板:WaveVision-5,和Sensor AFE。当前出厂的版本是aveVision-5软件。
除了控制器(捕获)板(即SPIO-4),和评价GUI软件(WaveVision5或Sensor AFE),评估体系的第三个基本要素是signalpath评估板(插在控制器板上)。此评估板通称为“DUT板”。每个DUT板都带有其自己的用户指南,以记录其特定的功能。
每个DUT板还配备了一些软件(用户在使用之前必须安装)。在WaveVision-5 GUI的情况下,该软件基本上是设备特定的模块,它增加了对未来的设备评估板的支持。在AFE器件系列的情况下,评估板具有一个完整的,自定义传感器AFE,专门与该设备配对。
WaveVision-5和Sensor AFE GUI 软件有自己的用户。指南文件描述了如何与GUI互动。本用户指南只介绍了SPIO-4板。用户仅在必要时参考。DUT用户指南和GUI用户指南描述了如何使用国家半导体的信号路径评估板。
SPIO-4系统特性
•捕获或供应多信号路径数据流,并通过USB2.0接口(兼容USB1.1),传输到基于PC的应用软件,或从基于PC的应用软件中传出

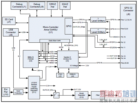
图3 SPIO-4精密信号通路控制器板方框图

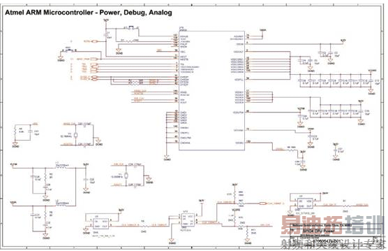
图4 SPIO-4精密信号通路控制器板电路图(1)
•支持免跳线,插件配置。 GUI自动发现连接DUT板,并加载相应的软件模块。
•通过一个标准化的连接器(GPSI-16/GPSI-32),支持各种信号路径评估板
• 8MBytes信号路径数据存储能力
• DUT接口可以是SPI,I2C或平行
•可以通过PC机USB,或外部电源供电
•爱特梅尔SAM3U的微控制器(ARM Cortex M3核)
•为Atmel固件开发环境提供IDE接口
• USB 2.0端口
• USB供电
•最大串行时钟速率80MHz
•赛灵思XC6SLX16 FPGA
•标准“GPSI-16”连接器,可连接 到许多国家半导体的精密信号路径设备
Configurable AFE for Nondispersive Infrared (NDIR) Sensing Applications
The LMP91050 is a programmable integrated Sensor Analog Front End (AFE) optimized for thermopile sensors, as typically used in NDIR applications. It provides a complete signal path solution between a sensor and microcontroller that generates an output voltage proportional to the thermopile voltage. The LMP91050 s programmability enables it to support multiple thermopile sensors with a single design as opposed to the multiple discrete solutions.
The LMP91050 features a programmable gain amplifier (PGA), "dark phase" offset cancellation, and an adjustable common mode generator (1.15V or 2.59V) which increases output dynamic range. The PGA offers a low gain range of 167V/V to 1335V/V plus a high gain range of 1002V/V to 7986V/V which enables the user to utilize thermopiles with different sensitivities.
LMP91050主要指标:
■ Programmable gain 167V/V to 7986V/V
■ Low noise (0.1 to 10 Hz) 0.1μVRMS
■ Gain Drift 100 ppm/°C (max)
■ Phase Delay Drift 500ns (max)
■ Power supply voltage range 2.7V to 5.5V
LMP91050主要特性:
Programmable gain amplifier
"Dark Signal" offset cancellation
Supports external filtering
Common mode generator and 8 bit DAC
10 pin MSOP package
LMP91050应用:
NDIR sensing
Demand control ventilation
Building monitoring
CO2 cabin control — Automotive
Alcohol detection — Automotive
Industrial safety and security
GHG & Freons detection platforms

图1。LMP91050方框图

图2。LMP91050典型NDIR传感应用电路图
SPIO-4精密信号通路控制器板
The SPIO-4 is one of several National Semiconductor digital controller/capture boards that are used by multiple evaluation systems. The objective of these software/hardware evaluation systems is to allow our customers to easily and accurately evaluate National s signal-path devices in a lab setting. At the time of SPIO-4 s release, two different evaluation system software (GUIs) make use of this board: the WaveVision-5 and the Sensor AFE. The board ships with the current version of the WaveVision-5 software.
In addition to the controller/capture board (i.e., the SPIO-4) and the evaluation GUI software (e.g.,WaveVision-5 or Sensor AFE), the third essential element of an evaluation system is the device or signalpath evaluation board that plugs into the controller board. This eval board is generically referred to as the “DUT board”. Each DUT board comes with its own Users Guide which documents its specific features.
Each DUT board also comes with some software that the user must install before using it. In the case of the WaveVision-5 GUI, this software is essentially a device-specific module that adds support for the future device eval boards. In the case of Sensor AFE device family, the eval board comes with a complete, custom Sensor AFE that is specifically paired with that device.
The WaveVision-5 and Sensor AFE GUI software have their own Users
Guide documents that describe how to interact with the GUI.
This User
s Guide describes only the SPIO-4 board. The user is expected to refer to this guide only if necessary. The DUT Users
Guide and the GUI Users
Guide are the primary documents that describehow to work with a National signal-path evaluation board.
SPIO-4系统特性:
Captures or sources multiple signal-path data streams and transfers them to/from the PC based application software through a USB 2.0 connection (USB1.1 compatible).
Supports jumper-less, plug-and-play configuration. The GUI automatically discovers the attached DUT board and loads the appropriate software module for it.
Supports a wide variety of signal-path evaluation board through a standardized connector (GPSI-16/GPSI-32).
Capable of storing up to 8MBytes of signal-path data.
DUT interface can be SPI, I2C or parallel.
Powered either by PC via USB or external supply
Atmel SAM3U microcontroller (ARM Cortex M3 Core)
Available IDE connector for Atmel firmware development environment
USB 2.0 port
USB-powered
Maximum serial clock rate of 80 MHz
Xilinx XC6SLX16 FPGA
Standard `GPSI-16` connector that allows connection to many National precision signal-path devices

图3。SPIO-4精密信号通路控制器板外形图

图4。SPIO-4精密信号通路控制器板方框图

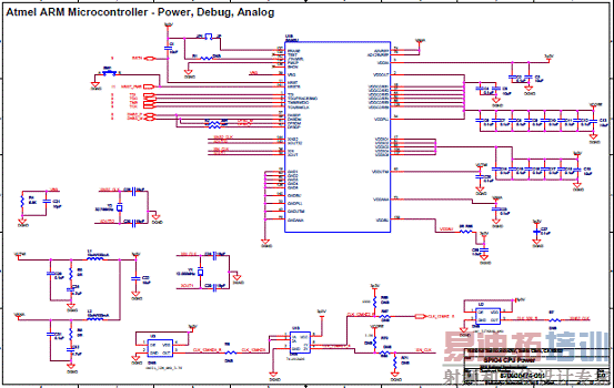
图5。SPIO-4精密信号通路控制器板电路图(1)

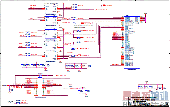
图6。SPIO-4精密信号通路控制器板电路图(2)

图7。SPIO-4精密信号通路控制器板电路图(3)

图8。SPIO-4精密信号通路控制器板电路图(4)

图9。SPIO-4精密信号通路控制器板电路图(5)

图10。SPIO-4精密信号通路控制器板电路图(6)

图11。SPIO-4精密信号通路控制器板电路图(7)

图12。SPIO-4精密信号通路控制器板电路图(8)

图13。SPIO-4精密信号通路控制器板电路图(9)

图14。SPIO-4精密信号通路控制器板电路图(10)

图15。SPIO-4精密信号通路控制器板元件布局图
详情请见:
snas517b.pdf(650.46 KB, 下载次数: 2)
和
snau112.pdf(793.09 KB, 下载次数: 4)
来源:网络
LMP91050是一个可编程的,集成传感器模拟前端(AFE),并为热电堆传感器进行了优化,特别适用于NDIR应用。该器件为传感器和微控制器之间产生的输出电压(与热电堆电压成正比),提供了一个完整的信号路径解决方案。 LMP91050的可编程性,使其能够采用单一设计(可用于多个分立式解决方案)支持多个热电堆传感器。
LMP91050的功能包括,可编程增益放大器(PGA),“黑暗期”偏移删除,和一个可调节的共同模式发生器(1.15V或2.59V),从而提高了输出动态范围。 该PGA提供了一个低增益范围(167V/V~1335V/V),加上1002V/V~7986V/V的高增益范围,从而使用户能更好地,更灵活地,来利用热电堆。

图1 LMP91050方框图

图2 LMP91050典型NDIR传感应用电路图
LMP91050主要指标
•可编程增益167V/V~7986V/V
•低噪音(0.1Hz~10Hz)0.1μVRMS
•增益漂移100 PPM/°C(最大值)
•相位延迟漂移500ns(最大值)
•电源电压范围2.7V~5.5V
• LMP91050主要特性
•可编程增益放大器
• “暗信号”偏移删除
•支持外部滤波
•通用模式发生器和8位DAC
• 10引脚MSOP封装
LMP91050应用
• NDIR传感
•需求控制通风
•建筑监测
•二氧化碳机舱控制 - 汽车
•酒精检测 - 汽车
•工业安全与保安
•温室气体氟利昂检测平台
SPIO-4精密信号通路控制器板
SPIO-4是国家半导体公司的几个数字控制器(捕获)板之一,可用于多个评估系统。这些软件/硬件评估系统的目的是为了让客户能够在实验室环境中,轻松,准确地评估国家半导体公司的信号路径设备。在SPIO-4发行时,有两个不同的评价系统软件(GUI)采用板:WaveVision-5,和Sensor AFE。当前出厂的版本是aveVision-5软件。
除了控制器(捕获)板(即SPIO-4),和评价GUI软件(WaveVision5或Sensor AFE),评估体系的第三个基本要素是signalpath评估板(插在控制器板上)。此评估板通称为“DUT板”。每个DUT板都带有其自己的用户指南,以记录其特定的功能。
每个DUT板还配备了一些软件(用户在使用之前必须安装)。在WaveVision-5 GUI的情况下,该软件基本上是设备特定的模块,它增加了对未来的设备评估板的支持。在AFE器件系列的情况下,评估板具有一个完整的,自定义传感器AFE,专门与该设备配对。
WaveVision-5和Sensor AFE GUI 软件有自己的用户。指南文件描述了如何与GUI互动。本用户指南只介绍了SPIO-4板。用户仅在必要时参考。DUT用户指南和GUI用户指南描述了如何使用国家半导体的信号路径评估板。
SPIO-4系统特性
•捕获或供应多信号路径数据流,并通过USB2.0接口(兼容USB1.1),传输到基于PC的应用软件,或从基于PC的应用软件中传出

图3 SPIO-4精密信号通路控制器板方框图

图4 SPIO-4精密信号通路控制器板电路图(1)
•支持免跳线,插件配置。 GUI自动发现连接DUT板,并加载相应的软件模块。
•通过一个标准化的连接器(GPSI-16/GPSI-32),支持各种信号路径评估板
• 8MBytes信号路径数据存储能力
• DUT接口可以是SPI,I2C或平行
•可以通过PC机USB,或外部电源供电
•爱特梅尔SAM3U的微控制器(ARM Cortex M3核)
•为Atmel固件开发环境提供IDE接口
• USB 2.0端口
• USB供电
•最大串行时钟速率80MHz
•赛灵思XC6SLX16 FPGA
•标准“GPSI-16”连接器,可连接 到许多国家半导体的精密信号路径设备
Configurable AFE for Nondispersive Infrared (NDIR) Sensing Applications
The LMP91050 is a programmable integrated Sensor Analog Front End (AFE) optimized for thermopile sensors, as typically used in NDIR applications. It provides a complete signal path solution between a sensor and microcontroller that generates an output voltage proportional to the thermopile voltage. The LMP91050 s programmability enables it to support multiple thermopile sensors with a single design as opposed to the multiple discrete solutions.
The LMP91050 features a programmable gain amplifier (PGA), "dark phase" offset cancellation, and an adjustable common mode generator (1.15V or 2.59V) which increases output dynamic range. The PGA offers a low gain range of 167V/V to 1335V/V plus a high gain range of 1002V/V to 7986V/V which enables the user to utilize thermopiles with different sensitivities.
LMP91050主要指标:
■ Programmable gain 167V/V to 7986V/V
■ Low noise (0.1 to 10 Hz) 0.1μVRMS
■ Gain Drift 100 ppm/°C (max)
■ Phase Delay Drift 500ns (max)
■ Power supply voltage range 2.7V to 5.5V
LMP91050主要特性:
Programmable gain amplifier
"Dark Signal" offset cancellation
Supports external filtering
Common mode generator and 8 bit DAC
10 pin MSOP package
LMP91050应用:
NDIR sensing
Demand control ventilation
Building monitoring
CO2 cabin control — Automotive
Alcohol detection — Automotive
Industrial safety and security
GHG & Freons detection platforms

图1。LMP91050方框图

图2。LMP91050典型NDIR传感应用电路图
SPIO-4精密信号通路控制器板
The SPIO-4 is one of several National Semiconductor digital controller/capture boards that are used by multiple evaluation systems. The objective of these software/hardware evaluation systems is to allow our customers to easily and accurately evaluate National s signal-path devices in a lab setting. At the time of SPIO-4 s release, two different evaluation system software (GUIs) make use of this board: the WaveVision-5 and the Sensor AFE. The board ships with the current version of the WaveVision-5 software.
In addition to the controller/capture board (i.e., the SPIO-4) and the evaluation GUI software (e.g.,WaveVision-5 or Sensor AFE), the third essential element of an evaluation system is the device or signalpath evaluation board that plugs into the controller board. This eval board is generically referred to as the “DUT board”. Each DUT board comes with its own Users Guide which documents its specific features.
Each DUT board also comes with some software that the user must install before using it. In the case of the WaveVision-5 GUI, this software is essentially a device-specific module that adds support for the future device eval boards. In the case of Sensor AFE device family, the eval board comes with a complete, custom Sensor AFE that is specifically paired with that device.
The WaveVision-5 and Sensor AFE GUI software have their own Users
Guide documents that describe how to interact with the GUI.
This User
s Guide describes only the SPIO-4 board. The user is expected to refer to this guide only if necessary. The DUT Users
Guide and the GUI Users
Guide are the primary documents that describehow to work with a National signal-path evaluation board.
SPIO-4系统特性:
Captures or sources multiple signal-path data streams and transfers them to/from the PC based application software through a USB 2.0 connection (USB1.1 compatible).
Supports jumper-less, plug-and-play configuration. The GUI automatically discovers the attached DUT board and loads the appropriate software module for it.
Supports a wide variety of signal-path evaluation board through a standardized connector (GPSI-16/GPSI-32).
Capable of storing up to 8MBytes of signal-path data.
DUT interface can be SPI, I2C or parallel.
Powered either by PC via USB or external supply
Atmel SAM3U microcontroller (ARM Cortex M3 Core)
Available IDE connector for Atmel firmware development environment
USB 2.0 port
USB-powered
Maximum serial clock rate of 80 MHz
Xilinx XC6SLX16 FPGA
Standard `GPSI-16` connector that allows connection to many National precision signal-path devices

图3。SPIO-4精密信号通路控制器板外形图

图4。SPIO-4精密信号通路控制器板方框图

图5。SPIO-4精密信号通路控制器板电路图(1)

图6。SPIO-4精密信号通路控制器板电路图(2)

图7。SPIO-4精密信号通路控制器板电路图(3)

图8。SPIO-4精密信号通路控制器板电路图(4)

图9。SPIO-4精密信号通路控制器板电路图(5)

图10。SPIO-4精密信号通路控制器板电路图(6)

图11。SPIO-4精密信号通路控制器板电路图(7)

图12。SPIO-4精密信号通路控制器板电路图(8)

图13。SPIO-4精密信号通路控制器板电路图(9)

图14。SPIO-4精密信号通路控制器板电路图(10)

图15。SPIO-4精密信号通路控制器板元件布局图
详情请见:
snas517b.pdf(650.46 KB, 下载次数: 2)
和
snau112.pdf(793.09 KB, 下载次数: 4)
来源:网络


