- 易迪拓培训,专注于微波、射频、天线设计工程师的培养
超低抖动时钟合成器的设计挑战
录入:edatop.com 点击:
概述
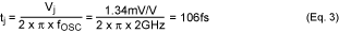
本文为高速数据转换器提供了一个低抖动时钟源的参考设计,目标是在时钟频率高达2GHz时,边沿间抖动< 100fs。对于1GHz模拟输出频率,所产生的抖动信噪比SNR为:-20 × log(2 × π × f × tj) = -64dB。
设计需求
时钟设计的最高频率为2GHz,然而,一些VCO (压控振荡器)和预分频器能够将其扩展到更高频率,且不同器件能够扩展的范围也不尽相同。这里介绍的参考设计、仿真测试和结果只针对2GHz输出频率。
一些高速转换器采用时钟信号的两个沿作为内部定时。这就要求严格的50%占空比。另外,目标输出驱动能力是10dBm/50Ω,即2VP-P差分输出。
合成器设计基础

图1. 传统锁相环
最简单的设计是传统的锁相环电路,如图1。如上所述,要求严格的50%占空比。因此,VCO工作在目标时钟的两倍频(4GHz),然后通过2分频获得目标频率和占空比。由于分频器会引入抖动,所以将其置于锁相环环路以消除噪声。
环路滤波器提供对参考噪声的低通滤波和VCO噪声的高通滤波。同时,它也决定了环路建立时间。由于这是固定频率应用,环路建立时间不存在问题;滤波器带宽可只对噪声进行优化。窄带滤波器更容易处理参考噪声,但增加了VCO的噪声负担,宽带滤波器的效果则相反。
虽然我们需要在VCO和参考时钟两者之间进行平衡,通过对两者的研究表明,同时获得两者的最佳性能是可能的。100fs抖动的相噪指标决定了噪声将有多低。
相噪是相对于载频的指标,反比于频偏(dBc/Hz)。所有相噪的集合就是相噪功率,它用来和基频功率相比较。相噪除以基频功率得到抖动。
例如,假设2GHz VCO在10kHz到100kHz内具有-110dBc/Hz的SSB (单边带)相噪,其带宽为90kHz,结果为49.5dB。所以,总噪声为-60.5dBc。SSB噪声功率为:

所以,噪声电压有效值为:

根号里的系数2代表包括了两个单边带¹。
其抖动为:

式3只得出了10kHz至100kHz频偏的抖动,为了确定整体抖动,还要考虑其余频偏。
另一种方法是,我们从抖动倒推相噪。于是,对于2GHz时100fs的抖动:

SSB噪声功率为:

式5结果等效于-61dBc的总噪声功率(SSB)。如果假定相噪在1Hz到10MHz均匀分布,那么,换算成dBc/Hz,得到以下相噪模板(图2)。

图2. 相噪模板
毫无疑问,2GHz下抖动< 100fs是一个非常不错的相噪值,特别是在10kHz至100kHz范围内。从图中可以看出,10kHz时的相噪大约为-114dBc/Hz。但很少有分离²的VCO能够达到这一水准,当然,集成VCO也很难达到这一目标。UMC (Universal Microwave Corporation)的VCO能够达到这一低噪级别。UMX系列产品的带宽为500MHz至5GHz,其10kHz相噪可以达到-112dBc/Hz以下。即使UMX系列中指标最差的VCO也满足我们的要求。

图3. UMX-806-D16对应于相噪模板的相噪
图3给出了4GHz VCO (UMX-806-D16)最差情况下的相噪和我们的目标相噪模板。该VCO在20kHz以下的相噪很高,但通过设计锁相环滤波器带宽可以抑制低频偏VCO噪声。假设没有其它因素的影响,可以得到很好的10kHz以上的相噪指标。请注意,这些相噪要求来自2GHz振荡器。然而,图3给出的是4GHz振荡器的曲线,它需要额外的2分频来保证50%的占空比。假设2分频自身不影响总相噪,将使VCO的相噪降低6dB,整个曲线平行下移6dB。
请注意,参考时钟也会产生噪声,但多数分布在环路滤波器带宽以下。图4给出了Crystek®的80MHz晶体压控振荡器的伯特图和目标相噪模板。注意,锁相环频率增益将等倍放大参考时钟的相噪。因此,对80MHz晶体和2GHz输出,其增益为25。结果,Crystek曲线将上移28dB。该平移意味着参考时钟的相噪在1kHz非常高³。然而,相噪模板假定总噪声功率在频偏以内均匀分布。当然,情况不一定是这样,所以1kHz以外的恒定相噪加上1kHz以内的噪声仍然可以满足我们的抖动指标。

图4. 参考时钟的相噪
图4的相噪分析还包括了Vectron恒温控制振荡器(OCXO),具有极低相噪。注意,OCXO容易消耗更多功率(达到瓦特量级)。
合成器原理图
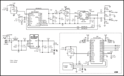
图5是前面讨论的参考时钟和VCO的完整电路原理图。PLL采用Fujitsu® MB15E06SR,它集成了4mA电荷泵和最高3GHz的预分频器。由于PLL需要编程,所以我们采用了一个很简单的PIC微处理器(PIC18F2455),内置USB接口,可以自动执行编程任务。该设计需要用软件编程用户界面,同时PIC也需要编程。

清晰图片(PDF, 93.8KB)
图5. 时钟合成器原理图
分频器采用Hittite® HMC361,它可以工作至10GHz,其相噪对性能影响不大。然而,分频器的输出摆幅只有0.8VP-P,即50Ω时2dBm。设计目标是10dBm输出(2VP-P),所以Hittite的输出不能满足要求,需要提升电压。On Semiconductor®或Zarlink®都有类似产品,但它们的输出摆幅基本和Hittite相同,甚至更差。而且,它们的噪声指标没有明确标出。
一个简单的变压器可以用来增大低速时钟的摆幅,但高于2GHz、可以实现4:1放大的变压器并不常见。另外,这种办法增加了阻抗设计难度。另一种方法是采用有源放大器,可以得到很多带宽> 10GHz的差分放大器,但还需要进一步确定器件的噪声指标,以满足设计要求。另一问题是放大器是否能够置于PLL,Fujitsu数据资料建议最大预分频输入为2dBm (1VP-P)。
仿真结果
ADIsimPLL (由Applied Radio Labs为Analog Devices编写)可以用来分析该电路,它包括多个UMC的VCO模型。图6给出了由不带分频器的UMC 4GHz VCO和Crystek振荡器组成的PLL相噪伯特图。2kHz以下,参考时钟的噪声占主导地位;2kHz以上,鉴相器相噪占主导地位;70kHz以上,VCO噪声占主导地位。
图6包括了图2的目标噪声模板(粗黑线)。显然,总噪声在50kHz以下超出了模板,这将产生200fs的抖动。实际仿真存在一个问题,即如何解决鉴相器的相噪。它应该等于特定器件的噪底(-219dBc/Hz)乘以VCO/PFD频率,即4000MHz/25MHz,或44dB,平移118dB。还需进一步的核查,但即使将PFD (鉴相器)噪声去除,该结果仍然不可接受(167fs)。

图6. 使用VCO的仿真结果:4GHz下的相噪
除了PFD噪声,滤波器设置接近于10kHz时的VCO噪声峰值。剩下的主要问题是参考时钟噪声,不幸的是,40kHz以上优于模板性能不足以消除该噪声。所以,需要采用其它类型的振荡器来满足相噪要求,例如:OCXO。
该设计的印刷电路板(PCB)可以适用三种或四种不同的XO引脚排列。图7给出了采用Vectron OCXO的仿真结果。即使考虑鉴相器噪声,最终的抖动为86.5fs。该抖动留出一定裕量给没有考虑的分频器噪声(该噪声应该没有明显的负面影响)和可能需要的放大器。

图7. 使用Vectron OXCO的仿真结果:4GHz下的相噪
结论
2GHz时达到100fs的抖动指标要比我们预计的更难实现。实验数据表明,利用一些标准的PLL电路可以达到这一目标。关键在于VCO和参考时钟的选择。实验证明,UMX的VCO具有一流的相噪性能。剩下的两个难题是:(1)选择噪声足够低的参考时钟;(2)选择合适的放大器。幸运的是,我们有很多器件可供选择,同样的电路布局可以适用于不同型号的引脚排列。放大器的选择比较困难,需要进一步分析以确定是否可以将其置于环路,还需考虑其噪声的影响。
¹考虑到两个单边带,文中在根号的内外均包含了系数2。总的噪声功率为SSB噪声功率的2倍,因此总的噪声电压应当等于SSB噪声电压。
²指的是单个元件,而不是模块。
³在1MHz附近具有很高的相位噪声,但是环路滤波器有助于衰减该噪声。
本文为高速数据转换器提供了一个低抖动时钟源的参考设计,目标是在时钟频率高达2GHz时,边沿间抖动< 100fs。对于1GHz模拟输出频率,所产生的抖动信噪比SNR为:-20 × log(2 × π × f × tj) = -64dB。
设计需求
时钟设计的最高频率为2GHz,然而,一些VCO (压控振荡器)和预分频器能够将其扩展到更高频率,且不同器件能够扩展的范围也不尽相同。这里介绍的参考设计、仿真测试和结果只针对2GHz输出频率。
一些高速转换器采用时钟信号的两个沿作为内部定时。这就要求严格的50%占空比。另外,目标输出驱动能力是10dBm/50Ω,即2VP-P差分输出。
合成器设计基础

图1. 传统锁相环
最简单的设计是传统的锁相环电路,如图1。如上所述,要求严格的50%占空比。因此,VCO工作在目标时钟的两倍频(4GHz),然后通过2分频获得目标频率和占空比。由于分频器会引入抖动,所以将其置于锁相环环路以消除噪声。
环路滤波器提供对参考噪声的低通滤波和VCO噪声的高通滤波。同时,它也决定了环路建立时间。由于这是固定频率应用,环路建立时间不存在问题;滤波器带宽可只对噪声进行优化。窄带滤波器更容易处理参考噪声,但增加了VCO的噪声负担,宽带滤波器的效果则相反。
虽然我们需要在VCO和参考时钟两者之间进行平衡,通过对两者的研究表明,同时获得两者的最佳性能是可能的。100fs抖动的相噪指标决定了噪声将有多低。
相噪是相对于载频的指标,反比于频偏(dBc/Hz)。所有相噪的集合就是相噪功率,它用来和基频功率相比较。相噪除以基频功率得到抖动。
例如,假设2GHz VCO在10kHz到100kHz内具有-110dBc/Hz的SSB (单边带)相噪,其带宽为90kHz,结果为49.5dB。所以,总噪声为-60.5dBc。SSB噪声功率为:

所以,噪声电压有效值为:

根号里的系数2代表包括了两个单边带¹。
其抖动为:

式3只得出了10kHz至100kHz频偏的抖动,为了确定整体抖动,还要考虑其余频偏。
另一种方法是,我们从抖动倒推相噪。于是,对于2GHz时100fs的抖动:

SSB噪声功率为:

式5结果等效于-61dBc的总噪声功率(SSB)。如果假定相噪在1Hz到10MHz均匀分布,那么,换算成dBc/Hz,得到以下相噪模板(图2)。

图2. 相噪模板
毫无疑问,2GHz下抖动< 100fs是一个非常不错的相噪值,特别是在10kHz至100kHz范围内。从图中可以看出,10kHz时的相噪大约为-114dBc/Hz。但很少有分离²的VCO能够达到这一水准,当然,集成VCO也很难达到这一目标。UMC (Universal Microwave Corporation)的VCO能够达到这一低噪级别。UMX系列产品的带宽为500MHz至5GHz,其10kHz相噪可以达到-112dBc/Hz以下。即使UMX系列中指标最差的VCO也满足我们的要求。

图3. UMX-806-D16对应于相噪模板的相噪
图3给出了4GHz VCO (UMX-806-D16)最差情况下的相噪和我们的目标相噪模板。该VCO在20kHz以下的相噪很高,但通过设计锁相环滤波器带宽可以抑制低频偏VCO噪声。假设没有其它因素的影响,可以得到很好的10kHz以上的相噪指标。请注意,这些相噪要求来自2GHz振荡器。然而,图3给出的是4GHz振荡器的曲线,它需要额外的2分频来保证50%的占空比。假设2分频自身不影响总相噪,将使VCO的相噪降低6dB,整个曲线平行下移6dB。
请注意,参考时钟也会产生噪声,但多数分布在环路滤波器带宽以下。图4给出了Crystek®的80MHz晶体压控振荡器的伯特图和目标相噪模板。注意,锁相环频率增益将等倍放大参考时钟的相噪。因此,对80MHz晶体和2GHz输出,其增益为25。结果,Crystek曲线将上移28dB。该平移意味着参考时钟的相噪在1kHz非常高³。然而,相噪模板假定总噪声功率在频偏以内均匀分布。当然,情况不一定是这样,所以1kHz以外的恒定相噪加上1kHz以内的噪声仍然可以满足我们的抖动指标。

图4. 参考时钟的相噪
图4的相噪分析还包括了Vectron恒温控制振荡器(OCXO),具有极低相噪。注意,OCXO容易消耗更多功率(达到瓦特量级)。
合成器原理图
图5是前面讨论的参考时钟和VCO的完整电路原理图。PLL采用Fujitsu® MB15E06SR,它集成了4mA电荷泵和最高3GHz的预分频器。由于PLL需要编程,所以我们采用了一个很简单的PIC微处理器(PIC18F2455),内置USB接口,可以自动执行编程任务。该设计需要用软件编程用户界面,同时PIC也需要编程。

清晰图片(PDF, 93.8KB)
图5. 时钟合成器原理图
分频器采用Hittite® HMC361,它可以工作至10GHz,其相噪对性能影响不大。然而,分频器的输出摆幅只有0.8VP-P,即50Ω时2dBm。设计目标是10dBm输出(2VP-P),所以Hittite的输出不能满足要求,需要提升电压。On Semiconductor®或Zarlink®都有类似产品,但它们的输出摆幅基本和Hittite相同,甚至更差。而且,它们的噪声指标没有明确标出。
一个简单的变压器可以用来增大低速时钟的摆幅,但高于2GHz、可以实现4:1放大的变压器并不常见。另外,这种办法增加了阻抗设计难度。另一种方法是采用有源放大器,可以得到很多带宽> 10GHz的差分放大器,但还需要进一步确定器件的噪声指标,以满足设计要求。另一问题是放大器是否能够置于PLL,Fujitsu数据资料建议最大预分频输入为2dBm (1VP-P)。
仿真结果
ADIsimPLL (由Applied Radio Labs为Analog Devices编写)可以用来分析该电路,它包括多个UMC的VCO模型。图6给出了由不带分频器的UMC 4GHz VCO和Crystek振荡器组成的PLL相噪伯特图。2kHz以下,参考时钟的噪声占主导地位;2kHz以上,鉴相器相噪占主导地位;70kHz以上,VCO噪声占主导地位。
图6包括了图2的目标噪声模板(粗黑线)。显然,总噪声在50kHz以下超出了模板,这将产生200fs的抖动。实际仿真存在一个问题,即如何解决鉴相器的相噪。它应该等于特定器件的噪底(-219dBc/Hz)乘以VCO/PFD频率,即4000MHz/25MHz,或44dB,平移118dB。还需进一步的核查,但即使将PFD (鉴相器)噪声去除,该结果仍然不可接受(167fs)。

图6. 使用VCO的仿真结果:4GHz下的相噪
除了PFD噪声,滤波器设置接近于10kHz时的VCO噪声峰值。剩下的主要问题是参考时钟噪声,不幸的是,40kHz以上优于模板性能不足以消除该噪声。所以,需要采用其它类型的振荡器来满足相噪要求,例如:OCXO。
该设计的印刷电路板(PCB)可以适用三种或四种不同的XO引脚排列。图7给出了采用Vectron OCXO的仿真结果。即使考虑鉴相器噪声,最终的抖动为86.5fs。该抖动留出一定裕量给没有考虑的分频器噪声(该噪声应该没有明显的负面影响)和可能需要的放大器。

图7. 使用Vectron OXCO的仿真结果:4GHz下的相噪
结论
2GHz时达到100fs的抖动指标要比我们预计的更难实现。实验数据表明,利用一些标准的PLL电路可以达到这一目标。关键在于VCO和参考时钟的选择。实验证明,UMX的VCO具有一流的相噪性能。剩下的两个难题是:(1)选择噪声足够低的参考时钟;(2)选择合适的放大器。幸运的是,我们有很多器件可供选择,同样的电路布局可以适用于不同型号的引脚排列。放大器的选择比较困难,需要进一步分析以确定是否可以将其置于环路,还需考虑其噪声的影响。
¹考虑到两个单边带,文中在根号的内外均包含了系数2。总的噪声功率为SSB噪声功率的2倍,因此总的噪声电压应当等于SSB噪声电压。
²指的是单个元件,而不是模块。
³在1MHz附近具有很高的相位噪声,但是环路滤波器有助于衰减该噪声。


