- 易迪拓培训,专注于微波、射频、天线设计工程师的培养
利用NI CompactRIO开发完整并现成可用的电能质量分析平台
录入:edatop.com 点击:
挑战:实现一个电能质量分析仪,它包含一套完整的仪器,能够执行所有必要的电能相关的测量,并且能够在一个运行实时操作系统的小型硬件系统上实现并行处理。我们还必须考虑系统的可扩展性,以便在进行设计测量和数据处理运算时符合最新的IEC和 EN标准。
解决方案:利用COTS(商业现成可用)的工具,如NI CompactRIO,一款坚固而可扩展的硬件平台,以及NI LabVIEW图形开发环境来开发电能质量分析仪,并使其遵守国际电能质量标准
电能质量测量很重要?
电能是一种产品,和任何其他产品一样,并且它或许是目前工商业所需要的最必不可少的原材料。它的不同寻常之处在于它必须连续不断被接收和使用,人们无法方便地大量储存电能,并且在使用前无法方便地对它进行质量检验。若电能质量较差,则有可能对生产线造成重大损伤。因此,通过监测电能质量,我们就能够在系统遭到损伤,并导致严重的财务损失之前找到潜在的问题。此时进行预防工作的成本相对而言是较低的,并且工程师可以进行一系列的改善工作,从优化系统运行流程到监测与控制设备的整体安装等。
什么是需要测量的量?
典型的电能质量分析仪采集并分析电网中的三路电压,并根据国际标准的规定计算电压质量。电压质量由以下参数进行定义:频率、电压电平变化、闪变、三相系统不平衡、谐波光谱、总谐波失真和信号电压电平等。在某些情况下,也需要将电流信号和电压一起分析。这样就可以分析电流相关的参数,并能够计算一些间接参量,例如有功功率、无功功率、电能等。

图1 带有电能质量监控功能的电能传输示意图
我们的电能质量分析软硬件包被命名为ENA(全称:ELCOM网络分析仪),是用于电能质量监测的综合的模块化系统,它符合现行国际标准和其他国际规定文件的规定。
选择开发平台的注意事项
我们选择在NI CompactRIO平台上利用C系列模块实现系统。与传统的基于计算机的仪器相比较,它更加紧凑、坚固,并且尺寸更小。它还具有更好的温度规格(工作温度范围在-40°C和+70°C之间),以及非常低的功率消耗(约为8瓦)。而且,NI CompactRIO系列产品还能够为我们提供各种不同的尺寸规格,这对我们来说很重要,帮助我们快速适应不同客户及不同应用的需要。
从丰富的C系列I/O模块中,我们选择了NI 9225 300V功率测量模块进行高电压的测量。该模块是为电网测量而设计的,能够测量110V电网的相电压和线电压,以及240V电网的相电压。针对电流测量,我们使用了NI 9227。NI 9225和NI 9227能够在50k采样点/秒的采样率下实现同步采样,能够实现精确的三相功率测量以及电能质量测量,如:闪变、谐波和功率因数等。此外,我们还设计了特殊的电压和电流模块供选择:EL9215U-R1和EL9215I-R1,它们都基于NI 9215模块设计并内嵌了我们的信号调理电子元件。它们占用三个插槽,可以集成到CompactRIO机箱中使用。
由于需要开发易于使用并且具有可移植性和可扩展性的解决方案,所以我们选用了NI LabVIEW作为软件开发环境,用于开发ENA的各部分软件。根据所选择的CompactRIO型号不同以及所选择的输入模块的不同,有几种不同型号的CompactRIO 电能质量分析仪。ENA 电能质量分析仪固件的最低要求是带400MHz处理器的控制器和带有2M现场可编程门阵列(Gate FPGA)的机箱。
基于CompactRIO的电能质量分析仪
我们在这里展示的型号是ENA450,但是由于NI CompactRIO产品系列和系统的可扩展性以及LabVIEW代码的可移植性,我们能够将系统调节成不同的尺寸大小,以满足各种不同的应用以及客户的特殊需要。除基于完全灵活的NI CompactRIO 系统(ENA450.EC)以外,我们还创造了另外两种整体解决方案,可以把应用程序部署至:
· 集成化的CompactRIO系统(ENA450.EB, ENA450.NB),其在同一个机箱内同时安装了实时处理器和可重新配置现场可编程门阵列(FPGA)。
· 或者单板RIO(即Single-Board RIO)(ENA460)系统,其在单个印刷电路板上包含NI CompactRIO系统的三个核心部件-实时处理器、现场可编程门阵列(FPGA)和I/O 。
电能质量分析仪的性能由仪器硬件和软件确定。ENA电能质量监测系统包含一系列的软件应用程序,这些应用程序可以用于分析仪的远程控制、已储存数据分析及通过因特网发布电能质量数据。这种模化的理念可以实现所有客户需求,并且使成本最小化。
测量能力
固件ENA-Node(参见图库)在基于CompactRIO的ENA450分析仪上直接运行并且提供各种测量服务,包括处理所有数据采集、计算和储存。
固件ENA-Node包括一些并行运行的软件模块:
· FFT分析仪
· 矢量分析仪
· 电流监测器
· 闪变计
· EN50160电压监视器
· 半周期RMS监视器
· 电压发报和报警
· 数字输入
所有上述固件模块都适合于50Hz 和60Hz 电力系统。用户可以通过仪器显示器观察数据并且把数据储存在数据文件中。所有仪器都在9.6 kS/秒/通道的采样率下工作。采样率与被测量信号的频率同步。实施的算法符合IEC61000-4-30、IEC61000-4-15和IEC61000-4-7等电能质量标准的规定。
软件将会分析电网的三个电压信号(最高可达300Vrms)和三路电流瞬时值,以便计算电网的各种变量:RMS值、频率、谐波光谱、总谐波失真、闪变、三相系统不平衡、有功功率、无功功率、电能和许多其他变量。通过使用NI 9227电流模块或者通过电流钳连接到ELCOM EL9215I-R1电流模块,可以直接测量电流变送器(1A/5A)输出的电流。

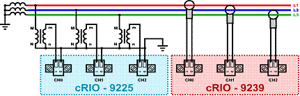
图2 ENA450接线图–如何连接到输电线
可测量的变量列表
用于仪器控制、数据管理和报表的用户界面
易于使用的ENA-Touch用户界面是一个用于ENA测量服务的图形用户界面。所有仪器控制、数据显示和测量配置都通过ENA-Touch用户界面进行。为了显示测量的数值,它可以容易、妥当地实现配置并显示测量的数据。有两种类型的可视化面板:一些面板在表格中显示固定数值,一些面板能够支持多种显示数据的方法(如表格、频域图表、图表、矢量图表及电能质量的统计结果)以便显示用户自定义的数值。ENA-Touch用户界面对于控制进行了优化,能够使用触摸屏进行显示,并且也可以在分辨率为800x480的超级移动PC上使用。ENA-Touch可以通过因特网TCP/IP协议远程控制ENA-Node。同时由于显示了所有的联机数据,系统也允许储存数据以进行离线分析。计算后的变量可及时地进行累计并且一些数据在储存之前就经过了统计评估。数据根据一个规定的时间间隔定期储存,另有一些基于事件的数据仅在事件发生时进行储存。
利用ENA-Report可以很方便地地对储存的数据进行离线分析,并生成报告。
利用ENA进行分布式电能质量监测
利用一些ENA450分析仪可以构造分布式监测系统。分布式系统中的数据可以复制到MS-SQL或者ORACLE数据库,以便进行集中储存和离线分析。
结论
这一电能质量监测系统的主要优势在于性能高,灵活性好并且尺寸小。通过使用具有内置信号调理功能的C系列模块,可以实现强大的、用户容易掌握的解决方案,可以在很大程度上简化软件维护和进一步开发,而不会对当前的系统产生影响。若现有的电能质量监测标准有了任何更新或者修改,电能质量监测仪的特性可以快速更新并且紧跟最新标准。由于该解决方案具有开放性,所以现有系统能够很容易与其他系统结合,通信协议可以根据客户需求进行调整或者集成到用户现有的SCADA系统中。开放式硬件架构允许用户添加新的DIO用于监测和控制,或者添加通信模块实现GPS 或者GSM无线通信。
NI CompactRIO and NI LabVIEW的灵活性还使我们得以在数周时间内实现完整的PMU(相位测量单元)分析仪。它允许根据IEEE C37.118-2005标准对同步相量进行精确评估。目前我们正试图将PMU分析仪功能结合到电能质量分析仪ENA450中,以成为一个单独的仪器。
作者:
Daniel Kaminský - ELCOM, a.s.
Petr Bilik - ELCOM, a.s.
Jiri Hula - ELCOM, a.s.
解决方案:利用COTS(商业现成可用)的工具,如NI CompactRIO,一款坚固而可扩展的硬件平台,以及NI LabVIEW图形开发环境来开发电能质量分析仪,并使其遵守国际电能质量标准
电能质量测量很重要?
电能是一种产品,和任何其他产品一样,并且它或许是目前工商业所需要的最必不可少的原材料。它的不同寻常之处在于它必须连续不断被接收和使用,人们无法方便地大量储存电能,并且在使用前无法方便地对它进行质量检验。若电能质量较差,则有可能对生产线造成重大损伤。因此,通过监测电能质量,我们就能够在系统遭到损伤,并导致严重的财务损失之前找到潜在的问题。此时进行预防工作的成本相对而言是较低的,并且工程师可以进行一系列的改善工作,从优化系统运行流程到监测与控制设备的整体安装等。
什么是需要测量的量?
典型的电能质量分析仪采集并分析电网中的三路电压,并根据国际标准的规定计算电压质量。电压质量由以下参数进行定义:频率、电压电平变化、闪变、三相系统不平衡、谐波光谱、总谐波失真和信号电压电平等。在某些情况下,也需要将电流信号和电压一起分析。这样就可以分析电流相关的参数,并能够计算一些间接参量,例如有功功率、无功功率、电能等。

图1 带有电能质量监控功能的电能传输示意图
我们的电能质量分析软硬件包被命名为ENA(全称:ELCOM网络分析仪),是用于电能质量监测的综合的模块化系统,它符合现行国际标准和其他国际规定文件的规定。
选择开发平台的注意事项
我们选择在NI CompactRIO平台上利用C系列模块实现系统。与传统的基于计算机的仪器相比较,它更加紧凑、坚固,并且尺寸更小。它还具有更好的温度规格(工作温度范围在-40°C和+70°C之间),以及非常低的功率消耗(约为8瓦)。而且,NI CompactRIO系列产品还能够为我们提供各种不同的尺寸规格,这对我们来说很重要,帮助我们快速适应不同客户及不同应用的需要。
从丰富的C系列I/O模块中,我们选择了NI 9225 300V功率测量模块进行高电压的测量。该模块是为电网测量而设计的,能够测量110V电网的相电压和线电压,以及240V电网的相电压。针对电流测量,我们使用了NI 9227。NI 9225和NI 9227能够在50k采样点/秒的采样率下实现同步采样,能够实现精确的三相功率测量以及电能质量测量,如:闪变、谐波和功率因数等。此外,我们还设计了特殊的电压和电流模块供选择:EL9215U-R1和EL9215I-R1,它们都基于NI 9215模块设计并内嵌了我们的信号调理电子元件。它们占用三个插槽,可以集成到CompactRIO机箱中使用。
由于需要开发易于使用并且具有可移植性和可扩展性的解决方案,所以我们选用了NI LabVIEW作为软件开发环境,用于开发ENA的各部分软件。根据所选择的CompactRIO型号不同以及所选择的输入模块的不同,有几种不同型号的CompactRIO 电能质量分析仪。ENA 电能质量分析仪固件的最低要求是带400MHz处理器的控制器和带有2M现场可编程门阵列(Gate FPGA)的机箱。
基于CompactRIO的电能质量分析仪
我们在这里展示的型号是ENA450,但是由于NI CompactRIO产品系列和系统的可扩展性以及LabVIEW代码的可移植性,我们能够将系统调节成不同的尺寸大小,以满足各种不同的应用以及客户的特殊需要。除基于完全灵活的NI CompactRIO 系统(ENA450.EC)以外,我们还创造了另外两种整体解决方案,可以把应用程序部署至:
· 集成化的CompactRIO系统(ENA450.EB, ENA450.NB),其在同一个机箱内同时安装了实时处理器和可重新配置现场可编程门阵列(FPGA)。
· 或者单板RIO(即Single-Board RIO)(ENA460)系统,其在单个印刷电路板上包含NI CompactRIO系统的三个核心部件-实时处理器、现场可编程门阵列(FPGA)和I/O 。
电能质量分析仪的性能由仪器硬件和软件确定。ENA电能质量监测系统包含一系列的软件应用程序,这些应用程序可以用于分析仪的远程控制、已储存数据分析及通过因特网发布电能质量数据。这种模化的理念可以实现所有客户需求,并且使成本最小化。
测量能力
固件ENA-Node(参见图库)在基于CompactRIO的ENA450分析仪上直接运行并且提供各种测量服务,包括处理所有数据采集、计算和储存。
固件ENA-Node包括一些并行运行的软件模块:
· FFT分析仪
· 矢量分析仪
· 电流监测器
· 闪变计
· EN50160电压监视器
· 半周期RMS监视器
· 电压发报和报警
· 数字输入
所有上述固件模块都适合于50Hz 和60Hz 电力系统。用户可以通过仪器显示器观察数据并且把数据储存在数据文件中。所有仪器都在9.6 kS/秒/通道的采样率下工作。采样率与被测量信号的频率同步。实施的算法符合IEC61000-4-30、IEC61000-4-15和IEC61000-4-7等电能质量标准的规定。
软件将会分析电网的三个电压信号(最高可达300Vrms)和三路电流瞬时值,以便计算电网的各种变量:RMS值、频率、谐波光谱、总谐波失真、闪变、三相系统不平衡、有功功率、无功功率、电能和许多其他变量。通过使用NI 9227电流模块或者通过电流钳连接到ELCOM EL9215I-R1电流模块,可以直接测量电流变送器(1A/5A)输出的电流。

图2 ENA450接线图–如何连接到输电线
可测量的变量列表
| 电压 | 电流 | 功率 | 电能 | 根据EN50160评估的电压 |
| RMS (200毫秒和半周期) | RMS (200毫秒和半周期) | 功率因数 | 有功电能合计 | RMS |
| THD | THD | 余弦 | 基本有功电能(谐波1) | THD |
| 谐波(1-50) | 谐波 (1-50) | 有功功率合计 | 无功电能合计 | 谐波(1-25) |
| 间谐波(0.5 – 49.5) | 间谐波(0.5 – 49.5) | 谐波有功功率(1-50) | 基本无功电能(谐波1) | 不平衡 |
| 直流部分 | 直流部分 | 无功功率合计 | 视在能量合计 | 频率 |
| 不平衡 | | 谐波无功功率(1-50) | 正有功电能 | 信号电压 |
| 短时闪变Pst,长时闪变Plt | | | 负有功电能 | |
| | | 视在功率合计 | 电感无功电能 | |
| | | 谐波视在功率(1-50) | 电容无功电能 | |
用于仪器控制、数据管理和报表的用户界面
易于使用的ENA-Touch用户界面是一个用于ENA测量服务的图形用户界面。所有仪器控制、数据显示和测量配置都通过ENA-Touch用户界面进行。为了显示测量的数值,它可以容易、妥当地实现配置并显示测量的数据。有两种类型的可视化面板:一些面板在表格中显示固定数值,一些面板能够支持多种显示数据的方法(如表格、频域图表、图表、矢量图表及电能质量的统计结果)以便显示用户自定义的数值。ENA-Touch用户界面对于控制进行了优化,能够使用触摸屏进行显示,并且也可以在分辨率为800x480的超级移动PC上使用。ENA-Touch可以通过因特网TCP/IP协议远程控制ENA-Node。同时由于显示了所有的联机数据,系统也允许储存数据以进行离线分析。计算后的变量可及时地进行累计并且一些数据在储存之前就经过了统计评估。数据根据一个规定的时间间隔定期储存,另有一些基于事件的数据仅在事件发生时进行储存。
利用ENA-Report可以很方便地地对储存的数据进行离线分析,并生成报告。
利用ENA进行分布式电能质量监测
利用一些ENA450分析仪可以构造分布式监测系统。分布式系统中的数据可以复制到MS-SQL或者ORACLE数据库,以便进行集中储存和离线分析。
结论
这一电能质量监测系统的主要优势在于性能高,灵活性好并且尺寸小。通过使用具有内置信号调理功能的C系列模块,可以实现强大的、用户容易掌握的解决方案,可以在很大程度上简化软件维护和进一步开发,而不会对当前的系统产生影响。若现有的电能质量监测标准有了任何更新或者修改,电能质量监测仪的特性可以快速更新并且紧跟最新标准。由于该解决方案具有开放性,所以现有系统能够很容易与其他系统结合,通信协议可以根据客户需求进行调整或者集成到用户现有的SCADA系统中。开放式硬件架构允许用户添加新的DIO用于监测和控制,或者添加通信模块实现GPS 或者GSM无线通信。
NI CompactRIO and NI LabVIEW的灵活性还使我们得以在数周时间内实现完整的PMU(相位测量单元)分析仪。它允许根据IEEE C37.118-2005标准对同步相量进行精确评估。目前我们正试图将PMU分析仪功能结合到电能质量分析仪ENA450中,以成为一个单独的仪器。
作者:
Daniel Kaminský - ELCOM, a.s.
Petr Bilik - ELCOM, a.s.
Jiri Hula - ELCOM, a.s.
上一篇:超低抖动时钟合成器的设计挑战
下一篇:名词解释:磁传感器


