- 易迪拓培训,专注于微波、射频、天线设计工程师的培养
大功率直流电机测试电源设计源
直流电机相对交流电机有调速性能优良、调速方便、平滑、调速范围广等优点,因此仍然广泛应用于很多工业场合。直流调速主要有以下几种方式:电枢串电阻调速、改变电枢电压调速、PWM直流调整系统、双闭环直流调速系统、数字式直流调速系统和改变励磁的恒功率调速。
直流电动机测试电源要根据直流电动机的试验要求进行调压试验、轻载试验、负载试验和过载试验,还要进行动态过程试验等。这就要求其具有连续调压、过流功能,并要求响应速度快。本篇文章将介绍大功率直流电动机测试电源设计。
电路设计
1整流电路计算
整流电路选用的是三相不控整流。这个电路的特点是简单、快速,而且输出波形能够满足逆变电路的要求。输入整流滤波电路的主要作用是将交流电压变为直流电压;此外,还要具有一定的输出电压保持能力,既能防止来自电网的干扰进入电源,又能防止电源产生的干扰。
二极管应当按照有效值选取,如下是计算过程。
整流输出电压Ud的波形在一个周期内波动6次,且脉动波形相同,因此:
(1)
U2为相电压有效值,其值为220V。
Ud=2.34×220=514V (2)
P0为50kW,效率η取0.8,所以P0=Ud×Id×0.8,Id=P0/Ud×0.8=122A。
流过整流二极管电流的有效值为:
(3)
而每只整流二极管承受的最大反压为:
(4)
考虑到电网电压的波动-10%~+10%,所以二极管最小参数应取:
IA(VT)=I(VT)×1.1=78A
UFM=URM×1.1=593V
所以,二极管额定参数为:200A、1200V。因此选择的二极管型号为ZP200-ZL20螺栓型普通整流二极管。

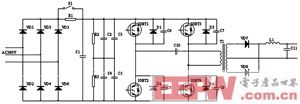
图1 主电路图
2 滤波电容计算
电源中工频滤波器接在工频整流与逆变电路之间,既能将脉动电流变为平滑的直流,还能抑制高频干扰,尤其是变换中产生的高频干扰。
滤波电容最好选用等效串联电阻低且电容量大的电解电容,因为等效串联电阻值对输出脉动电压值有直接影响。因此,为了减少等效串联电阻,用4个电容串并联,获得所需的电容量电路。
电网电压为380V,不考虑波动,空载直流电压Ud0约为线电压峰值540V。在带负载时,电压有所下降,电容电压:
Ud=1.35×380=513V (5)
输入电流Id,即高频变压器输入电流125A。直流侧电压在带负载时是脉动的,如图2所示。最大电压降△U按10%考虑。在T1区间内,电容C向负载放电,在T/6区间完成一个充放电周期。

图2 滤波电容滤波过程分析
假定在电容放电期间放电电流恒定,则:
Id=C△U/T1 (6)
(7)
由式(7)得
(8)
(9)
式中,Id为输入电流125A;△U为电压变化量(△U =Ud0×10%=54V);T1为电容放电时间; Ud0为空载直流电压540V;T为工频交流电周期20ms;为工频交流电角频率),可得:
(10)
电容承受的线电压峰值540V。
实际中,采用4个5600μF/400V的电解电容和2个大电阻并联为一组,用2组串联在一起组成滤波电容组。其电容量为5600μF。大于计算值,滤波效果满足小于10%的要求。
因此,选择DCMCE 1669型电解电容,其规格为5600μF/400V。
由于电解电容不是理想的电容,它本身的阻抗对电容两端的电压会有影响,而且电压是脉动的,所以为了稳定其两端电压,使每组电容的两端电压相等,分别在每组电容两端并联了一个均压电阻R2、R3,选择R2=R3=30kΩ。
至于滤波前面的去高频干扰的电容C1,其电容量是很难确定的,因为高频干扰包括电网的干扰,也包括电源的干扰,所以可试选取C1=(2.5±5%)μF或该数量级其他电容,只要电容C1的耐压峰值满足即可以,耐压峰值Up=600V。
电容输入式整流滤波电路在接通交流电压时,由于电容充电,往往引起较大的浪涌电流。在此,选择的限流电阻R1为20Ω/20W。起动后,延时一段时间后,开关S1合上,把R1从主电路中去除。
3 逆变电路计算
对于逆变电路选取的是全桥逆变电路,采用IGBT作为开关器件。
IGBT集MOSFET和GTR的优点于一体,具有功率MOSFET高输入阻抗,热稳定性好,驱动功率小的特点,又具有GTR通态电压低,导电损耗小而耐压高的优点。
对主电路进行计算,并根据设计目标的需要对IGBT进行选型。
IGBT的作用是通过它的周期性开和关作用,把直流电压变换成方波电压,它是逆变电路的关键核心元件。由于它比较脆弱,对它的设计、选择直接关系到整个系统的安全、可靠。所以,选择的参数必须在其正向偏置安全区(FBSOA)。计算参数时留有的裕量较大。 [p]
① 额定电压
输入电网电压整流滤波后,直流输出的电压最大值:
(11)
其中,Ud为IGBT承受的稳态最大电压,U为电网电压有效值为380V;1.1为波动系数;α安全系数取1.1。
关断时的峰值电压Uce为988V,额定电压应向上取,实际电压等级值取1200V。
② 额定电流Ic
高频变压器一次侧电流
I1=I2×N2/N1=125A
其中,I1为高频变压器一次侧电流,I2为测试电源输出电流,N1、N2为高频变压器一次侧和二次侧匝数。
每只IGBT管上的平均电流I为63A。
额定电流Ic是IGBT手册上给出的在结温25℃条件下的额定值,Ics=186A。
其中,Ics为IGBT额定电流计算值;I为每只IGBT管上的平均电流;1.414为峰值系数;1.5为Imin过载容量系数;1.4为Ic减小系数。额定电流Ic是根据管子电流等级按200A取。综上所述,IGBT管的额定电压为1200V,额定电流为200A。因此,IGBT选择西门子大功率IGBT模块BSM200GB120DLC。
4 输出整流电路设计
开关整流二极管不仅应有短的反向恢复时间和小的反向恢复电流,而且反向电流的恢复速度以缓慢为好,便于减小噪声。常用的有掺金扩散型、外延型、肖特基型和快恢复型(PIN)。其中,快恢复型的特点是正向压降低,常温时0.85V,随结温升高,正向电压降会更低,150℃时只有0.6V,和肖特基管接近;反向时间短,不大于200ns;反向漏电流在150℃时和额定电压下只有1mA,接近普通整流二极管。故选用快恢复型二极管。
对于单相全波整流电路,整流二极管额定电流:
IN=0.5×I2=500A
式中,IN为整流二极管额定电流;I2为电源输出电流1000A
管上承受最大反压:
Um=2×U2=136V
其中,U2为测试电源输出电压幅值68V。考虑到留有一定的裕量,因此,二极管按电压300V,电流2000A选取。最终选择的是ZK300-35ZT3平板型快恢复二极管。
控制电路设计
本设计中控制电路选用移相控制。移相式PWM控制器通过移相,使全桥的四个开关轮流导通。在同一桥臂的两个开关管轮流导通过程中,通过变压器的漏感与开关管的输出寄生电容组成谐振腔使电容上的电压以最快的速度放电,保证开关管处于零电压开关状态(ZVS),从而避免了开关工作过程中电压电流的重叠。
PWM移相控制是通过UC3875的误差放大器来实现的,在UC3875的4角上接PI调节器,利用电压传感器将输出电压与给定基准电压相比较,从而控制A、B与C、D之间的相位,最终调整波形占空比,使电源稳定在预定值上。A/B、D/C两个半桥,可单独进行导通延时(即死区时间)的控制,在该死区时间内确保下一个功率开关器件的输出电容放电完毕,为即将导通的开关器件提供电压开通条件。
图3所示是本设计的控制电路图。

图3 控制电路
驱动电路设计
随着IGBT在各类变流装置中的广泛应用,IGBT驱动模块的选择及其性能越来越引起使用者的重视。理想的驱动模块除了应为IGBT提供足够的开通和关断栅压外,还应具备迅速、可靠的保护功能,同时力求电路简单、稳定。IGBT的常用驱动模块有许多种,其中EXB系列应用最广。EXB841驱动模块广泛应用于开关电源、UPS、电力传动及电力补偿等领域。
图4所示是本设的IGBT的驱动电路图。

图4 驱动电路
IGBT在开关过程中需要一个+15V电压以获得低开启电压,还需要一个5V关栅电压以防止关断时的误动作。
这两种电压均可由20V供电的驱动器内部电路产生。
上一篇:基于STC89C52控制SHT10的便携式数显温湿度检测仪的设计
下一篇:一种高精度的超声波多路同步测距系统设计


