- 易迪拓培训,专注于微波、射频、天线设计工程师的培养
基于STC89C52控制SHT10的便携式数显温湿度检测仪的设计
0 引 言
温湿度的测量在仓储管理、生产制造、气象观测、工农业生产、科学研究以及日常生活中被广泛应用,传统的模拟式湿度传感器一般都要设计信号调理电路并需要经过复杂的校准和标定过程,因此测量精度难以保证,且在线性度、重复性、互换性、一致性等方面往往不尽人意。为了克服这些缺点,本设计采用瑞士Sensiri-on公司生产的具有I2C总线接口的单片全校准数字式相对湿度和温度传感器SHT10。该传感器采用独特的CMOSensTM技术,具有数字式输出、免调试、免标定、免外围电路及全互换的特点。
1 系统组成与硬件设计
本设计是实现温度和湿度的测量,通过单片机(STC89C52)直接控制SHT10,将得到的温度和湿度数据显示在液晶屏上,同时还显示当时的测量时期与时间,通过按键记录温度与湿度和与之对应的时期与时间。利用串口可以传送到上位机。原理框图如图1所示。

(1)电源部分:电源采用9 V(4.5~20 V都可以)电池作为输入,通过电压转换芯片SPX1117输出5 V电压,为系统提供电源,电源电路图如图2所示。调节R2与R1之间的比值可以调节输出电压的大小:Vout=VREF(1+R2/R1),VREF=1.25 V。

(2)单片机与SHT10接口电路部分:两者都采用I2C接口,由于STC89C52没有I2C接口,所以通过模拟来实现。DATA需要一个外部的上拉电阻(例如:4.7 kΩ)将信号提拉至高电平,单片机最小系统且与SHT10.AT24C04接口电路如图3所示。
[p]
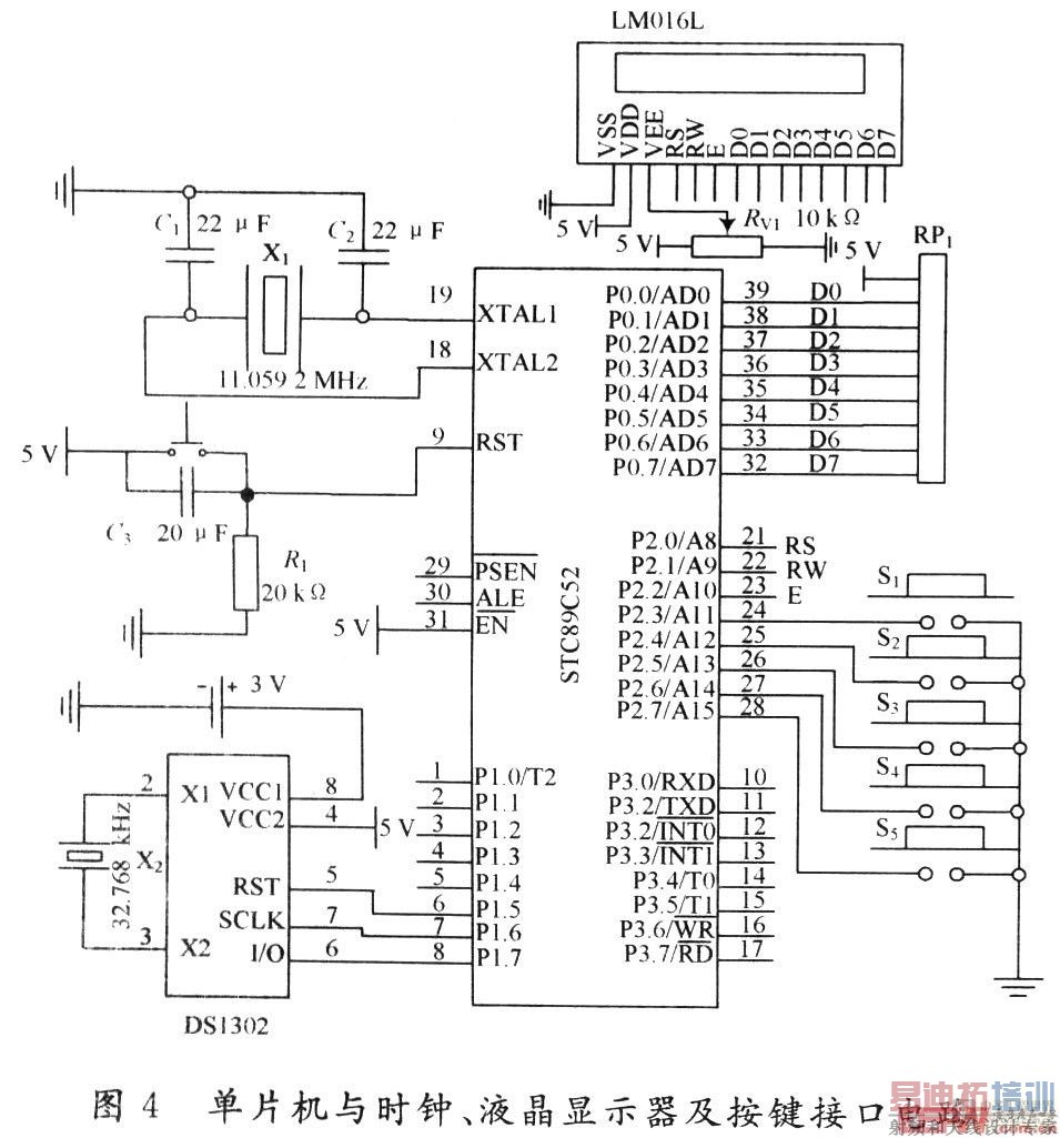
(3)单片机与时钟芯片DS1302接口电路部分:DS1302是美国DALLAS公司推出的一种高性能、低功耗的实时时钟芯片,采用SPI三线接口与CPU进行同步通信,可提供秒、分、时、日、星期、月和年,一个月小于31天时可以自动调整,且具有闰年补偿功能。工作电压2.5~5.5 V。应用电路如图4所示。

(4)单片机与液晶显示屏的接口电路部分:液晶显示屏的数据接口线与单片机的P0口相接,P2.0、P2.1、P2.2用于使能和控制对液晶屏的读写等操作。具体的电路如图4所示。
(5)单片机与数据存储芯片AT24C04接口电路部分:AT24C04具有I2C接口,但STC89C52没有此接口,因此要通过模拟实现。连接电路如图3所示。
(6)按键部分:按键功能如下,具体电路如图4所示。

(7)与上位机串口通信部分,该部分采用RS 232通信模式,采用MAX232接口芯片,完整的原理图如图5所示。
|
|
|
3 结 语 |
上一篇:基于89C55中规模集成电路功能测试仪的设计
下一篇:大功率直流电机测试电源设计源




