- 易迪拓培训,专注于微波、射频、天线设计工程师的培养
频率可调信号源的设计分析
0 引言
在现代电子测量技术的研究及应用领域, 常常需要高精度且频率可调的信号源, 信号源产生电路可以由RC 震荡电路、LC 震荡电路以及由555 定时器构成的震荡电路制成, 更多的则是用专门的函数信号发生器IC 产生, 如ICL8038、BA205、XR2207/ 2209 等, 但它们的功能较少, 精度不高, 频率上限只有300 kHz, 无法产生更高频率的信号, 另外调节方式也不够灵活, 频率和占空比不能独立调节, 二者互相影响。也有采用专门DDS 芯片的信号发生器, 但电路结构复杂, 成本较高 。而专门针对极低频率的信号源其设计频率范围又较窄 , 应用范围小。为此, 本文研究并设计出了一种基于单片机C8051F130 和MAX038 的信号源发生器, 能在15 MHz 内产生三角波、正弦波、方波, 精度高、失真度小、能有效弥补上述设计的不足, 满足大部分测试对信号源的要求。
1 信号源发生器的总体设计
该信号源发生器主要以单片机C8051F130 为控制核心, 通过对Maxim 公司波形发生器芯片MAX038 及其外部电路控制实现其不同幅度和频率, 不同类型信号的输出, 其中C8051F130 是Silicon Laborat or ies 公司推出的一种具有8051 内核及指令集完全兼容的集成混合信号片上系统, 执行指令最快速度可达100 MIPS, 内部具有8448( 8K+ 256) 字节片内RAM 和128 K 字节的flash 存储器,拥有多达64 个输入输出口, 可以完全满足本设计的控制需求, MAX038 是1 个只需要少量外部元件便能产生准确正弦波、三角波和方波的波形产生器, 输出频率和占空比可以通过外围电路的电流、电压和电阻进行调节。整个信号源发生器由频率控制部分、波形选择部分、占空比调节部分、键盘输入控制部分、信号状态显示部分、电源部分等构成, 电路框图如图1 所示。

图1 信号源发生器
2 信号源发生器各部分硬件电路设计
2. 1 波形选择部分
直接使用C8051F130 上I/ O 口P0. 0、P0. 1 连接MAX038 上A0 和A1 管脚, 对输入进行设置即能产生正弦波、方波和三角波, 管脚电平和波形之间的关系如表1所示。
表1 A0 和A1 管脚电平对应波形关系

波形切换可以在任意时候进行, 而不管输出信号的相位, 切换时间小于0. 3 us。
2. 2 频率控制部分
MAX038 输出信号的频率由注入引脚IIN 的电流IIN 、COSC 引脚端接的电容CF 以及引脚FADJ 上的电压V FADJ 决定。当VFADJ = 0 V 时, 基本输出频率Fo 由下式给出:
式中: IIN 为流入IIN 引脚的电流( 为获得最佳性能取10 A到400 A ) , CF 为连接COSC 引脚和地的电容( 在20 pF~ 100 F 中选取) , 如果VFADJ 是已知, 则任意输出频率Fx = Fo [ 1- (0. 2915 VFADJ ) ] , 在本设计中通过10位D/A 转换器A D7533 输出不同电压, 连接1 个30 k 的电阻控制流入MAX038 IIN 管脚的电流与C8051F130 控制CD4051 选择不同的CF 共同决定信号的输出频率值, 整个输出信号的频率分为7 个频段, 频段划分与CF 值和流入IIN 电流值对应关系如表2 所示。
表2 频段划分与CF 值和流入IIN 电流值对应关系

2. 3 占空比调节部分
DADJ 引脚端上的电压控制输出波形的占空比, 当VDADJ = 0 时占空比为50%, 当电压从+ 2. 3 V 到- 2. 3 V将引起输出占空比从15%~ 85%变化, 电压变化1 V 可使占空比变化15%, 占空比调节部分选用串行输入、双电压输出的8 位D/ A 转换器AD7303, 通过C8051F130 控制AD7303 输出- 2. 3~ + 2. 3 V, 接入DADJ 引脚调节占空比。
2. 4 幅度调节部分
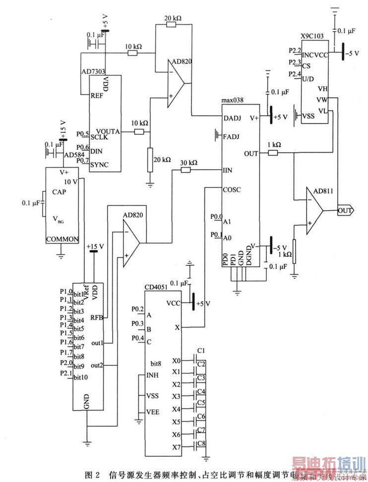
在经过频率控制和占空比调节之后, MAX038 输出端能输出幅度为2 V( VPP ) 的有关波形, 对地对称即相对对地电位而言是- 1~ + 1 V, 输出阻抗小于0. 1 Ω , 可直接向50 pF的容性负载提供的驱动电流为±20 mA 。为满足实际使用对信号源的要求, 还需要幅度调节电路调节输出信号幅度和增加信号驱动能力, 幅度调节电路由宽带高速电流反馈运放AD811 构成的反相比例运算电路构成, 其中反馈电阻大小由单片机C8051F130 控制X9C103 数字电位器实现, 输出信号随运放增益的不同, 幅度可以在200 mV~20 V( VPP ) , 增减步进量为200 mV ( VPP ) 。图2 给出了信号源发生器频率控制部分、占空比调节部分和幅度调节部分的电原理图。
2. 5 电源部分
电源电路部分主要向其他电路提供各芯片工作所需要的电压, 需要+ 15 V、- 15 V、+ 5 V、- 5 V , 为了减小电源的干扰对各部分电路的影响特别是对D/A 转换器转换精度的影响, 采用了广州周立功公司生产的宽压输入隔离稳压正、负双输出隔离电源芯片ZY _WHAD- 3W 系列,其具有转换效率高, 高低温特性好, 电压精度高等特点, 另外A D7533 工作还需要的+ 10 V 基准电压由AD584 提供( 见图2) , 电源电路原理图如图3 所示。
[p]


2. 6 键盘输入和信号状态显示
该部分电路使用液晶显示模块SG19264 和按键开关实现信号源发生器的频率、幅度、占空比调节和信号状态输出显示, 使用C8051F130 的I/ O 口连接4 4 键盘矩阵和SG19264 数据口和控制口, 根据按键情况在液晶模块上显示输出信号类型、频率、幅度、占空比等状态信息。
3 软件设计
信号发生器软件设计采用模块化编程结构, 分为初始化程序、键盘处理程序、波形选择程序、频率调节程序、占空比调节程序、幅度调节程序、信号状态显示程序, 信号发生器上电执行初始化程序产生频率1 kHz, 幅度2 V(VPP), 占空比为50% 的方波, 初始化后响应是何按键按下, 转入相应的信号状态调节程序最后通过信号状态显示程序在液晶上显示, 程序流程图如图4 所示。

图4 程序流程
4 结 论
为验证所设计信号源发生器性能, 在按照上述硬件和软件设计后, 对其输出信号各项指标参数进行了实际测试, 其中使用Agilent 53132A 和National VP7720A 对其主要参数输出频率精度和总失真度系数的测试数据如表3 和表4 所示。
表3 输出频率

表4 正弦波失真系数

由表3 和表4 可见, 本设计的信号发生器能达到输出波形失真度小于0. 3% , 输出频率精度优于2 ×10- 4 , 在同类设计中性能较优。
本设计以单片机C8051F130 为核心, 辅以D/A 转换器AD7533 和AD7303 及数字电位器X9C103 等外围电路对MAX038 进行控制产生所需信号。经实验验证, 所设计的信号发生器能输出频率小于15 MHz, 幅度200 mV~ 20 V(VPP )连续可调, 占空比在15%~ 85%的方波、正弦波、三角波, 具有外围电路简单、体积小、精度高、输出波形失真小等优点。该信号发生器已经广泛应用在我院电学电子测试工作中。
上一篇:数模混合信号测试解决方案
下一篇:实时飞行试验振动数据分析系统


