- 易迪拓培训,专注于微波、射频、天线设计工程师的培养
蓄电池组的容量测试及分析
通信电源是整个通信网络的组成部分,电源设备供电的高可靠性直接影响通信全网的畅通。在通信领域,蓄电池起到荷电备用作用,是作为通信电源系统最后一道保障来定位、使用的。近几年来,因通信电源系统中蓄电池故障导致的通信事故时有发生,因此及时掌握电池实际容量信息是非常重要的。通过对三种容量测试方法分析,在日常运行维护中,根据具体情况选择不同容量测试方法。
目前电池组容量测试主要有三种方法:(1)离线式放电,(2)在线“评估式”放电,(3)蓄电池组全在线充放电
一、离线式放电:
该放电方式是将电池组从直流供电系统脱离出来,外接假负载,进行放电试验,供电系统中只存在一组电池备用,存在危险,但放电过程中与系统没有联系。离线式放电连接如图1-1。

图1-1离线式放电
缺点是:
1、放电后被测电池电压较低,如果直接并联恢复时,会产生
火花和冲击电流,使并联恢复困难,存在安全隐患。为减少火花和冲击电流可将被测电池组静置10分钟,同时降低开关电源输出电压与被测电池电压基本相同后,恢复并联。
2、如果整流器系统大,充电限流点设置不合理,巨大冲击电流可能造成熔丝或连接条熔断,同时对电池本身将是一种损害。
3、既要拆卸电池组正极,又要拆卸电池组负极,拆卸电池组负极时如果操作不当,将引起短路事故,放电需要8X2=16个小时,整个过程需要维护人员时刻看守,工作强度大,劳动效率低。
4、被测电池组电能全部通过假负载散热消耗,浪费能源,影响机房设备的运行环境,需要空调降温,进一步浪费能源,而且还要对电池充电约1.2倍的放电容量,不利于节能降耗。同时,整个过程中机房内一直存在一个高热源,始终是一个安全隐患因数。例如一个系统2组3000AH电池组,其做一次80%容量(10小时率8个小时)试验消耗的电能大约是:
(1)放电耗能:(48VX300AX8小时)/1000=115.2度X2组=230.4度
(2)充电耗能:230.4X1.2倍=276.48度
(3)以上充放一次电,理论上共浪费电能506.88度,如果考虑空调制冷,耗电还要多。所以,如果全国的电池组都按规定每年做30~40%核对性放电试验,每三年做一次容量试验,浪费的电能是很可观的。
另外,在一些只配置一组电池组的模块局、接入网点,是无法
实施这种测试,故而目前基本不采用该种放电试验方法。
二、在线“评估式”放电:
在《中国联通通信网络运行维护规程(试行)-动力环境分册》中详细介绍了:降压放电法—蓄电池核对性放电试验。顾名思义,一是降压,二是只能核对性放电。具体做法是:调整整流器输出电压至保护电压(如47V),让并联的蓄电池组对实际通信设备负荷短时间供电来进行放电试验。在线“评估式”放电连接如图2-1。

图2-1在线“评估式”放电
在线“评估式”放电特点是:
1、调整整流器输出电压至保护电压(如47V)短时间放电,然后估算电池容量的方法都属于在线评估式放电的范畴,放电深度有限,达不到放电试验目的;即:活化保持整组电池活性及寻找落后电池。原因是:在实践中经常发现某些单体电池电压在放电前期表现稳定,但到中后期电压可能快速下降。
2、并联的电池组全部投入对实际通信网络负荷放电,系统无满容量电池组备用,系统安全性降低。因为,电池组剩余多少容量要以实际能放出的容量为准,不取决于电池组的电压,实际中可能是电池组电压还有一定冗余,但是电池组的剩余容量已经没有了。
3、易出现每组电池放电电流不平衡现象:有质量问题的电池组,内阻大,分担电流小,正常的电池组,内阻小,分担电流大,尤其是并联3组电池组或以上的大系统,该问题更加突出。
4、该方法适用于一些配置一组电池组的模块局、接入网点的电池组核对性放电试验,掌握电池的基本情况。
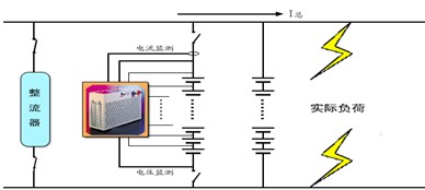
三、蓄电池组全在线充放电方式:
近几年全在线充放电方式自提出以来,使用越来越多,全在线充放电方式如图3-1。
智能在线容量测试仪
图3-1全在线充放电方式
全在线充放电方式有如下特点:
1、放电过程,不必将电池组脱离系统,不必调整整流器的输出电压。
2、既能实现放电又能实现充电,且全部在线进行,最大限度弱化市电中断带来的危险,同时智能在线容量测试仪可设定充电电流,不会对电池及系统造成冲击,提高放电试验安全系数。
3、放电过程除放电设备风扇耗能外,基本没有电能浪费,可以带来节能环保效益。
4、放电试验时基本可以实现无人职守,大大提高工作效率。
5、在被测电池组放电过程中智能在线容量测试仪时时进行升压补偿被测电池组电压变化,使两个支路始终保持等电位,但是被测电池组所在支路的电压始终具有略高趋势,以保证被测电池组可以持续进行放电,而在此过程中另一组电池始终处于浮充满容量状态。
6、被测电池组放电充电过程,始终保持在线状态,在此过程中,一旦发生市电中断情况,被测电池组和平常一样,可以立即投入供电工作,另一组备用电池组还可以满容量状态投入供电工作。这就最大限度地延长了电池组的供电时间,最大限度地降低因放电试验而引起的通信事故的概率。
7、全在线充放电方式可简单地实现对UPS电池组容量测试工作。在该方法之前,对UPS电池组只能或只敢短时间的核对性放电试验,或是容量试验时,还要请厂家工程师到现场,操作很麻烦,而且危险性很大。
总之,综合对以上三种电池容量测试方法分析,我们在日常维护工作中,可以选择适宜放电方式对电池组进行维护管理。
上一篇:气动量仪在机械制造行业的应用
下一篇:接地电阻测量原理与测量方法


