- 易迪拓培训,专注于微波、射频、天线设计工程师的培养
labview数组应用
录入:edatop.com 点击:
例:选择合适的数组操作函数,计算数组中元素个数;提取数组中第2行元素,循环后移3位;计算数组的最大值、最小值并转置数组。
下面分别介绍选用的函数、程序框图和函数的结果。
(1)使用函数“数组大小”计算数组中元素个数。函数的输入为“数组”值,如图1所示,输出结果为[3,4],表示为一个3行4列的二维数组。
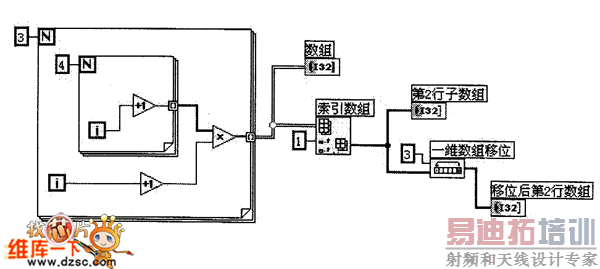
(2)使用函数“索引数组”提取数组中的元素。函数的输入为“数组”值,指定行序号“索引(行)”为1,由于输出第2行中所有列元素,不指定列序号“索引(列)”,如图2所示,输出为[2,4,6,8];使用函数“一维数组移位”对第2行子数组进行循环移位,第2行组成的一维数组作为函数的输入,循环后移3位,结果为[4,6,8,2]。

图1 计算数组中元素个数

图2 提取数组中的元素
(3)使用函数“数组最大值与最小值”计算数组最值。函数的输入为“数组”值,如图3所示输出最大值12、最大值索引号[2,3]即第3行第4列、最小值索引号1、序号[0,0]、第1行第1列。
(4)使用函数“二维数组转置”对数组进行转置,如图4所示,输出结果为一个4行3列的数组。

图3 计算数组最值
(5)完整的程序框图如图5所示。运行程序,前面板的结果如图6所示。

图4 数组转置

图5 程序框图

图6 前面板结呆


