- 易迪拓培训,专注于微波、射频、天线设计工程师的培养
信号波形合成实验电路模块设计
录入:edatop.com 点击:
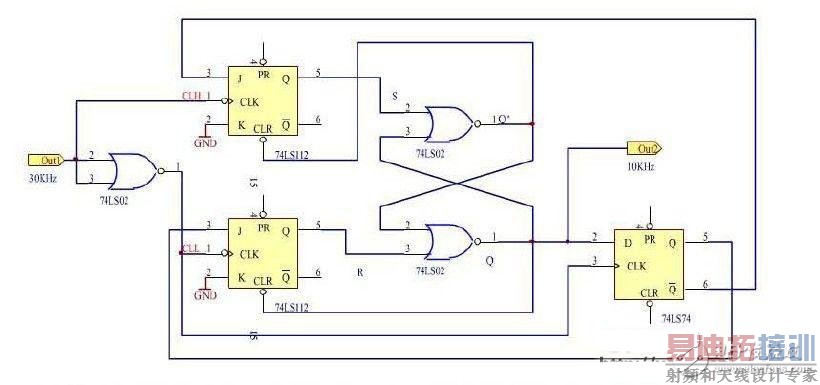
本设计采用方波振荡电路产生30KHz 的方波,经过三分频得到10KHz 的方波信号,两信号通过低通滤波器采集基频信号, 再经过移相和放大后得到10KHz 、6V和30KHZ、2V以及30KHz、0.667V 的正弦波信号,并用这些信号合成近似方波和三角波。

移相器电路元件选择电路

三分频电路

电源电路
上一篇:多功能信号发生器电子电路设计
下一篇:温度测量仪表布置的几点要求


