- 易迪拓培训,专注于微波、射频、天线设计工程师的培养
多功能信号发生器电子电路设计
录入:edatop.com 点击:
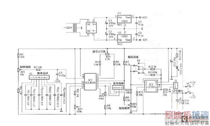
本制作是以集成电路ICL8038为核心器件制作的一种信号发生器。该芯片可同时输出方波、三角波和正弦波,频率调节范围大,波形失真小,实用性较强。
1.电源部分
它由变压器T、桥堆、电容C1~C4及三端稳压器L7812和L7912组成,可提供±12V稳定电源电压。

2.信号发生器
ICL8038可同时输出方波、三角波及正弦波,使用时只需外接少量电阻、电容元件。RP5为方波输出占空比调节电阻, 阻值为4.7kΩ,用来改变4、5脚电压,从而改变方波占空比。RP1、Rl和R2组成分压网络,RP1为频率调节电位器,该电位器使用优质多圈电位器, 阻值为lOk,调节RP1,改变ICL8038的8脚输入电压,可改变输出波形的频率;C6~Cll为外接定时电容,改变开关S2的位置,可获得6个频段 (0~20Hz、 20Hz~200Hz、200Hz~2kHz、2kHz~20kHz、20kHz~200kHz、200kHz—1MHz)的输出信号;RP3、RP4为 正弦波失真度调节电位器,为了减小正弦波的失真度,ICL8038采用两套微调网络RP3和RP4,分别微调1脚和12脚电位,使正弦波信号失真度最小。 ICL8038的2脚输出正弦波,3脚输出三角波,9脚输出方波。
上一篇:品读无线充电发射与接收电子线路设计
下一篇:信号波形合成实验电路模块设计


