- 易迪拓培训,专注于微波、射频、天线设计工程师的培养
相位检测电路
录入:edatop.com 点击:
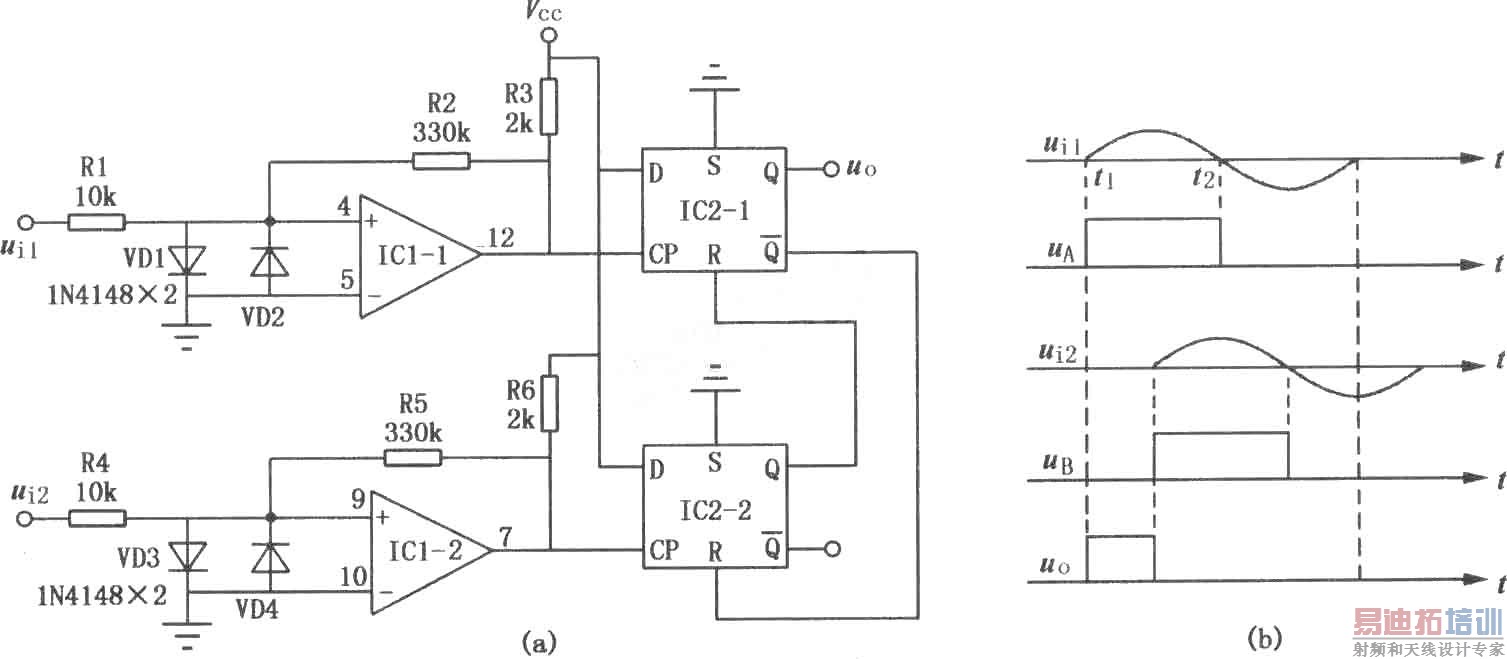
相位检测电路主要由IC1(双电压比较器LM319)和IC2(双D触发器C013)组成,如图所示。该电路具有结构简单、精确度高及抗干扰能力强等优点,在低频0~30kHz范围内,检测精度优于0.1o 。电路输出信号既可直接与计算机接口相连,也可经过低通滤波器与数字电压表连接,从而构成十分理想的相位检测器。


上一篇:HP-15湿度表电路
下一篇:便携式兆欧表


