- 易迪拓培训,专注于微波、射频、天线设计工程师的培养
实用电话检测仪(555、CD4017、CD4518)
录入:edatop.com 点击:
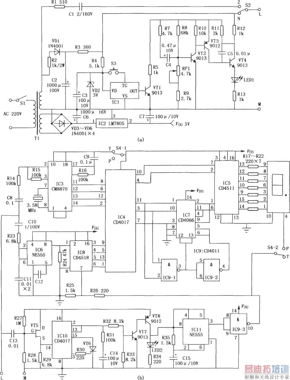
用本电路制作的电话检测仪,能准确判定和排除电话机振铃电路、通话电路以及拨号电路所发生的故障,使用方便。本机电源电路及振铃、通话部分的检测电路如图(a)所示。电源由220V交流电经变压器T1供电,次级分两组输出。一组为9V交流电,经二极管VD3~VD6整流,电容C6、C7滤波,三端稳压块IC2稳压,输出5V直流电,供本机作检测电源。另一组输出为50V交流电,一部分经电阻R1、电容Cl1限流、隔直,为振铃电路供电;另一部分经二极管VD1整流,电容C2滤波,电阻R2、R3限流,为送话、受话检测电路供电。使用时将待测话机与本机的接线端L、M连接,闭合电源开关Sl接通220V交流电源,便可对话机的振铃、通话以及拨号三部分电路分别进行检测。检测振铃电路时,话机处于挂机状态,将拨动开关s2拨至振铃位置,这时L和Z相接,经限流、隔直的交流电由M、L端输出,送入待测话机,为话机振铃电路提供电源。如待测话机振铃电路工作正常,便可听到话机的振铃声。通话电路的检测分受话电路和送话电路检测两部分。待测话机处于摘机状态,使拨动开关S2在通话、拨号位置(N)。此时,话机与本机的M、N端相接。调节电位器RPl,使作为指示灯的发光二极管LED1刚刚点亮。受话电路的检测信号由音乐集成块IC1提供,当按键开关S3闭合时,IC1的触发极TG得电,音乐块被触发工作。音乐信号由IC1的OUT端输出,经三极管VTl等放大,馈入话机。如该机受话电路工作正常,悦耳动听的音乐便从话机的听筒或免提喇叭中传出,同时发光二极管LED1随音乐的节奏而闪动。检测送话电路时,可轻轻敲击或吹动话机的话筒或免提麦克风,由此产生的音频信号经话机从电容C4输入,通过三极管VT2~VT4三级放太,由发光二极管LED1输出。送话电路正常的话机,随敲击信号的输入,发光二极管LED1迅速点亮,其亮度随敲击信号的强弱而变化。与此同时,听筒或免提喇叭会发出“咯咯”或“唿唿”声。图(b)为专用于拨号电路检测的电路,图中,IC3是DTMP(双音多频)信号接收译码集成块CM8870,它能将双音频话机发出的双音频拨号信号接收并译为BCD码,经IC4十进制计数/脉冲分频器CD4017送至IC5解码驱动块CD4511,由共阴极数码管直观地显示出话机所拨的号码。脉冲拨号的接收与显示是由IC6(NE555)、IC8(CD4518)、IC4(CD4017)、IC5(CD4511)和数码管共同完成的。当话机在脉冲拨号时,每输入一脉冲信号,经IC6整形,由IC8的①脚输入,进行计数并转变为BCD码输出,进入IC4、IC7分配到IC5进行解码,最后由数码管显示出话机所拨的号码。检测拨号电路时,拨动开关S2置通话、拨号位置(N),电位器RPl的位置与通话电路检测的位置相同。脉冲(P)、双音频(T)开关S4应与待测话机一致。本电路对脉冲话机(包括旧式的拨盘话机)和双音频话机的拨号电路均可测试。当待测话机进行拨号时,若该机拨号电路正常,则本机数码管将直接显示出所拨的号码,同时发光二极管LEDl随号码的拨动而闪亮。




