- 易迪拓培训,专注于微波、射频、天线设计工程师的培养
环境噪声监测仪
录入:edatop.com 点击:
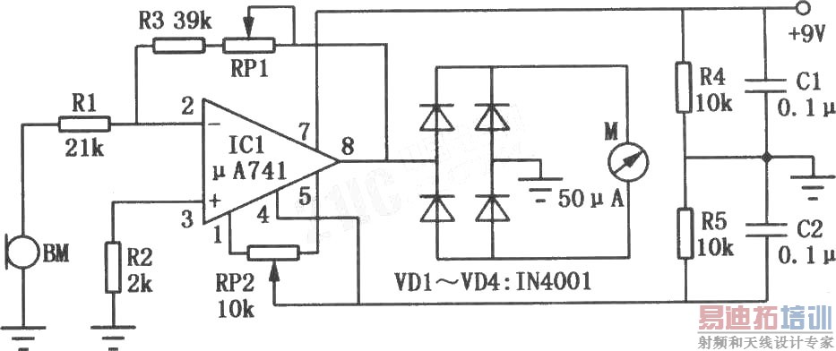
环境噪声监测仪电路如图所示。它主要由高增益运放μA741组成。测得的噪声信号通过电流表指示出来。运算放大器IC1接成噪声放大器,被检测的噪声信号通过话筒BM加到IC1的反相输入端,放大后再由二极管VD1~VD4进行全波整流,最后使电流表偏转,从而指示出环境噪声的强度。调整时,先将话筒两端短接,调节调零电位器RP2,使电流表指示为0。调节电位器RP1,可改变电流表的灵敏度。与噪声强度相对应的电表刻度值可用一台标准的监测仪来标定。


上一篇:实用电话检测仪(555、CD4017、CD4518)
下一篇:调节简单的高输入阻抗双波线性检波电路(RC4558DN)


