- 易迪拓培训,专注于微波、射频、天线设计工程师的培养
用门电路组成LED电压表
录入:edatop.com 点击:
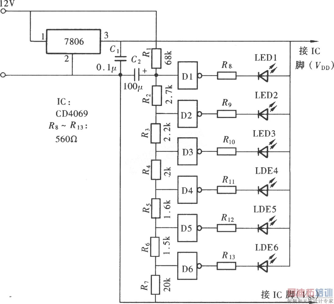
用发光二极管作电压表虽然比不上用指针式或数字式电压表精确,但它有着显示直观和明确的优点。通常这种电压表的制作采用两种方法,一是采用由运算放大器组成的电压比较器,将输入电压与设定的基准电压进行比较,将比较结果输出后驱动发光二极管进行显示,这种电路结构较为复杂。另一种方法是将输入电压通过电阻分压后直接驱动发光二极管,但由于发光二极管的发光阀值电压有较大的离散性,使测量与显示结果和实际电压有较大的差异。下面介绍一种介于上述两者之间的LED电压测量显示法,这就是采用门电路组成的、由LED指示的电压测量法
LED电压表。它电路结构简单,电压的测量与显示准确,十分经济适用。电路组成如图所示。


上一篇:带宽为10MHz的宽频带线性检波电路
下一篇:500型万用表电路


