- 易迪拓培训,专注于微波、射频、天线设计工程师的培养
带宽为10MHz的宽频带线性检波电路
录入:edatop.com 点击:
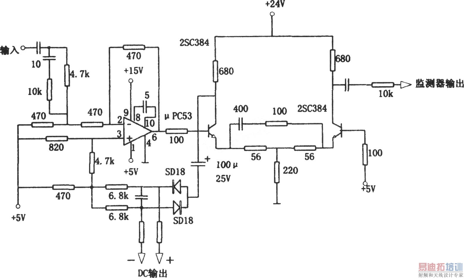
如图所示为带宽为10MHz的宽频带线性检波电路。该电路为毫伏表等测量仪器上面使用的带宽为10MHz的宽频带线性检波电路。运算放大器使用了宽频带的μPC53,其输出通过由三极管2SC384构成的差分放大器进行放大。电路中采用锗二极管做检波用二极管,并将其接在负反馈电路上,差分电路提高了电源电压。


上一篇:LED显示电子电压表
下一篇:用门电路组成LED电压表


