- 易迪拓培训,专注于微波、射频、天线设计工程师的培养
振动测试电路
录入:edatop.com 点击:
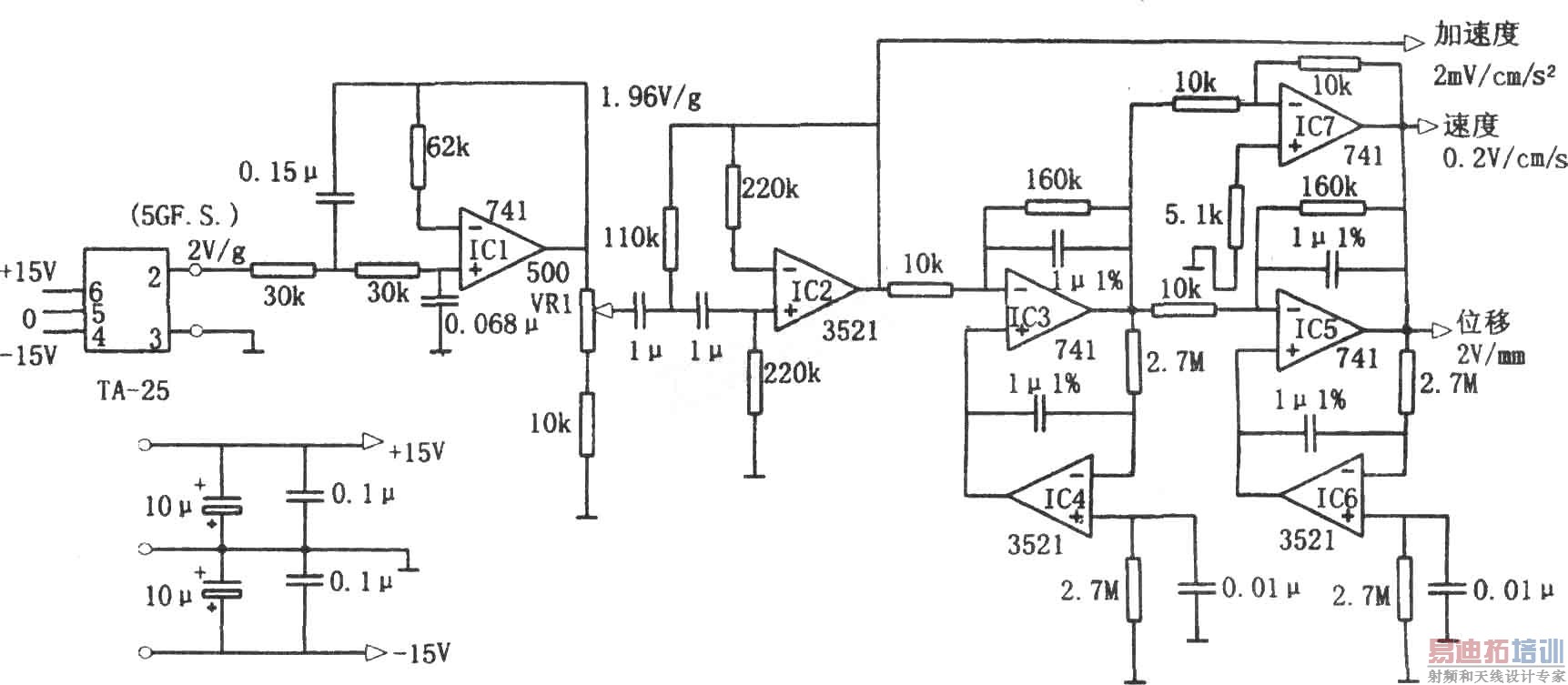
如图所示为振动测试电路。该测试电路由加速度计TA-25、集成运算放大器741(IC1、IC3、IC5、IC7)、场效应管输入的低漂移运算放大器等组成。其应用于周期性加速检测。由加速计TA-25输出的信号经过集成电路IC1(741)的低通和IC2(3521)的高通滤波后,以周期性加速度输出。该输出信号经交流积分器(IC3和IC4)积分、放大器IC7放大后变换为速度信号,再经交流积分器(IC5和IC6)积分后获得位移。本电路用于检测加速度计输入轴方向的周期振动,若有前后、左右和上下方向3组,则可检测3轴方向的振动,但检测上下方向振动时,仅有重力加速度1g左右,最大动态范围变窄。本电路测试的振动频率为1~50Hz,最大动态范围为±5g(使用全量程的加速度计),速度为50cm/s,位移为5cm。


上一篇:555构成的行输出变压器短路检测器
下一篇:用数字万用表检查双向晶闸管


